RS-1-Rev00 - 第65页
- - REF.N O NOTE P ART NO D E S C R I P T I O N Q ty 1 BT-060 040 0-EC URE THA NE T UBE BLU E 6 X4 12 2 BT-080 050 1-EA URETHA N E TUBE BL UE 8 X5 2.5 3 BT-040 025 1-EA URETHA N E TUBE BL UE 4 X2.5 3.0 5 4 WP-0 84160 1…

- -
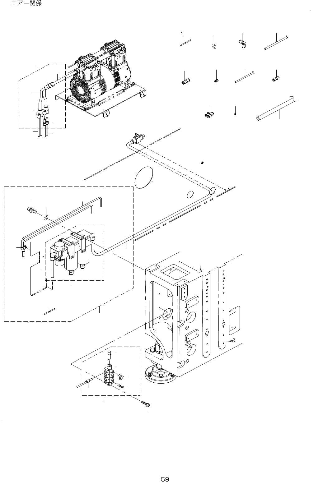
30. AIR COMPONENTS
9
1 3
1 1
1 2
1 0
2 3
2 1
2 0
1 9
1 7
1 8
6
7
3 4
4
8
1 5
1 6
3 2
2 9
3 1
3 0
3 3
1
2
2 8
3 2 2
5
2 4
2 5
3 5
1 4
2 6 2 7
3 6

- -
REF.NO NOTE PART NO D E S C R I P T I O N Qty
1 BT-0600400-EC URETHANE TUBE BLUE 6X4 12
2 BT-0800501-EA URETHANE TUBE BLUE 8X5 2.5
3 BT-0400251-EA URETHANE TUBE BLUE 4X2.5 3.05
4 WP-0841601-SC WASHER M8 2
5 PJ-3040800-02 ELBOW UNION 10
6 400-54839 SOFT NYLON 8 15.1
7 400-94700 AIR COMBINATION ASSY 1
8 400-63483 AIR COMBINATION (1)
9 BT-1000651-EB POLYURETHANE TUBE (1.7)
10 PJ-3081000-01 UNION Y (1)
11 SL-6061692-TN BOLT (4)
12 WP-0841601-SC WASHER M8 (4)
13 BT-1200801-EF TUBE (0.45)
14 BT-0400251-EA URETHANE TUBE BLUE 4X2.5 (0.05)
15 BT-1200801-EF TUBE (1)
16 401-47664 MANIFOLD_ASM 1
17 PJ-3040600-01 REDUCER ELBOW (3)
18 PX-9500070-00 PLUG (3)
19 PJ-3010600-03 REDUCER (3)
20 PJ-3091200-03 MANIFOLD (1)
21 PJ-0200000-03 PLUG ROUND 12 (1)
22 BT-0400251-EA URETHANE TUBE BLUE 4X2.5 2
23 SL-6042092-TN SCREW M4 L=20 2
24 PJ-3030800-01 UNION STRAIGHT 2
25 PJ-3010605-03 HALF UNION 1
26 BT-0600400-EC URETHANE TUBE BLUE 6X4 12.1
27 PJ-3030600-01 STRAIGHT UNION 1
28 401-47611 VACUUM_PUMP_AIR_ASM 1
29 BT-1000651-EB POLYURETHANE TUBE (0.3)
30 BT-1200801-EF TUBE (0.2)
31 PJ-3081200-02 UNION Y (1)
32 400-69259 DIFFERENT BORE UNION Y (2)
33 PJ-3010600-03 REDUCER (2)
34 PJ-3080600-07 UNION Y 5
35 PJ-0205000-02 PLUG 1
36 BT-1200801-EF TUBE 0.2

- -
31. ACCESSORIES PART COMPONENTS
2 5
1 2
1 3
9
6
5
8
1 0
1 1
2 0
3
2
3
4
7
1 4
1 5
1 6
1 8
1 9
2 1
2 2
2 3
1
2 4
2 8 2 9
1 7
2 6
2 7