RS-1-Rev00 - 第90页
- - 43. S YSTE M DI AGR AM ( 2) 9 7 9 8 9 9 1 0 0 1 0 1 1 0 2 1 0 3 1 0 4 1 0 5 1 0 6 1 0 7 1 0 8 1 0 9 1 1 0 1 1 1 1 2 9 6 8 3 8 4 9 3 9 4 9 5 9 2 9 1 9 0 8 9 8 8 8 7 8 6 8 5 7 4 7 6 7 5 7 7 8 0 7 9 7 8 8 1 4 7 4 9 5 …

- -
REF.NO NOTE PART NO D E S C R I P T I O N Qty
1 401-29648 POSITION BOARD 1
2 401-29627 OPTICAL FIBER CABLE 1M 1
3 401-29652 X AXIS DRIVER 1
4 401-82237 FX AMP-XY BEAR ENC CABLE AS M 1
5 401-82234 FX AMP-Y BEAR PWR CABLE ASM 1
6 401-82273 Y BEAR CABLE 1
7 401-29148 X-MOTOR ENC CABLE ASM 1
8 400-44546 X MTR PWR CABLE 1
9 401-29653 X AXIS MOTOR 1
10 401-82256 FX AMP-FG WIRE ASM 1
11 401-29654 Y AXIS DRIVER 1
12 401-29628 OPT ICAL FIBE R CABLE 0.15M 1
13 400-45401 YL ENC CABLE ASM 1
14 401-82269 YL MOTOR CABLE ASM 1
15 401-46348 Y AXIS SERVO MOTOR 1
16 401-82257 FYL AMP-FG WIRE ASM 1
17 400-45403 YR ENC CABL E ASM 1
18 401-82270 YR MOTOR CAB LE ASM 1
19 400-48070 OPT ICAL FIBE R CABLE 7M 1
20 401-82258 FYR AMP-FG WIRE ASM 1
21 401-83536 POWER SUPP LY UNIT B ASM 1
22 401-82243 EU TOP-F XY BEAR AMP PWR CABLE ASM 1
23 401-82272 XY BEAR CABLE 1
24 401-33060 XY BEAR AMP PWR-FG WIRE ASM 1
25 401-28874 HEAD RELAY PCB ASM 1
26 401-29262 AC INPUT SURGE PROTECTOR ASM 1
27 401-82266 BREAKER-NF WIRE ASM 1
28
#01
401-83498 BREAKER-NF WIRE ASM 1
29 401-82379 NOISE FILTER 1
30
#01
HN-0040100-00 NOISE FILTER 1
31 401-83393 NF-SW WIRE AS M 1
32
#01
401-29302 NF-SW WIRE ASM 1
33 HA-0065500-00 SWITCH 1
34 401-28954 NF-FG WIRE ASM 1
35 401-58154 SW-TF/MTS WIRE ASM2 1
36 401-82231 MS-ELECTRICAL UNIT CABLE ASM 1
37 401-83500 MTS PWR CABLE ASM 1
38 401-83535 POWER SUPP LY UNIT A ASM 1
39 401-82229 CN A5-X/YL/YR CNP1 CABLE ASM 1
40 401-82230 CN A3-AMP CNP2 CABLE ASM 1
41 401-83386 TRANSFORMER 1
42 401-83414 TRANS-EU CABLE ASM 1
43 401-82214 ELE UNIT CN A2 -CN B3 CABLE ASM 1
44 401-82232 EU CN A6-EU CN B2 CABLE ASM 1
45 401-82255 EU TOP-ATX RELAY CABL E ASM 1
46 EZ-1756647-11 BATTERY PACK (BS06A-H24/2.5L) 1
47 401-82264 VACUUM PUMP RELAY WIRE ASM 1
48 401-33294 IP-X11 SET GEN ASM 1
49 401-28871 IO CONTROL PCB ASM 1
50 401-82240 EU TOP-F XY BEAR HDM PWR CABLE 1
51 401-23242 CPU BOARD 1
52 401-36338 LAN CABLE 5M 1
53 HK-0849200-80 CONNECTOR 1
54 401-82221 HDR-Z VAC SENSOR CABLE ASM2 1
55 401-82216 LNC LAN CABLE ASM 1
56 401-82791 LNC120-8 1
57 401-82217 LNC ENCODER CABLE ASM 1
58 401-82218 HDR-LNC LED CABLE ASM 1
59 401-86497 ATX RELAY-ATX 250V CABLE ASM 1
60 EZ-1468979-11 POWER (ENSP-300P-S20-11S) 1
61 401-72724 ATX-CPCI WIRE ASM3 1
62 401-83537 CTRL_UNIT_ASM 1
63 401-82220 HDR-SV CABL E ASM2 1
64 401-82558 CN0707 - T1/T2/T3 ORIGIN CABLE ASM 1
65 401-82560 T1/T2/T3/T4 ORIGIN SENSOR ASM 1
66 401-83385 FIBER UNIT 2M 1
67 401-72512 CPCI BACK BOARD 6SLOT 1
68 401-29244 VACUUM PUMP ASM 1
69 401-82233 ATX-SW CABLE ASM 1
70 401-82559 CN0724 - T4 ORIGIN CABL E ASM 1
71 401-82238 IPX-F XY BEAR CAMERA CABLE ASM 1
72 401-82239 IO-F XY BEAR SERIAL CABLE ASM 1
73 401-28873 HEAD MAIN PCB ASM 1
74 401-82241 HDM-HDR SERIAL CABLE ASM 1
75 401-29105 HDM-HDR PWR CABLE ASM 1
76 401-29102 HDM-OCC L CABLE ASM 1
77 401-29273 HDM-OCC LIGHT L CABLE ASM 1
78 401-29639 OCC 1
79 401-29640 OCC LENS 1
80 401-28879 OCC C PCB ASM 1
81 401-28878 OCC A PCB ASM 1
82 401-29106 HDM-HMS L RELAY CABLE ASM 1
83 401-29108 HMS CABLE ASM 1
84 401-85429 NZL-UP SV EXTENSION CABLE ASM 1
85 401-83349 NZL-UP SV CABLE ASM 1
86 401-86318 HDM-TMP SENSOR CABLE ASM 1
87 401-28883 THERMAL SENS OR PCB ASM 1
88 HD-0030 600-00 SENSOR 1
89 401-19461 HEAD FAN MOTOR A ASSY 1
90 401-36334 SERVO MOTOR 30W 1
91 EZ-1492148-11 AMPLIFIER SERVO 1
92 401-82565 ZC CN2A CABLE ASM 1
93 401-82563 ZC CNP2A CABLE ASM 1
94 401-87431 SERVO MOTOR 30W 1
95 401-29650 4AXIS INTEGRAL TYPE T AXIS DRIVER 1
96 401-36335 SERVO MOTOR 30W 1
97 401-82252 HDR-ZA AMP PWR CABLE ASM 1
98 401-82253 HDR-ZB AMP PWR CABLE ASM 1
99 401-82254 HDR-ZC AMP PWR CABLE ASM 1
100 401-82222 HDR-TA AMP PWR CABLE ASM 1
101 401-82250 TAMP-HDR SERIAL CABLE ASM 1
102 401-82215 TA CN5-CN0713 CABLE ASM 1
103 401-82251 HDR-SV CABLE ASM 1
104 401-33002 NZL UP SENSOR 6T L CABLE ASM 1
105 401-33003 NZL UP SENSOR 6T R CABLE ASM 1
106 401-82267 HDR-Z VAC SENSOR CABL E ASM 1
107 401-82489 VACCUM_UNIT 1

- -
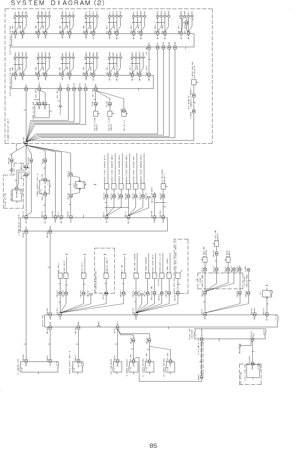
43. SYSTEM DIAGRAM (2)
9 7
9 8
9 9
1 0 0
1 0 1
1 0 2
1 0 3
1 0 4
1 0 5
1 0 6
1 0 7
1 0 8
1 0 9
1 1 0
1 1 1
1 2
9 6
8 3
8 4
9 3
9 4
9 5
9 2
9 1
9 0
8 9
8 8
8 7
8 6
8 5
7 4
7 6
7 5
7 7
8 07 97 8
8 1
4 7
4 9
5 9
5 8
6 1
4
6 0
6 3
6 2
6 4 6 6
7 0
6 7
6 8 6 9 6 8 6 9 6 9 6 8
7 1
7 2
7 3
5 7
1 4
2 3 5 7
9
1 1
6 8 1 0 1 0
1 3
1 6
1 5
1 4
1 7
1 8
1 9
2 0
2 2
2 3 2 5 2 6 2 8
2 1
2 9 3 4
3 0 3 3 3 5 3 7
3 8
3 9 4 0 4 1 4 2 4 3
1 1 2
4 5
4 6
5 1
3 9
4 8
3 9
4 0
5 0
5 2
5 6
5 3 5 5
8 2
4 4
1 1 4
1 1 3

- -
REF.NO NOTE PART NO D E S C R I P T I O N Qty
1 401-28871 IO CONTROL PCB ASM 1
2 401-82247 IO-F BKR SERIAL CABLE ASM 1
3 401-29320 IO-SF SERIAL CABLE ASM 1
4 401-83536 POWER SUPPLY UNIT B ASM 1
5 401-29011 EU TOP-SF PWR CABLE ASM 1
6 401-83413 POSITION BOARD 1
7 401-82224 SF-XY AMP RELAY CABLE ASM 1
8 401-29652 X AXIS DRIVER 1
9 401-33006 SF RELAY-FX AMP CABLE ASM 1
10 401-29654 Y AXIS DRIVER 1
11 401-82823 SF RELAY-FYL AMP CABLE ASM 1
12 401-82197 BANK CABLE (31_32-EB1 CN18) ASM 1
13 401-82225 IPX X ENC RELAY CABLE ASM 1
14 401-33294 IP-X11 SET GEN ASM 1
15 401-32991 LIGHT CONTROL PCB ASM 1
16 401-83350 CAMERA TRIG CABEL ASM 1
17 401-28872 SAFETY PCB ASM 1
18 401-86309 F BKR-SF CABLE ASM 1
19 401-29020 SF-OPSW RELAY WIRE ASM 1
20 401-29025 EMG SW CABLE ASM 1
21 401-29021 START SW CA BLE ASM 1
22 401-29022 STOP SW CABLE ASM 1
23 HA-0055200-40 SWITCH 1
24 HA-0055200-30 SWITCH 1
25 HA-0055200-1B SWITCH 1
26 HA-0055200-40 SWITCH 1
27 HA-0055200-30 SWITCH 1
28 HA-0055200-10 SWITCH 1
29 401-29023 CONSOLE SW CABLE ASM 1
30 HA-0055200-40 SWITCH 1
31 HA-0055200-30 SWITCH 1
32 HA-0055200-1C SWITCH 1
33 HA-0053400-70 SWITCH 1
34 401-29024 KEY SW CABLE ASM 1
35 HA-0063800-10 SWITCH 1
36 HA-0055200-20 SWITCH 1
37 HA-0053500-3A SWITCH 1
38 401-82244 SF-YF TOP SENSOR RELAY CABLE ASM 1
39 401-65028 XY LMT SENSOR ASM 1
40 401-29002 NEAR SENSOR CABLE ASM 1
41 400-02254 COVER OPEN SW CABLE ASM 1
42 401-46405 COVER LOCK SV ASM 1
43 401-29009 SIGNAL TOWER CABLE ASM 1
44 401-29010 MINI SIGNAL TOWER CABLE ASM(OP) 1
45 401-82249 SF-FXY BEAR CABLE ASM 1
46 401-82273 Y BEAR CABLE 1
47 401-86335 FEEDER AIR BLOW CABLE ASM 1
48 401-29001 X LMT RELAY CABLE ASM 1
49 401-83349 NZL-UP SV CABLE ASM 1
50 401-29003 XY BEAR RETURN WIRE ASM 1
51 401-82272 XY BEAR CABLE 1
52 401-82223 CN1202 SHORT WIRE ASM 1
53 HB-0018100-00 RELAY 1
54 HB-0004800-10 RELAY 1
55 HB-0002100-10 RELAY HOLOER PYC-A1 1
56 401-86333 CUTTER SAFETY CABLE ASM 1
57 401-28876 E BANK RELAY PCB ASM 1
58 401-29247 F EBKR FG CABLE ASM 1
59 401-82227 EBKR-OUT LOADER SERIAL CABLE ASM 1
60 401-29073 F BKR-EU TOP PWR CABLE ASM 1
61 401-82226 CN B4/B5-CN1 341/1441 CABLE ASM 1
62 401-84380 CN1307/1407 - CN1344/1444 CABLE ASM 1
63 401-84106 CN1343/1344 - RL4_5/9 CABLE ASM 1
64 HB-0018100-00 RELAY 1
65 HB-0004800-10 RELAY 1
66 HB-0002100-10 RELAY HOLOER PYC-A1 1
67 401-85779 BKR-FD FLOAT E CABLE ASM 1
68 401-81501 SEPARATE SENSOR RECEIVER ASM 1
69 401-81502 SEPARATE SENSOR EMISSION ASM 1
70 401-82265 BKR-FD FLOATL EFT E CABLE ASM 1
71 401-82818 BKR-BANK AIR SW RELAY CABLE ASM 1
72 401-82260 F BKR-AIR(P) RELAY CABLE ASM 1
73 401-29071 AIR(P) SENSOR CABLE ASM 1
74 401-82228 E BANK SERIAL CABLE ASM 1
75 401-69473 BANK ID PCB (RF) ASM 1
76 401-82213 BANK CABLE (IF S-NX) ASM 1
77 401-82211 BANK CABLE (EXT-POW) ASM 1
78 400-84835 CUT OPEN SE NS ASM 1
79 400-84839 CUT CLOSE SENS ASM 1
80 400-84836 CUT SV CABLE ASM 1
81 401-82212 E BANK PCB-E CUTTER IF CABLE ASM 1
82 401-83784 ELEC BANK R-SIDE PCB ASM 1
83 401-82198 BANK CABLE (33_34-EB2 CN3) ASM 1
84 401-82199 BANK CABLE (35_36-EB2 CN4) ASM 1
85 401-82200 BANK CABLE (37_38-EB2 CN5) ASM 1
86 401-82201 BANK CABLE (39_40-EB2 CN6) ASM 1
87 401-82202 BANK CABLE (41_42-EB2 CN7) ASM 1
88 401-82203 BANK CABLE (43_44-EB2 CN8) ASM 1
89 401-82204 BANK CABLE (45_46-EB2 CN9) ASM 1
90 401-82205 BANK CABLE (47_48-EB2 CN10) ASM 1
91 401-82206 BANK CABLE (49_50-EB2 CN11) ASM 1
92 401-82207 BANK CABLE (51_52-EB2 CN12) ASM 1
93 401-82208 BANK CABLE (53_54-EB2 CN13) ASM 1
94 401-82209 BANK CABLE (55_56-EB2 CN14) ASM 1
95 401-82210 CAN JAMPER CABLE ASM 1
96 401-83783 ELEC BANK L-SIDE PCB ASM 1
97 401-82182 BANK CABLE (1_2-EB1 CN3) ASM 1
98 401-82183 BANK CABLE (3_4-EB1 CN4) ASM 1
99 401-82184 BANK CABLE (5_6-EB1 CN5) ASM 1
100 401-82185 BANK CABLE (7_8-EB1 CN6) ASM 1
101 401-82186 BANK CABLE (9_10-EB1 CN7) ASM 1
102 401-82187 BANK CABLE (11_12-EB1 CN8) ASM 1
103 401-82188 BANK CABLE (13_14-EB1 CN9) ASM 1
104 401-82189 BANK CABLE (15_16-EB1 CN10) ASM 1
105 401-82190 BANK CABLE (17_18-EB1 CN11) ASM 1
106 401-82191 BANK CABLE (19_20-EB1 CN12) ASM 1
107 401-82192 BANK CABLE (21_22-EB1 CN13) ASM 1
108 401-82193 BANK CABLE (23_24-EB1 CN14) ASM 1
109 401-82194 BANK CABLE (25_26-EB1 CN15) ASM 1
110 401-82195 BANK CABLE (27_28-EB1 CN16) ASM 1
111 401-82196 BANK CABLE (29_30-EB1 CN17) ASM 1
112 HE-0005700-00 INDICATOR LAMP 1
113 401-69048 MPC-CAN 1
114 401-87771 MPC CABLE ASM(RS-1) 1