RS-1-Rev00 - 第93页
- - REF.N O NOT E P ART NO D E S C R I P T I O N Q ty 1 40 1- 2887 1 IO CO NTR OL PC B ASM 1 2 40 1- 2932 3 IO-R BKR SE R IAL C ABLE AS M 1 3 40 1- 2887 2 SAF ETY PCB ASM 1 4 40 1- 8224 6 R B KR-S F CA BLE AS M 1 5 40 …

- -
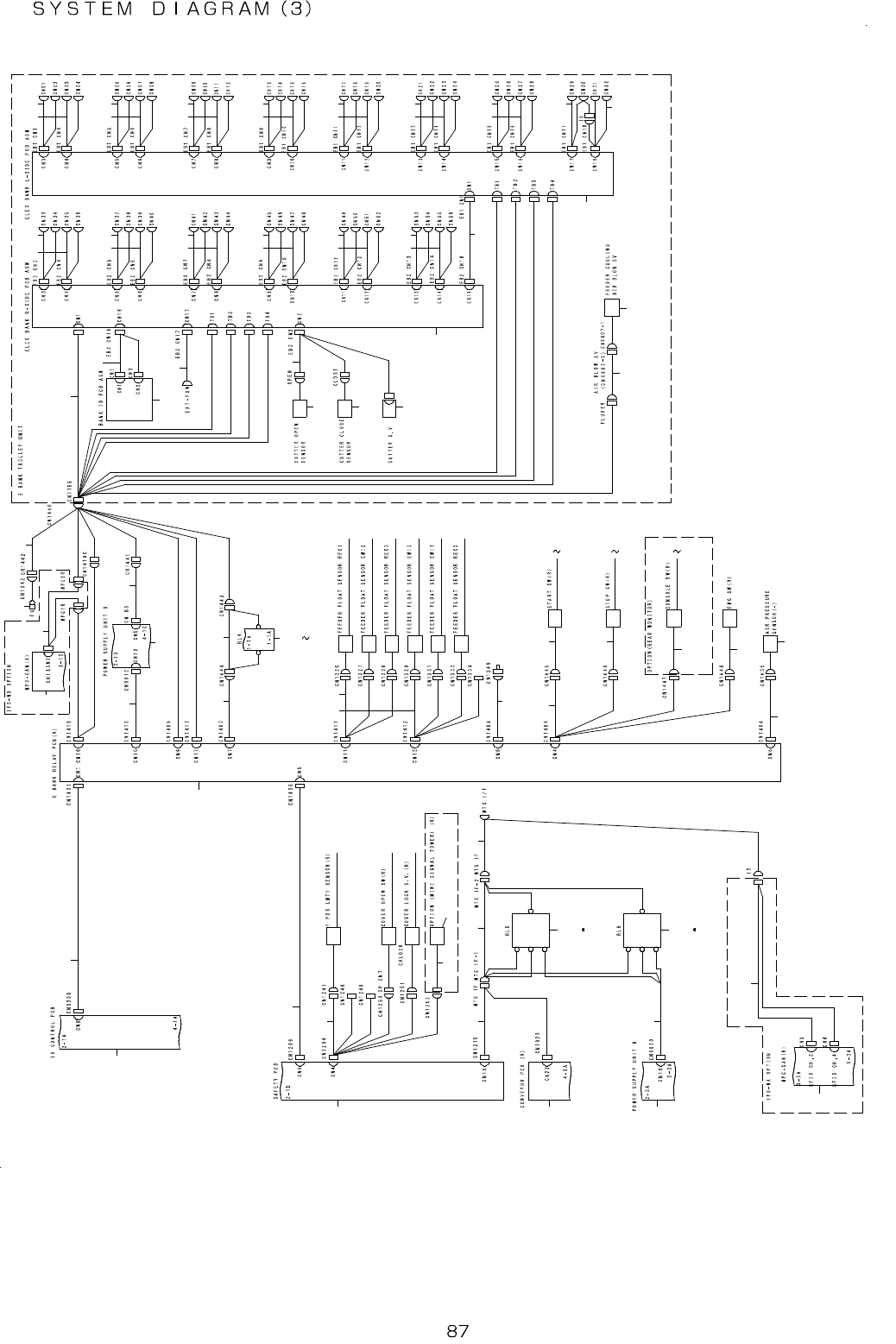
44. SYSTEM DIAGRAM (3)
3 4
3 1
3 2
2 0
1
2
6 0
2 4
9 1
5 9
5 6 5 7 5 8
5 5
5 3
5 4
5 2
6 3
6 4
6 5
6 6
6 7
6 8
6 9
7 0
7 3
7 2
7 1
6 2
6 1
7 4
9 0
8 9
8 8
8 7
8 6
8 5
8 4
8 3
8 2
8 1
8 0
7 9
7 8
7 7
7 6
7 5
S V
2 2
2 1
2 7
1 6
2 5
2 6
2 3
2 8 3 0
3 5
3 33 33 23 33 2
3 6
3 7 4 1
3 8 4 0 4 2 4 4
4 5
4 6 4 9
9 6
5 0
5 1
3
4
5
6 7 8
9 2
1 0
1 1
1 2
1 3 1 6
1 7
1 8 1 91 4 1 5
9 5
9 3
9
9 4
9 3

- -
REF.NO NOTE PART NO D E S C R I P T I O N Qty
1 401-28871 IO CONTROL PCB ASM 1
2 401-29323 IO-R BKR SERIAL CABLE ASM 1
3 401-28872 SAFETY PCB ASM 1
4 401-82246 R BKR-SF CABLE ASM 1
5 401-82245 SF-YR TOP SENSOR RELAY CABLE ASM 1
6 401-65028 XY LMT SENSOR ASM 1
7 400-02254 COVER OPEN SW CABLE ASM 1
8 401-46405 COVER LOCK SV ASM 1
9 401-29010 MINI SIGNAL TOWER CABLE ASM(OP) 1
10 401-82268 MTS I/F CABLE ASM 1
11 401-84212 MTS I/F CABLE2 ASM 1
12 401-29336 MTS I/F BR CABLE ASM 1
13 401-28875 CONVEYOR PCB ASM 1
14 EZ-1755690-11 RELAY POWER (RJ1S-CLD-D24) 1
15 EZ-1755691-11 SOCKET RELAY (SJ1S-05B) 1
16 401-83536 POWER SUPPLY UNIT B ASM 1
17 401-84213 MTS I/F CABLE3 ASM 1
18 EZ-1755690-11 RELAY POWER (RJ1S-CLD-D24) 1
19 EZ-1755691-11 SOCKET RELAY (SJ1S-05B) 1
20 401-28876 E BANK RELAY PCB ASM 1
21 401-29247 F EBKR FG CABLE ASM 1
22 401-82296 EBKR-OUT LOADER SERIAL CABLE ASM2 1
23 401-82248 R BKR EU TOP PWR CABLE ASM 1
24 401-83349 NZL-UP SV CABLE ASM 1
25 401-82226 CN B4/B5-CN1341/1441 CABLE ASM 1
26 401-84380 CN1307/1407 - CN1344/1444 CABLE ASM 1
27 401-84107 CN1443/1444 - RL4_6/10 CABLE ASM 1
28 HB-0018100-00 RELAY 1
29 HB-0004800-10 RELAY 1
30 HB-0002100-10 RELAY HOLOER PYC-A1 1
31 401-85779 BKR-FD FLOAT E CABLE ASM 1
32 401-81501 SEPARATE SENSOR RECEIVER ASM 1
33 401-81502 SEPARATE SENSOR EMISSION ASM 1
34 401-82265 BKR-FD FLOATLEFT E CABLE ASM 1
35 401-82818 BKR-BANK AIR SW RELAY CABLE ASM 1
36 401-29082 R BKR-OPSW RELAY CABLE ASM 1
37 401-29021 START SW CABLE ASM 1
38 HA-0055200-40 SWITCH 1
39 HA-0055200-30 SWITCH 1
40 HA-0055200-1B SWITCH 1
41 401-29022 STOP SW CABLE ASM 1
42 HA-0055200-40 SWITCH 1
43 HA-0055200-30 SWITCH 1
44 HA-0055200-10 SWITCH 1
45 401-29023 CONSOLE SW CABLE ASM 1
46 HA-0055200-40 SWITCH 1
47 HA-0055200-30 SWITCH 1
48 HA-0055200-1C SWITCH 1
49 HA-0053400-70 SWITCH 1
50 401-29151 R BKR-AIR(N) RELAY CABLE ASM 1
51 401-29080 AIR(N) SENSOR CABLE ASM 1
52 401-82228 E BANK SERIAL CABLE ASM 1
53 401-69473 BANK ID PCB (RF) ASM 1
54 401-82213 BANK CABLE (IFS-NX) ASM 1
55 401-82211 BANK CABLE (EXT-POW) ASM 1
56 400-84835 CUT OPEN SENS ASM 1
57 400-84839 CUT CLOSE SENS ASM 1
58 400-84836 CUT SV CABLE ASM 1
59 401-82212 E BANK PCB-E CUTTER IF CABLE ASM 1
60 401-83784 ELEC BANK R-SIDE PCB ASM 1
61 401-82198 BANK CABLE (33_34-EB2 CN3) ASM 1
62 401-82199 BANK CABLE (35_36-EB2 CN4) ASM 1
63 401-82200 BANK CABLE (37_38-EB2 CN5) ASM 1
64 401-82201 BANK CABLE (39_40-EB2 CN6) ASM 1
65 401-82202 BANK CABLE (41_42-EB2 CN7) ASM 1
66 401-82203 BANK CABLE (43_44-EB2 CN8) ASM 1
67 401-82204 BANK CABLE (45_46-EB2 CN9) ASM 1
68 401-82205 BANK CABLE (47_48-EB2 CN10) ASM 1
69 401-82206 BANK CABLE (49_50-EB2 CN11) ASM 1
70 401-82207 BANK CABLE (51_52-EB2 CN12) ASM 1
71 401-82208 BANK CABLE (53_54-EB2 CN13) ASM 1
72 401-82209 BANK CABLE (55_56-EB2 CN14) ASM 1
73 401-82210 CAN JAMPER CABLE ASM 1
74 401-83783 ELEC BANK L-SIDE PCB ASM 1
75 401-82182 BANK CABLE (1_2-EB1 CN3) ASM 1
76 401-82183 BANK CABLE (3_4-EB1 CN4) ASM 1
77 401-82184 BANK CABLE (5_6-EB1 CN5) ASM 1
78 401-82185 BANK CABLE (7_8-EB1 CN6) ASM 1
79 401-82186 BANK CABLE (9_10-EB1 CN7) ASM 1
80 401-82187 BANK CABLE (11_12-EB1 CN8) ASM 1
81 401-82188 BANK CABLE (13_14-EB1 CN9) ASM 1
82 401-82189 BANK CABLE (15_16-EB1 CN10) ASM 1
83 401-82190 BANK CABLE (17_18-EB1 CN11) ASM 1
84 401-82191 BANK CABLE (19_20-EB1 CN12) ASM 1
85 401-82192 BANK CABLE (21_22-EB1 CN13) ASM 1
86 401-82193 BANK CABLE (23_24-EB1 CN14) ASM 1
87 401-82194 BANK CABLE (25_26-EB1 CN15) ASM 1
88 401-82195 BANK CABLE (27_28-EB1 CN16) ASM 1
89 401-82196 BANK CABLE (29_30-EB1 CN17) ASM 1
90 401-82197 BANK CABLE (31_32-EB1 CN18) ASM 1
91 401-86335 FEEDER AIR BLOW CABLE ASM 1
92 HE-0005700-00 INDICATOR LAMP 1
93 401-69048 MPC-CAN 1
94 401-29126 HUB-MTS SERIAL WIRE ASM(IS) 1
95 401-87771 MPC CABLE ASM(RS-1) 1
96 401-29025 EMG SW CABL E ASM 1

- -
45. SYSTEM DIAGRAM (4)
1
2
3 4 5
6 7 1 2
1 1
8 9
1 6 1 7
3 1 4 1 5
1 8 1 9 2 0
2 1
2 2
2 1
2 2
2 5
2 5
2 7
2 6
3 0
3 2
3 1
3 3
3 4
3 5
3 4
3 6
3 8 3 8
3 6
3 7 3 7
3 9 3 9
4 3
4 0
4 6
4 5
4 2
4 4
4 1
4 9 5 1
5 2
4 7
5 0
4 8
5 3
5 5
5 4
5 6 5 8
5 7
5 9 5 9
6 0 6 2
6 1 6 1
6 3
6 4
6 5
6 6
6 7 6 8 6 8
1 0
7 5
7 6
6 9
7 0 7 2 7 2
7 4
7 1
7 3 7 3
1
2 8
2 9
1 3
3 4
3 6 3 6 2 3
3 8 3 8
3 73 7
3 9 3 9
2 42 42 4
2 5
2 2
2 1
2 6