yv100xg_j

制御配線図 YV100Xg KGB 051 1

100%1 / 31
制御配線図
YV100Xg
KGB 0511
YV100Xg (KGB)
Over view
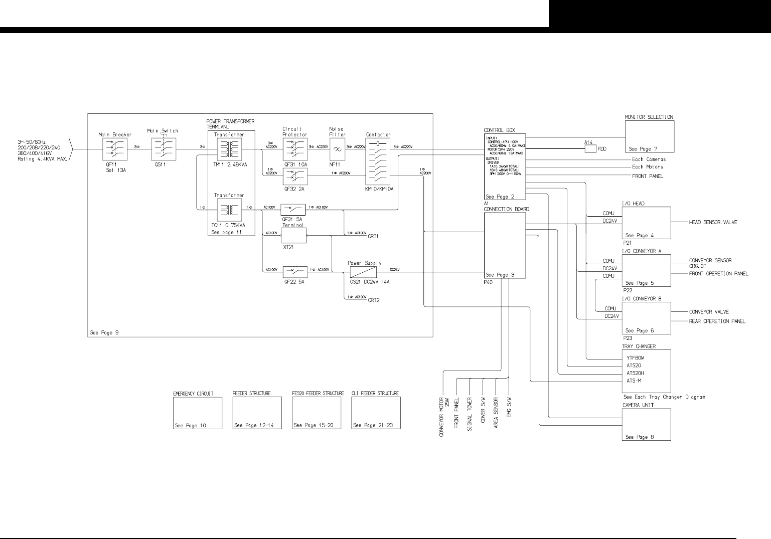
/全体配線図
Control box
/コントローラー接続図
Connection board
/コネクションボード接続図
I/O head
I/O ヘッド
I/O conveyor-A-
I/O コンベアー接続図(A)
I/O conveyor-B-
I/O コンベアー接続図(B)
Monitor sel.
/モニター接続図
Camera unit
/カメラユニット接続図
Power circuit
/電源回路図
Emergency circuit
/非常停止回路図
Power transformer terminal
/電源トランス接続図
Fix20 feeder structure
20 連固定フィーダー接続図
Fix50 feeder structure
50 連固定フィーダー接続図
FES20 feeder structure
20 連台車フィーダー接続図
FES20 safety circuit (non stop) -1-
20 連台車安全回路(ノンストップ)接続図(1/3)
FES20 safety circuit (non stop) -2-
20 連台車安全回路(ノンストップ)接続図(2/3)
FES20 safety circuit (non stop) -3-
20 連台車安全回路(ノンストップ)接続図(3/3)
FES20 safety circuit (normal) -1-
20 連台車安全回路(ノーマル)接続図(1/3)
FES20 safety circuit (normal) -2-
20 連台車安全回路(ノーマル)接続図(2/3)
FES20 safety circuit (normal) -3-
20 連台車安全回路(ノーマル)接続図(3/3)
Cli FIX20 feeder structure
Cli 20 連固定フィーダー接続図
Cli FIX50 feeder structure
Cli 50 連固定フィーダー接続図
Cli FES20 feeder structure
Cli 20 連台車フィーダー接続図
Air circuit (YV100Xg-F)
/エア回路図(YV100Xg-F)
Air circuit (YV100Xg-S)
/エア回路図(YV100Xg-S)
Wiring parts list
/配線部品表
Table of contents
/目次
Con dential & Proprietary
PAGE
1
YV100Xg (KGB)
Con dential & Proprietary
KGB-000-CN05
Over view