yv100xg_j - 第17页
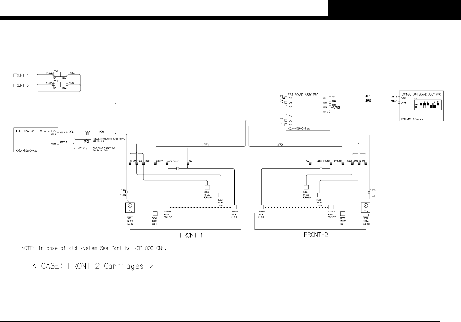
PA G E 15 YV100Xg (KGB) Con fi dential & Proprietary KGB-000-CN05 FES20 safety circuit (non stop) -1-

PAGE
14
YV100Xg (KGB)
Confi dential & Proprietary
KGB-000-CN05
FES20 feeder structure

PAGE
15
YV100Xg (KGB)
Confi dential & Proprietary
KGB-000-CN05
FES20 safety circuit (non stop) -1-

PAGE
16
YV100Xg (KGB)
Confi dential & Proprietary
KGB-000-CN05
FES20 safety circuit (non stop) -2-