yv100xg_j - 第20页
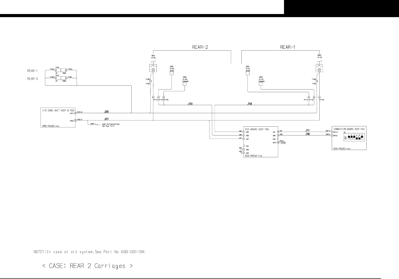
PA G E 18 YV100Xg (KGB) Con fi dential & Proprietary KGB-000-CN05 FES20 safety circuit (normal) -1-

PAGE
17
YV100Xg (KGB)
Confi dential & Proprietary
KGB-000-CN05
FES20 safety circuit (non stop) -3-

PAGE
18
YV100Xg (KGB)
Confi dential & Proprietary
KGB-000-CN05
FES20 safety circuit (normal) -1-

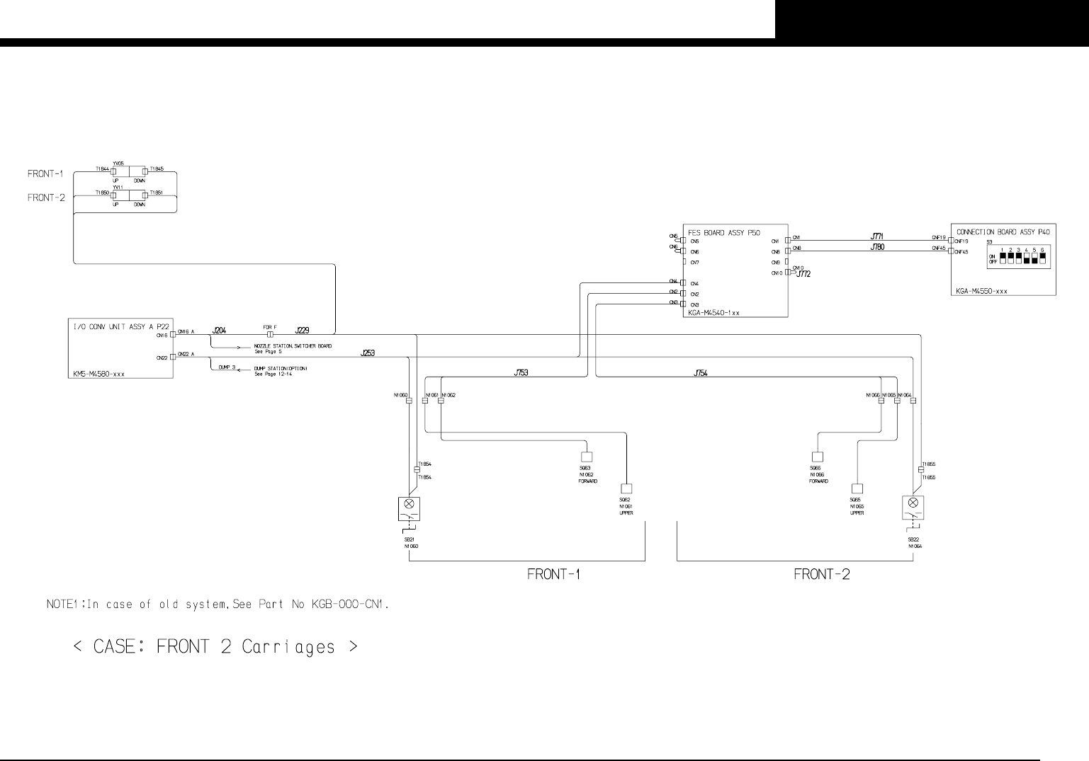
PAGE
19
YV100Xg (KGB)
Confi dential & Proprietary
KGB-000-CN05
FES20 safety circuit (normal) -2-