yv100xg_j - 第21页
PA G E 19 YV100Xg (KGB) Con fi dential & Proprietary KGB-000-CN05 FES20 safety circuit (normal) -2-

PAGE
18
YV100Xg (KGB)
Confi dential & Proprietary
KGB-000-CN05
FES20 safety circuit (normal) -1-

PAGE
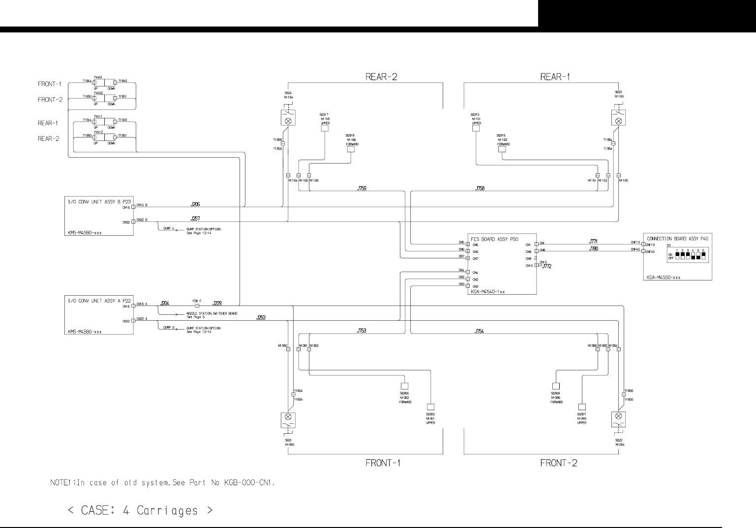
19
YV100Xg (KGB)
Confi dential & Proprietary
KGB-000-CN05
FES20 safety circuit (normal) -2-

PAGE
20
YV100Xg (KGB)
Confi dential & Proprietary
KGB-000-CN05
FES20 safety circuit (normal) -3-