yv100xg_j - 第6页
PA G E 4 YV100Xg (KGB) Con fi dential & Proprietary KGB-000-CN05 I/O head

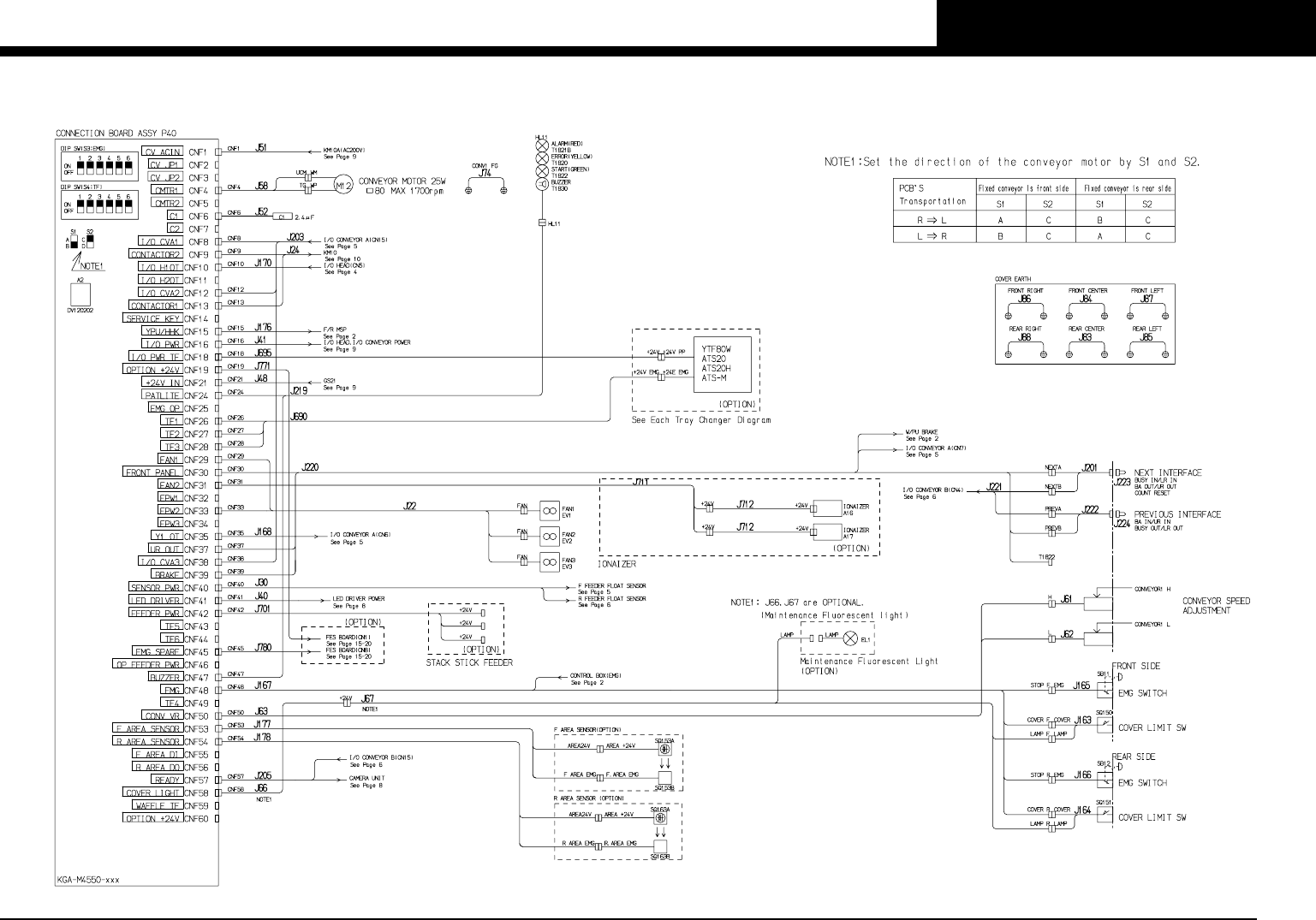
PAGE
3
YV100Xg (KGB)
Confi dential & Proprietary
KGB-000-CN05
Connection board

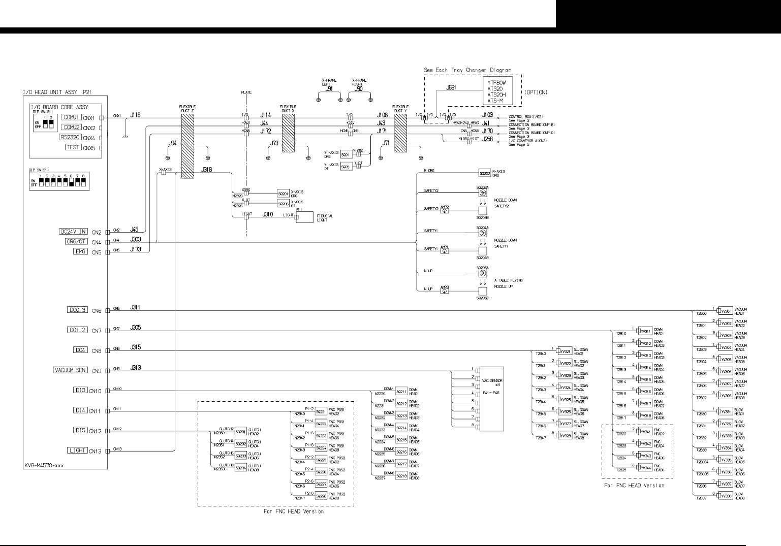
PAGE
4
YV100Xg (KGB)
Confi dential & Proprietary
KGB-000-CN05
I/O head

PAGE
5
YV100Xg (KGB)
Confi dential & Proprietary
KGB-000-CN05
I/O conveyor-A-