RF08AS_RF12AS_RF16AS_RF24AS_RF32AS-Rev01 - 第11页
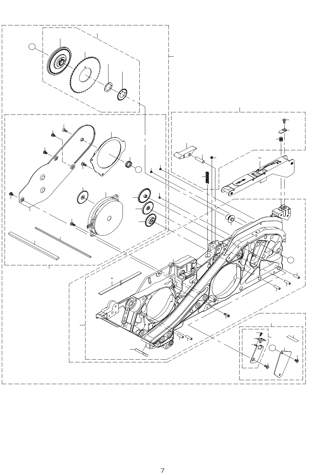
- - REF.NO NOTE PART NO D E S C R I P T I O N Qty 1 401-75338 FRAME_ UNIT_12K 1 2 401-79604 MA IN_FRAME_12K _ADC (1) 3 401-67228 FEED_ WHEEL_SH_ 08K ( 1) 4 401-67216 GEAR_ SH_08K ( 5) 5 E6347-705-0 00 F ASTENER PI N B…

- -
4. RF12AS/RF16AS/RF24AS (1)
3
4
4
4
4
5
4
2
1 8
1 9
1 7
1 6
2 1
2 0
1 5
1 3
1 4
1 2
1 1
1 0
3 3
3 4
3 5
3 6
2 5
2 6
2 6
2 7
1
2 6
2 8
2 9
2 9
3 0
3 2
3 2
3 2
3 1
4 1
4 2
4 0
4 5
4 6
4 4
4 3
3 9
A
A
6 7
4 7 4 9
2 4
9
8
B
B
2 2
2 3
3 8
3 7

- -
REF.NO NOTE PART NO D E S C R I P T I O N Qty
1 401-75338 FRAME_UNIT_12K 1
2 401-79604 MAIN_FRAME_12K_ADC (1)
3 401-67228 FEED_WHEEL_SH_08K (1)
4 401-67216 GEAR_SH_08K (5)
5 E6347-705-000 FASTENER PIN BX3 (1)
6 401-71153 SPONGE_FM (2)
7 401-77383 SPONGE_FD_02 (1)
8 401-72607 SPONGE_FH (1)
9 401-75339 FEED_UNIT_12K 1
10 401-75340 FEED_WHEEL_ASSY_12K (1)
11 401-72610 SLIT_PLATE_12K (1)
12 401-72611 SLIT_PLATE_TAPE_12K (1)
13 401-72609 FEED_GEAR_A_12K (1)
14 401-67219 FEED_WHEEL_08K (1)
15 401-75341 PP_SENSOR_12K_UNIT (1)
16 401-75342 PP_SENSOR_12K_SUB_ASSY (1)
17 400-85419 SCREW M2X4 (2)
18 401-72617 PP_SENSOR_BR_12K (1)
19 401-62444 ETF PP SENS PCB ASM (1)
20 401-67279 COVER_CS_SCREW_MAC_M26X6 (1)
21 401-72618 PP_SENSOR_COVER_12K (1)
22 401-67277 SUPER_LOW_HEAD_SCREW_M26X4 (2)
23 400-95428 SINGLE SIDE ADHESION TAPE50 (0.02)
24 401-75343 FEED_GEAR_ASSY_12K (1)
25 401-67202 FEED_GEAR_E_08K (1)
26 401-72608 LINER_STUD_12K (3)
27 401-71255 FEED_GEAR_GUARD_08K_P (1)
28 401-67264 SPROKET_THRUST_SP_08K (1)
29 401-67278 BINDING_HEAD_SCREW_M26X6 (4)
30 401-67260 FEED_GEAR_COVER_12K (1)
31 401-67279 COVER_CS_SCREW_MAC_M26X6 (1)
32 401-67277 SUPER_LOW_HEAD_SCREW_M26X4 (3)
33 401-66950 MOTOR_ASSY_12K (1)
34 401-67205 FEED_GEAR_B_08K (1)
35 401-67204 FEED_GEAR_C_08K (1)
36 401-67203 FEED_GEAR_D_08K (1)
37 401-77382 SPONGE_FC_02 (1)
38 401-77384 SPONGE_FD_03 (1)
39 401-75344 UPPER_COVER_BASE_UNIT_12K 1
40 401-72671 UCSP_R_12K (1)
41 401-67225 UPPER_PUSHER_BR_08K (1)
42 401-67279 COVER_CS_SCREW_MAC_M26X6 (1)
43 401-72620 UPPER_COVER_HOOK_12K (1)
44 401-72621 UPPER_COVER_HOOK_PIN_12K (1)
45 SM-8030302-TP SCREW M3X3 (1)
46 401-67263 UC_HOOK_SP_08K (1)
47
#01
401-75350 UPPER_COVER_UNIT_12K 1
48
#02
401-75360 UPPER_COVER_UNIT_16K 1
49
#03
401-75362 UPPER_COVER_UNIT_24K 1

- -
5. RF12AS/RF16AS/RF24AS (2)
7 9
1 0
1 2
1 3
1 4
1 5
2 0 2 2
2 3 2 5
1 9
1 6 1 8
4 6
3 2
3 3
4 5
3 4
2 9 3 1
3 9 4 1
4 2 4 4
3 5 3 7
3 8
2 6 2 8
6 1
6 7
6 6
6 3
6 5
6 4
6 0
7 4
7 5
6 9
5 2 5 4
5 5 5 7
5 8
7 1
7 3
7 0
6 8
8 3
8 2
8 2
7 7
7 8
7 9
8 0
8 1
7 2
6 2
1 3
7 6
4 9 5 1
4 6
5 9
4 7
4 8