00197727-12_IM_SE3.11_DE - 第14页
2 Systemkomponenten und -Konfigurationen Installations- und Konf igurationsanleitung SIPLACE Explorer 2.2 SIPLACE Explorer in der SIP LACE Softwarelandschaft Ausgabe 1 1/2020 DE 14 – SIPLACE Explorer: SIPLACE Explorer li…
Installations- und Konfigurationsanleitung SIPLACE Explorer 2 Systemkomponenten und -Konfigurationen
Ausgabe 11/2020 DE 2.2 SIPLACE Explorer in der SIPLACE Softwarelandschaft
13
Mit SIPLACE Explorer Runtime Environment können Sie mehrere Fertigungslinien gleichzeitig
überwachen. Der Computer auf welchem SIPLACE Explorer Runtime Environment installiert ist,
nennt sich SIPLACE Explorer Host. Auf diesem Host können bis zu fünf Fertigungslinien mit bis
zu 20 Stationen gleichzeitig überwacht werden. Haben Sie auch das Werks-Konfigurations-Utility
installiert, können Sie Werks-Berichte konfigurieren. 2
Zusätzlich können Sie zur Überwachung von mehreren Fertigungslinien im Werk eine spezielle
Werks-Website generieren. Diese spezielle Werks-Website ist die zentrale Einstiegsseite für alle
laufenden Linien-Applikationen. 2
In SIPLACE Explorer können Sie über die Werks-Konfigurations-Utility das Benutzer-
Management zentral organisieren. Dort werden alle Benutzer administriert, die bestimmte Rechte
auf der Linien-Ebene haben sollen. Wird das zentrale Benutzer-Management nicht verwendet,
stehen auf Linien- Ebene nur zwei Standard-Benutzer zur Verfügung: Administrator und Operator.
Weitere Benutzer können auf Linien-Ebene nicht angelegt werden. 2
2.2 SIPLACE Explorer in der SIPLACE Software-
landschaft
Die SIPLACE Softwarelandschaft mit SIPLACE Explorer besteht aus den nachfolgenden Soft-
ware-Komponenten: 2
– Stations-Software:
Die Stations-SW stellt SIPLACE Explorer über die OIS-Schnittstelle Verbrauchsdaten, Feh-
lerdaten und Daten über den Maschinenstatus zur Verfügung.
Die Stations-SW ist die Quelle aller Betriebsdaten. 2
–SIPLACE Pro:
Über SIPLACE Pro wird der gesamte Betrieb der Fertigungslinien gesteuert, wie z.B. Pro-
grammieren der Bestückprogramme, Verwalten und Konfigurieren der Fertigungslinien und
Stationen, Erstellung von Rüstungen.
SIPLACE Pro ist die Quelle aller Bestückdaten. 2
– Operator Information System (OIS):
OIS speichert Verbrauchsdaten, Fehlerdaten und Daten über den Maschinenstatus. Diese
Daten erhält OIS von der Stations-SW, speichert sie in die OIS-Datenbank und stellt sie
SIPLACE Explorer über OIS Datenbankviews zur Verfügung.
– Setup Information System (SIS):
SIS speichert Rüstdaten. Diese Daten erhält SIS von SIPLACE Pro, speichert sie in die
SIS-Datenbank und stellt sie SIPLACE Explorer über SIS Datenbankviews zur Verfügung.

2 Systemkomponenten und -Konfigurationen Installations- und Konfigurationsanleitung SIPLACE Explorer
2.2 SIPLACE Explorer in der SIPLACE Softwarelandschaft Ausgabe 11/2020 DE
14
– SIPLACE Explorer:
SIPLACE Explorer liest die Daten aus OIS und SIS, speichert sie in der SIPLACE Explorer
Datenbank und stellt diese dem Benutzer zur Verfügung.
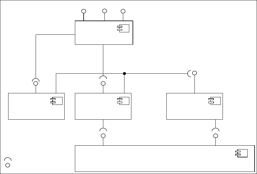
Die folgende Übersicht stellt die nötigen Software-Komponenten im SIPLACE-LAN dar: 2
2
Abb. 2.2 - 1 Software-Komponenten im SIPLACE-LAN
Station-SW
<<Bauelement >>
IDownload
SIPLACE Pro
<< Bauelement>>
SPI
IOIS
OIS
<< Bauelement >>
SIPLACE Explorer
<< Bauelement >>
SIS
<< Bauelement >>
SIS DB-View
OIS DB -View
IBackflush
Schnittstellen
IMaintenance
Manager
ITraceHost

Installations- und Konfigurationsanleitung SIPLACE Explorer 2 Systemkomponenten und -Konfigurationen
Ausgabe 11/2020 DE 2.3 Standard-Installations-Varianten des SIPLACE Explorer
15
2.3 Standard-Installations-Varianten des SIPLACE
Explorer
In SIPLACE Explorer gibt es verschiedene Installations-Varianten für die unterschiedlichen
Komponenten. In diesem Abschnitt werden folgende Installations-Varianten aufgezeigt: 2
– Factory Layout Cl (siehe Seite 15)
– Factory Layout Dl (siehe Seite 17)
– Single-Line-Layout (siehe Seite 19)
Diese Installations-Varianten gelten als Empfehlungen. Wählen Sie eine dieser Installations-
Varianten für Ihre Installation aus. 2
2.3.1 Factory Layout Central Installation (CI)
Mit dem Factory-Layout-Cl werden sog. "Multi Lines" unterstützt, d.h. innerhalb einer Fertigungs-
linie werden verschiedene Plattformen der Stations-Software unterstützt. Der gesamte Betrieb der
Fertigungslinien wird über ein zentrales SIPLACE Pro mit den entsprechenden OIS-/SIS-Installa-
tionen gesteuert. 2
SIPLACE Pro ist auf dem SIPLACE Linien-Server und auf dem Factory-Server installiert und OIS/
SIS auf dem SIPLACE Linien-Server. 2
Bei dieser Installations-Variante wird SIPLACE Explorer immer auf einem separaten SIPLACE Ex-
plorer Server installiert. Dabei werden alle Komponenten von SIPLACE Explorer auf diesem Ser-
ver installiert. Somit kann die Administration und ein möglicher Update von SIPLACE Explorer
zentral an einer Stelle erfolgen. 2
Auf dem SIPLACE Explorer Server werden die zu überwachenden Daten von allen dazugehöri-
gen Fertigungslinien gesammelt. 2
HINWEIS
Auf diesem Computer können die Daten von bis zu 5 Applikationen mit bis zu 20 Maschinen
überwacht werden. 2
Die folgende Übersicht stellt ein Beispiel für die Installations-Variante "Factory-Layout Cl" dar: 2