CM602 FEEDER(Mechanical 20170529) - 第141页
Ref No. Remark s R 1 Q'ty 2-A T/F ; 72mm ;深さ 21m m ;タ イプA Tape Feeder; 72 mm; depth 21mm; T ype A イラスト No. Part No. 品 名 品番 数量 R 2 パーツリスト Kit N o . キット 品 番 Kit Name キット名称 KXFW 1L0UA00 Part Nam e 備 考 セクションN o. PARTS L…

2-A
T/F
;
72mm
;深さ
21mm
;タ
イプA
Tape Feeder; 72 mm; depth 21mm; Type A
パーツレイアウト
Kit No.
キット品
番
Kit Name
キット名称
KXFW1L0UA00
セクションNo.
PARTS LAYOUT
Section No.
--
M5
( KKXFW1L0UA00-44-1 )

Ref
No.
Remarks
R
1
Q'ty
2-A
T/F
;
72mm
;深さ
21mm
;タ
イプA
Tape Feeder; 72 mm; depth 21mm; Type A
イラスト
No.
Part No.
品 名品番 数量
R
2
パーツリスト
Kit N
o
.
キット品
番
Kit Name
キット名称
KXFW1L0UA00
Part Name
備 考
セクションNo.
PARTS LIST
Section No.
R
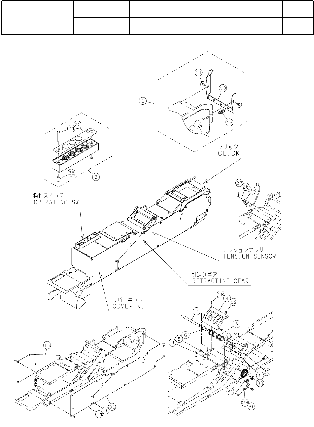
3
PRESSER-COVER
1
1 N610090964AB
TENSIONER
1
2 N610001300AC
PIN
1
3 KXFA1M9AA00
COVER
1
4 N210001897AB
MAGNET
1
5 KXF0DYAZA00 NEO33
SCREW
1
6 XXE25C3FP
Hexagon socket set screw Flat point M2.5X3-45H SCHP
COVER
1
7 N210020703AB
COVER
1
8 MTPB008933AA
GUIDE
1
9 N210006458AB
PIN
2
10 KXFA1PQ5B00
PRESSER-PLATE
1
11 N610072587AB
GUIDE
1
12 MTPB008949AA
SCREW
2
13 KXF0DYAJA00 S020659-2001(DDA)
PIN
2
14 N210001880AA
SPRING
3
15 N210114131AA
SCREW
6
16 XSN25+6VW
Cross recessed Pan head machine screw M2.5X6-A2-70
BUSH
2
17 KXF0CWGAA00 80F-0610
PIN
1
18 KXFA1KAAA00
PIN
2
19 KXFA1KRAA00
PIN
1
20 KXFA1M8AA00
GEAR
1
21 N210154560AA
COMB
1
22 N210154556AB
LEVER
1
23 N210001887AB
PIN
1
24 KXFA1MAAA00
PIN
1
25 KXFA1M6AA00
LEVER
1
26 N210001888AB
ROLLER
2
27 KXFA1M5AA00
PIN
2
28 KXFA1KAAA00
SPRING
1
29 KXF0DK6AA00 (DA 0DK6A)
LEVER
1
30 KXFA1PAAA00
LEVER
1
31 KXFA1NSAA00
PIN
1
32 N210044529AA
M6
--
( KKXFW1L0UA00-44-1 )

2-B
T/F
;
72mm
;深さ
21mm
;タ
イプA
Tape Feeder; 72 mm; depth 21mm; Type A
パーツレイアウト
Kit No.
キット品
番
Kit Name
キット名称
KXFW1L0UA00
セクションNo.
PARTS LAYOUT
Section No.
--
M7
( KKXFW1L0UA00-44-2 )