JX-350_使用说明书 - 第340页
第 1 部 基本篇 第 3 章 维护 3- 48 b- 负压 X P la r ail 真空 泵 弯头 直 通接头 直 通接头 直 通接头 直 通接头 Y P la r ail Y P la r ail X P la r ail 弯头 L 侧 H EAD R 侧 X Plarail 出口 X Plarail 出口 弯头 弯头 检 查阀 消 音器 减 压器 插头 φ6 阳 螺纹接 头 负 压计 Y 形三通接头 Y 形三通接头 Y 形三通接…

第 1 部 基本篇 第 3 章 维护
3-47
3-9 管道系统图
(1)管道系统图(主机)
a-(正气压)
工厂气压
插头
指状阀
气源处理联件
多支管
减压器
减压器
减压器
插头φ8
正压计
Y三通接头
Head上升气缸
异形接头
调压器
异形接头
HEAD 正压
传送电磁阀
插头φ4
减压弯头
减压弯头
插头φ8
插头φ8
插头φ8
Y三通接头
MTS_IF面板
驱动气缸
前侧
Y三通接头
Y三通接头
台架升降机(OP)
切带器(OP)
Y三通接头
Y三通接头
【OUT】
【IN】
直通接头
直通接头
直通接头
直通接头
XPlarail
XPlarail
YPlarail
YPlarail
Y三通接头
ATC
CAL
减压弯头
车间推车气压
前侧
车间推车气压
后侧
驱动气缸
后侧
(OP)
(OP)

第 1 部 基本篇 第 3 章 维护
3-48
b-负压
XPlarail
真空泵
弯头
直通接头
直通接头
直通接头
直通接头
YPlarail YPlarail
XPlarail
弯头
L侧
HEAD
R侧
XPlarail出口 XPlarail出口
弯头
弯头
检查阀
消音器
减压器
插头φ6
阳螺纹接头
负压计
Y形三通接头
Y形三通接头
Y形三通接头
弯头
插头

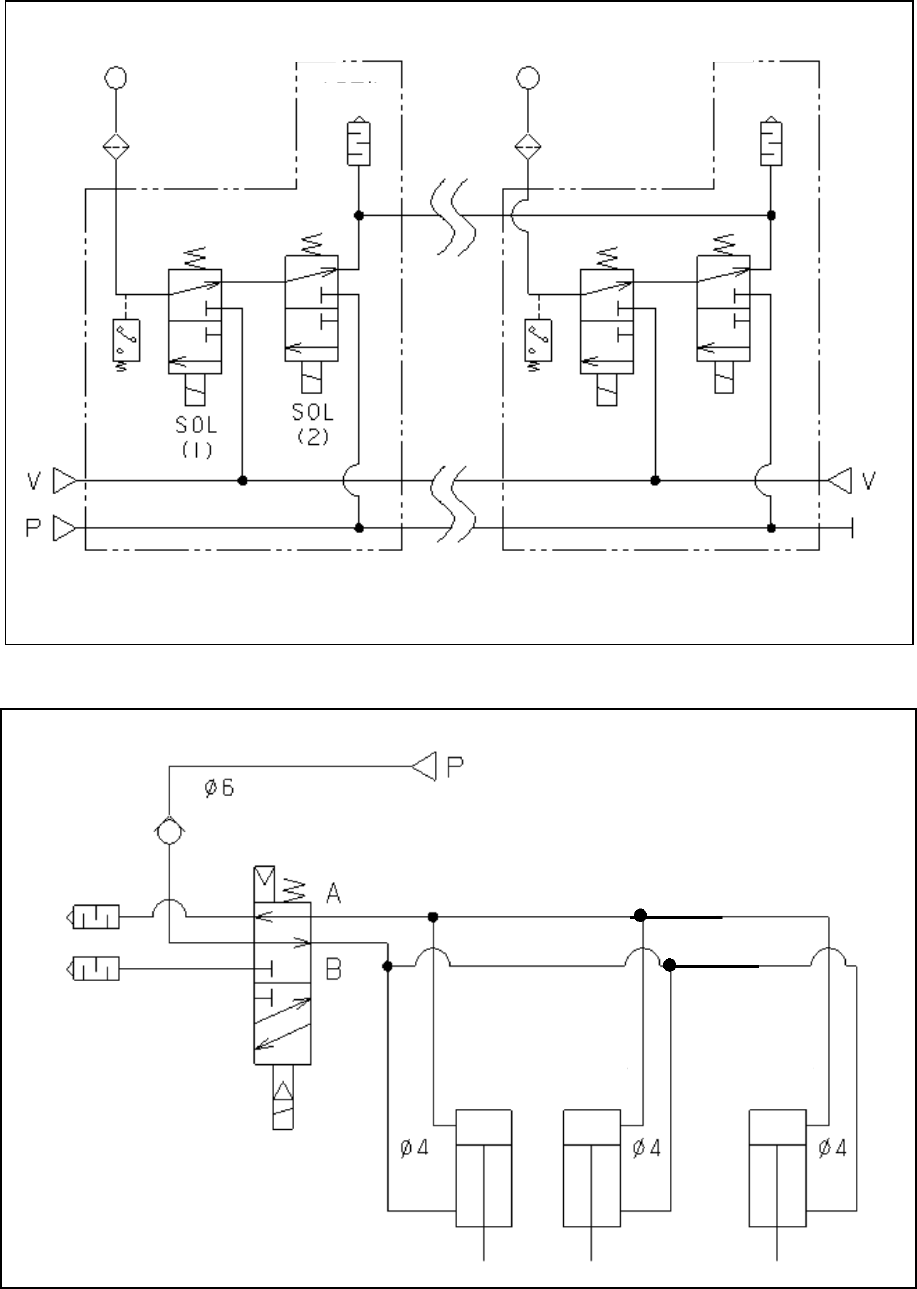
第 1 部 基本篇 第 3 章 维护
3-49
(2) 管道系统图(Head)
第 6 排 第 1 排
吸嘴
开放大气
过滤器
压力
传感器
V:来自负压(φ8)真空泵 V:来自负压(φ8)真空泵
P:来自正压(φ6)多支管
P:来自正压(φ6
)空气单元
检查阀
气缸 气缸
气缸