JX-350_使用说明书 - 第44页
第 1 部 基本篇 第 1 章 装置概要 1- 28 ◇ RE ADY OUT (IN ) 及 BOA R D A V AILABLE 信号的接口电路,参见 下 图。 依据 S MEMA 规格。 GND ( 24V ) + + 24 V 3.3K 1/4W READY OUT + BOAR D A V AILABLE IN + READY OUT - BOAR D A V AILABLE IN - N.C. 1 2 3 4 5 14 R…

第 1 部 基本篇 第 1 章 装置概要
1-27
主机正面左侧的接口表
No.
信号名
传送方向
向右流向
信号名
传送方向
向左流向
使用的接口
1
READY OUT
+
READY IN
+
AMP
206043-1
电缆侧
接口
206044-1
2
READY OUT
-
READY IN
-
(
GND
)
3
BOARD AVAILABLE IN
+
BOARD AVAILABLE OUT
+
4
BOARD AVAILABLE IN
-(
GND
)
BOARD AVAILABLE OUT
-
5
N.C.
N.C.
6
N.C.
N.C.
7
N.C.
N.C.
8
N.C.
N.C.
9
N.C.
N.C.
10
N.C.
N.C.
11
N.C.
N.C.
12
N.C.
N.C.
13
N.C.
N.C.
14
N.C.
N.C.
主机正面右侧的接口表
No.
信号名
传送方向
向右流向
信号名
传送方向
向左流向
使用的接口
1
READY IN
+
READY OUT
+
AMP
206043-1
电缆侧
接口
206044-1
2
READY IN
-
(
GND
)
READY OUT
-
3
BOARD AVAILABLE OUT
+
BOARD AVAILABLE IN
+
4
BOARD AVAILABLE OUT
-
BOARD AVAILABLE IN
-(
GND)
5
N.C.
N.C.
6
N.C.
N.C.
7
N.C.
N.C.
8
N.C.
N.C.
9
N.C.
N.C.
10
N.C.
N.C.
11
N.C.
N.C.
12
N.C.
N.C.
13
N.C.
N.C.
14
N.C.
N.C.

第 1 部 基本篇 第 1 章 装置概要
1-28
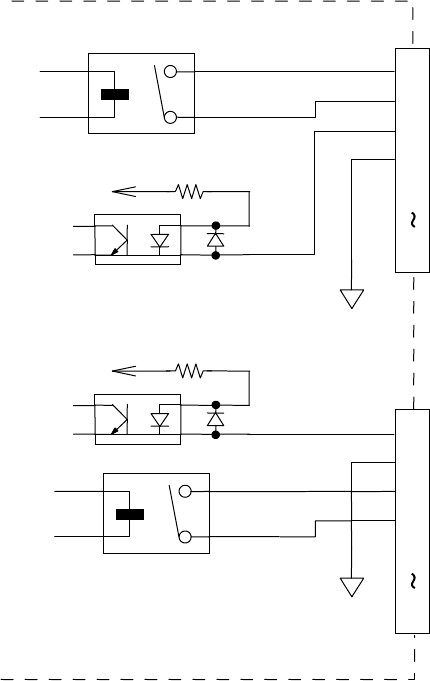
◇ READY OUT(IN) 及 BOARD AVAILABLE 信号的接口电路,参见下图。
依据 SMEMA 规格。
GND(
24V)
+
+ 24V
3.3K 1/4W
READY OUT +
BOAR
D AVAILABLE IN +
READY OUT -
BOARD AVAILABLE IN -
N.C.
1
2
3
4
5
14
READY IN +
BOARD AVAILABLE OUT +
READY IN -
BOARD AVAILABLE OUT -
N.C.
1
2
3
4
5
14
+ 24V
3.3K 1/4W
+
GND(24V)

第 1 部 基本篇 第 1 章 装置概要
1-29
1-5 对象元件及元件包装
(1) 适用元件尺寸
激光识别
(LNC60)
元件尺寸(长×宽)
最小:0.6mm×0.3mm
最大:□33.5mm (或对角 47mm)
元件高度
SC
规格:
0.1mm(0603
时
)
~
6.0mm
NC
规格:
0.1mm(0603
时
)
~
12.0mm
引脚间距
0.65mm
以上
球间距
1.0mm
~
1.27mm
*1: LNC60 的 6 个吸嘴可同时识别的元件最大元件尺寸为□10.0mm。使用 LNC60 对大于□
10mm 的元件进行贴片时,仅能使用 2 个贴片头吸取。
*2: 最大尺寸,吸取时的吸取 XY 误差±1mm 以下、角度误差±3°以下。
*3: □20mm~□33.5mm 仅可在 L3 或 L4 下使用。
*4: 1,2,5,6 吸嘴,即使超过□20mm,也可适用 26.5x11mm (严格标准为长边 26.5mm 以下、
且短边 20mm 以下、且对角 30.7mm 以下的元件)。
*5: 安装
螺丝式吸嘴时,可适用于最大
φ
25 的元件。
*6: 激光识别,引脚间距、球间距不能同时识别。
*7:各种吸嘴的识别元件尺寸,列表如下。
吸嘴# 同时测量
留空量
(
激光面与元件
)
适用元件尺寸
1
0.60 × 0.30mm
~
□10.00mm
(直径 15.0mm 以内)
2.15mm
□20.00mm
2
3
2.81mm
□33.50mm
4
5
2.15mm
□20.00mm
6
#1
#2
#3
#4
#5
#6
26.5
53.0
120.0
17.5
*8:□20~□33.5mm 只在 L3 或 L4 下才可使用。