JX-350_使用说明书 - 第871页
第 2 部 功能详解篇 第 13 章 程序补充 13 -7 J 形引脚插座 外型尺寸 横 外型尺寸 纵 元件高度 引脚间距 引脚长度 鸥翼式 插座 外型尺寸 横 外型尺寸 纵 元件高度 引脚间距 引脚长度 带减震 器的插座 外型尺寸 横 外型尺寸 纵 元件高度 引脚间距 引脚长度

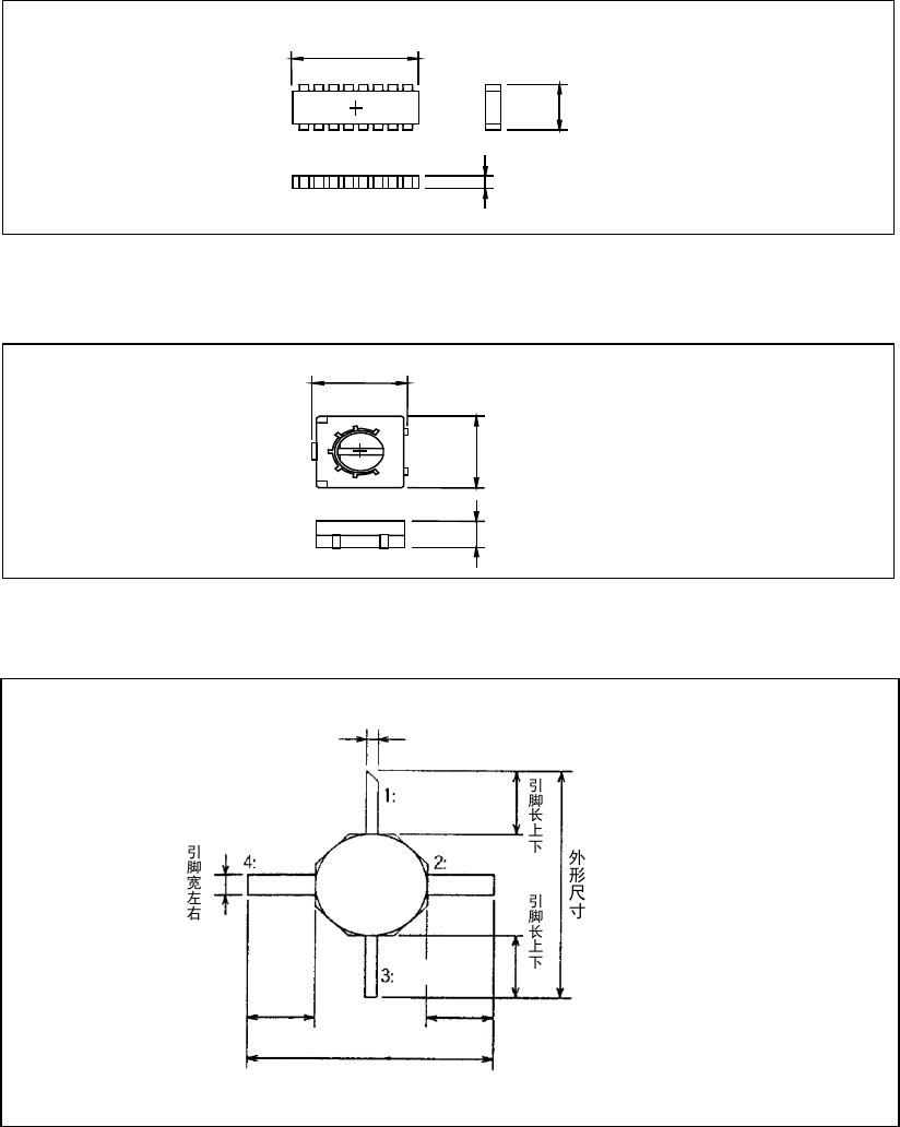
第 2 部 功能详解篇 第 13 章 程序补充
13-6
网络电阻
外形尺寸 横
元件高度
外型尺寸 纵
微调电容器
外型尺寸 横
元件高度
外型尺寸 纵
GaAsFET(仰视图)
外形尺寸
Source
Gate
Source
Drain
引脚长左右
引脚长左右
引脚宽上下

第 2 部 功能详解篇 第 13 章 程序补充
13-7
J 形引脚插座
外型尺寸 横
外型尺寸 纵
元件高度
引脚间距
引脚长度
鸥翼式插座
外型尺寸 横
外型尺寸 纵
元件高度
引脚间距
引脚长度
带减震器的插座
外型尺寸 横
外型尺寸 纵
元件高度
引脚间距
引脚长度

第 2 部 功能详解篇 第 13 章 程序补充
13-8
单向引脚连接器
双向引脚连接器
Z 引脚连接器
外形尺寸 纵
元件高度
引脚长度 纵
引脚间距
外形尺寸 横
引脚间距
元件高度
外形尺寸 纵
外形尺寸 横
引脚长度 纵
外形尺寸 纵
下边引脚向右侧移动半个引脚间距
外形尺寸 横
元
件高度
引脚长度 纵
引脚间距