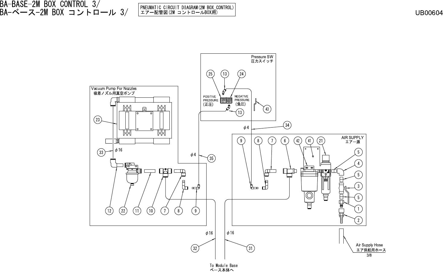
PTS-NXT-03JE_.pdf - 第138页
BA-BASE-2M BOX CONTROL 2/ BA- ベース -2M BOX コントロール 2/ UB00604 No. Drg.No. & Code No. QTY Description Rating Materials Remark 番号 図番 & コード番号 個数 品名 規格 材質 備考 1 PB34060 1 COVER カバー FE 2 PB34040 1 PLATE プレート FE 3 H5292A…

121

BA-BASE-2M BOX CONTROL 2/
BA-ベース-2M BOX コントロール 2/
UB00604
No. Drg.No. & Code No. QTY Description Rating Materials Remark
番号 図番 & コード番号 個数 品名 規格 材質 備考
1 PB34060 1 COVER カバー FE
2 PB34040 1 PLATE プレート FE
3 H5292A 3 BOLT, HEX SOCKET ボルト 六角穴 M04X020 1ハコ500ケ FE
4 W1022A 3 WASHER, LOCK ワッシャ スプリング 4M/M 1ハコ15000ケイリ ハコガイ FE
5 PB34110 3 BKT BKT FE
6 H5287A 6 BOLT, HEX SOCKET ボルト 六角穴 M04X008 1ハコ500ケ ゼンネジ FE
7 W1022A 6 WASHER, LOCK ワッシャ スプリング 4M/M 1ハコ15000ケイリ ハコガイ FE
8 PB34120 3 BKT BKT FE
9 H5287A 6 BOLT, HEX SOCKET ボルト 六角穴 M04X008 1ハコ500ケ ゼンネジ FE
10 W1022A 6 WASHER, LOCK ワッシャ スプリング 4M/M 1ハコ15000ケイリ ハコガイ FE
11 PB34050 1 PLATE プレート FE
12 PB34130 1 BKT BKT FE
13 H5287A 2 BOLT, HEX SOCKET ボルト 六角穴 M04X008 1ハコ500ケ ゼンネジ FE
14 W1022A 2 WASHER, LOCK ワッシャ スプリング 4M/M 1ハコ15000ケイリ ハコガイ FE
15 PB34140 1 BKT BKT FE
16 H5287A 2 BOLT, HEX SOCKET ボルト 六角穴 M04X008 1ハコ500ケ
ゼンネジ FE
17 W1022A 2 WASHER, LOCK ワッシャ スプリング 4M/M 1ハコ15000ケイリ ハコガイ FE
18 PZ17520 1 SEAL シール FE
122

123