PTS-NXT-03JE_.pdf - 第256页
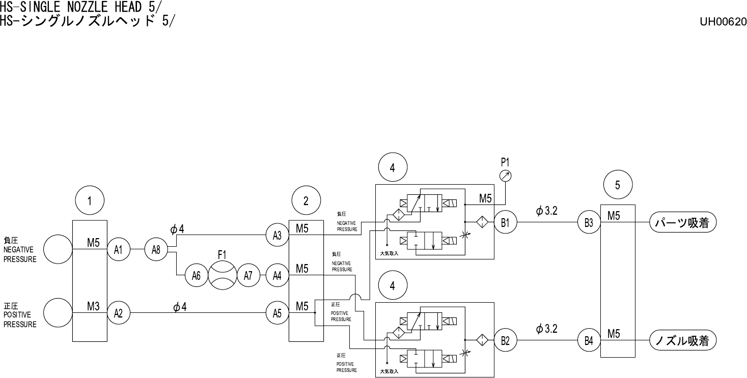
HS-SINGLE NOZZLE HEAD 5/ HS- シングルノズルヘッド 5/ UH00620 No. Drg.No. & Code No. QTY Description Rating Materials Remark 番号 図番 & コード番号 個数 品名 規格 材質 備考 1 PM2038* 1 BODY 本体 FE 2 PM3886* 1 MANIFOLD マニホールド AL 4 XB0144* 2 VA…

239

HS-SINGLE NOZZLE HEAD 5/
HS-シングルノズルヘッド 5/
UH00620
No. Drg.No. & Code No. QTY Description Rating Materials Remark
番号 図番 & コード番号 個数 品名 規格 材質 備考
1 PM2038* 1 BODY 本体 FE
2 PM3886* 1 MANIFOLD マニホールド AL
4 XB0144* 2 VALVE, AIR バルブ エアー OT
5 PM2077* 1 SLIDER スライダ AL
A1 A4068H 1 ELBOW エルボ M-5ALU-4 OT
A2 A4067A 1 ELBOW エルボ M-3ALU-4 OT
A3 N2030T 1 NIPPLE ニップル M-5AU-4 OT
A4 N2030T 1 NIPPLE ニップル M-5AU-4 OT
A5 N2030T 1 NIPPLE ニップル M-5AU-4 OT
A6 A4068H 1 ELBOW エルボ M-5ALU-4 OT
A7 A4068H 1 ELBOW エルボ M-5ALU-4 OT
A8 Y30742 1 UNION ユニオン KQ2U04-00 OT
B1 A4068G 1 ELBOW エルボ M-5ALU-3 OT
B2 A4068G 1 ELBOW エルボ M-5ALU-3 OT
B3 A4068G 1 ELBOW エルボ M-5ALU-3 OT
B4 A4068G 1 ELBOW エルボ M-5ALU-3 OT
F1 XS0158* 1 SENSOR センサ OT
P1 S4033G 1 SENSOR, PRESSURE センサ 圧力 PSE543-M5 OT
240

241