PTS-NXT-03JE_.pdf - 第327页
311

PM-NOZZLE CHANGER 2/ UL00821(NXT-M3)
PM-ノズルチェンジャ 2/ UL00921(NXT-M6,AIM)
No. Drg.No. & Code No. QTY Description Rating Materials Remark
番号 図番 & コード番号 個数 品名 規格 材質 備考
1 PM31751 1 PLATE, LOWER プレート 下 FE
2 XS00030 1 CYLINDER, AIR シリンダ エアー CQ2B25-DCG0067G-8 OT
3 H5276A 3 BOLT, HEX SOCKET ボルト 六角穴 M03X010 1ハコ500ケ FE
4 W1021A 3 WASHER, LOCK ワッシャ スプリング 3M/M 1ハコ30000ケイリ ハコガイ FE
5 A4067A 1 ELBOW エルボ M-3ALU-4 OT
6 PZ07421 1 TUBE チューブ Φ4x95 OT
8 PM31650 6 NUT, STOPPER ナット ストッパ FE
9 PM04784 1 BEARING, SLIDE ベアリング スライド AL
9.1 PM33690 1 BEARING, SLIDE ベアリング スライド AL
10 H5288A 8 BOLT, HEX SOCKET ボルト 六角穴 M04X010 1ハコ500ケ FE
11 W1011A 8 WASHER, CONICAL ワッシャ 皿 M- 4-L FE
12 H4274K 2 BEARING, SLIDE ベアリング スライド JUM-02-12 OT
13 PM44382 2 SHAFT シャフト FE
14 PB18380 1 PLATE, STOPPER プレート ストッパ FE
15 PB18371 1 PLATE, STOPPER プレート ストッパ FE
16 H5296W 3 BOLT, HEX SOCKET ボルト 六角穴 M04X090 ゼンネジ FE
17 N1081T 6 NUT, HEX ナット 六角 M 4 3シュ FE
18 N1080A 3 NUT, HEX ナット 六角 M 4 P=0.7 1ハコ1000ケイリ ハコガイ FE
19 W1022A 3 WASHER, LOCK ワッシャ スプリング 4M/M 1ハコ15000ケイリ ハコガイ FE
20 K5175W 1 SCREW, C/R PAN 小ネジ 十穴鍋 M02X006 ステンレス FE
21 W1020A 1 WASHER, LOCK ワッシャ ス
プ
リン
グ
2M/M FE
310

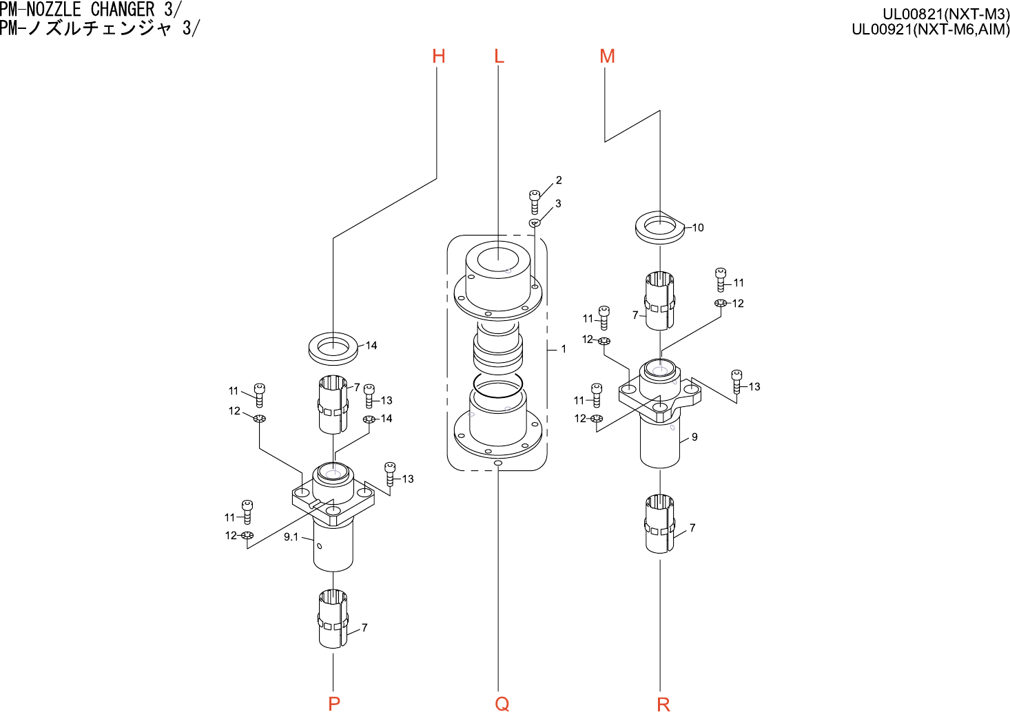
311

PM-NOZZLE CHANGER 3/ UL00821(NXT-M3)
PM-ノズルチェンジャ 3/ UL00921(NXT-M6,AIM)
No. Drg.No. & Code No. QTY Description Rating Materials Remark
番号 図番 & コード番号 個数 品名 規格 材質 備考
1 XS00030 1 CYLINDER, AIR シリンダ エアー OT
2 H5276A 3 BOLT, HEX SOCKET ボルト 六角穴 M03X010 FE
3 W1021A 3 WASHER, LOCK ワッシャ スプリング 3M/M FE
7 H4274K 4 BEARING, SLIDE ベアリング スライド JUM-02-12 OT
9 PM04775 1 BEARING, SLIDE ベアリング スライド AL
9.1 PM33680 1 BEARING, SLIDE ベアリング スライド AL
10 PJ02991 1 STOPPER ストッパ PL
11 H5288A 5 BOLT, HEX SOCKET ボルト 六角穴 M04X010 FE
12 W1011A 5 WASHER, CONICAL ワッシャ 皿 M- 4-L FE
13 H5291A 3 BOLT, HEX SOCKET ボルト 六角穴 M04X018 1ハコ500ケ FE
14 W1098K 1 WASHER ワッシャ URWH25-16-3 FE
312