PTS-NXT-03JE_ - 第333页
317
316

317

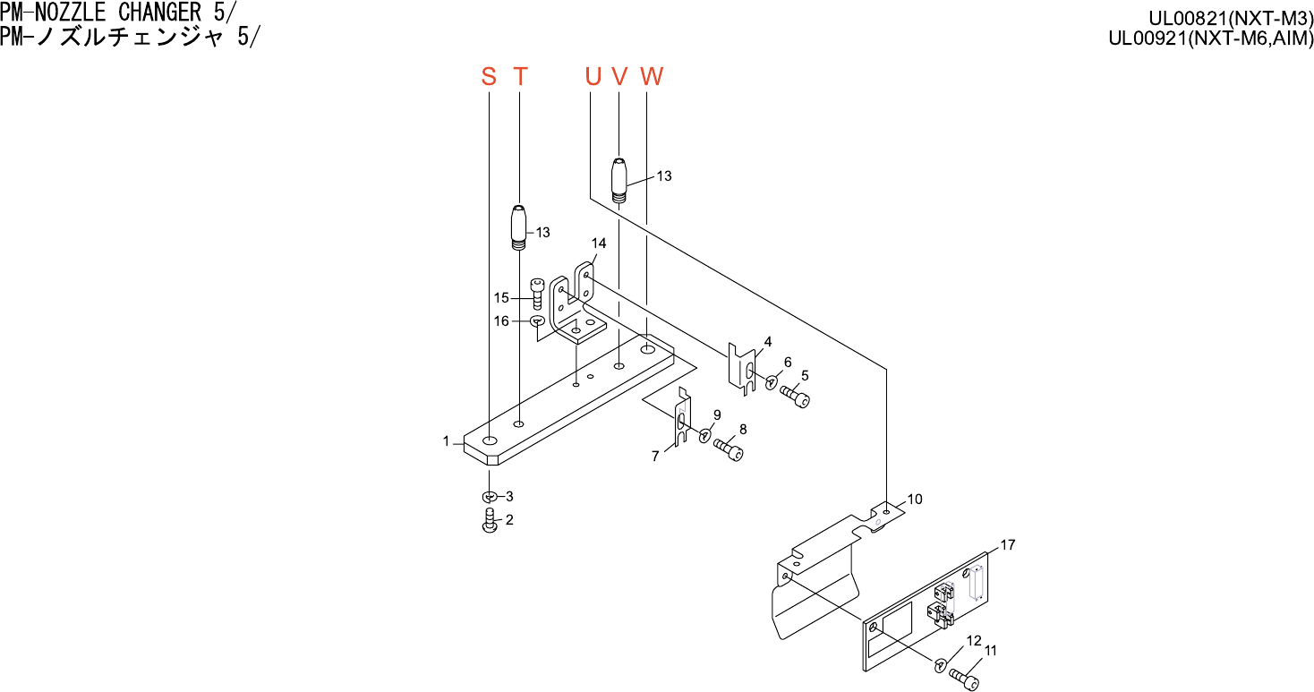
PM-NOZZLE CHANGER 5/ UL00821(NXT-M3)
PM-ノズルチェンジャ 5/ UL00921(NXT-M6,AIM)
No. Drg.No. & Code No. QTY Description Rating Materials Remark
番号 図番 & コード番号 個数 品名 規格 材質 備考
1 PB18260 1 BKT BKT FE
2 K5261H 2 SCREW, HEX SOCKET BUTTON 小ネジ 六角穴ボタン M05X012 FE
3 W1023A 2 WASHER, LOCK ワッシャ スプリング 5M/M 1ハコ8000ケイリ ハコガイ FE
4 PB30860 1 DOG, SW ドッグ SW FE
5 H5273T 2 BOLT, HEX SOCKET ボルト 六角穴 M03X004 1ハコ500ケ FE
6 W1021A 2 WASHER, LOCK ワッシャ スプリング 3M/M 1ハコ30000ケイリ ハコガイ FE
7 PB30870 1 DOG, SW ドッグ SW FE
8 H5273T 2 BOLT, HEX SOCKET ボルト 六角穴 M03X004 1ハコ500ケ FE
9 W1021A 2 WASHER, LOCK ワッシャ スプリング 3M/M 1ハコ30000ケイリ ハコガイ FE
10 PB10512 1 BKT BKT FE
11 H5274A 2 BOLT, HEX SOCKET ボルト 六角穴 M03X006 1ハコ500ケ FE
12 W1021A 2 WASHER, LOCK ワッシャ スプリング 3M/M 1ハコ30000ケイリ ハコガイ FE
13 PM31551 2 GUIDE, SPRING ガイド スプリング FE
14 PB18273 1 BKT BKT FE
15 H5275A 2 BOLT, HEX SOCKET ボルト 六角穴 M03X008 1ハコ500ケ FE
16 W1021A 2 WASHER, LOCK ワッシャ スプリング 3M/M 1ハコ30000ケイリ ハコガイ FE
17 XK00870 1 BOARD, PRINTED CIRCUIT 基板
プ
リント OT
318