P-0197-001 - 第187页
MODEL TCM-3500Z-2 0109-001 185 Key N o. P AR T No. P AR T NAME Q’ t y REMA RKS NOTE 10-2 1 630 058 1362 C O V E R 1 678R--02B-121 2 41 1 1 13 9109 SCR TR S 5X 10 5 M5X10 TRS 8 630 003 8033 PI PE FITTINGS 1 9 630 008 0285…

MODEL TCM-3500Z-2
0109-001
184
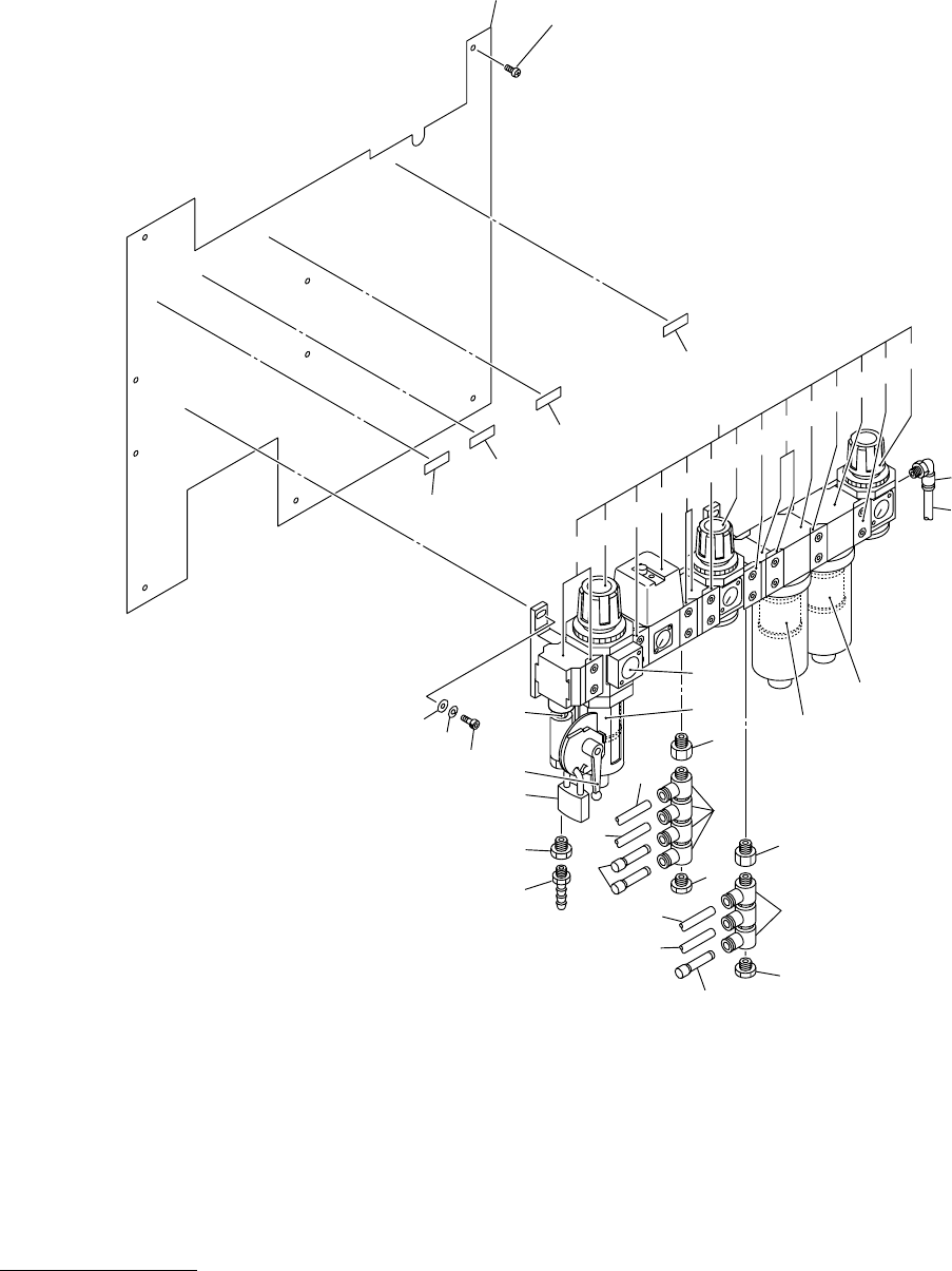
ⓨᓮㇱ PNEUMATIC SECTION
Fig.10-2 ࠛࠕࡐ࠻㈩▤ Air Port Piping
1
2
41
41
42
42
43
43
44
8
9
10
21
11
52-1
62
58-1
58-1
59-1
11
12
12
13
13
14
14
14
14
15
15
16
16
17
17
18
18
60
60
61
61
22
22
25
23
23
24
24
51
52
53
54
55
53
50
50
56
53
53
57
58
58
53
53
59
53
56

MODEL TCM-3500Z-2
0109-001
185
Key No. PART No. PART NAME Q’ty REMARKS
NOTE
10-2
1 630 058 1362 COVER 1 678R--02B-121
2 411 113 9109 SCR TRS 5X10 5 M5X10 TRS
8 630 003 8033 PIPE FITTINGS 1
9 630 008 0285 PIPE FITTINGS 1
10 630 003 7388 PIPE FITTINGS 1
11 630 003 8231 PIPE FITTINGS 2 678L--02H-010
12 630 003 8224 PIPE FITTINGS 7 678L--02H-009
13 630 003 8248 PIPE FITTINGS 3 678L--02H-011
14 630 003 7814 PIPE FITTINGS 3
15 411 141 4305 WASHER V 6X12.5X1.6 4 FW6
16 411 141 3001 WASHER SPR 6 4 SW6
17 630 000 7893 BOLT,HEX-SCT 4 M6X20
18 630 053 4917 MECH PARTS (PADLOCK) 1 678L--02H-092
50 630 055 2515 AIR LINE EQPT 1 #A3-208252- 678L--02H-008
51 630 046 7963 PIPE FITTINGS 1
52 630 077 7918 AIR LINE EQPT 1
52 -1 630 062 4526 AIR LINE EQPT 1
53 630 043 8031 AIR LINE EQPT 5
54 630 046 8014 SWITCH,PRESSURE 1 PS1
55 630 054 9546 PIPE FITTINGS 1
56 630 046 8007 AIR LINE EQPT 2
57 630 046 7970 PIPE FITTINGS 1
58 630 043 8017 AIR CLEAN EQPT 1
58 -1 630 062 4533 AIR LINE EQPT 1
59 630 043 8024 AIR CLEAN EQPT 1
59 -1 630 062 4540 AIR LINE EQPT 1
60 630 003 8187 PIPE FITTINGS 1
61 630 061 4893 VALVE 1
62 630 003 8125 PIPE FITTINGS 1

MODEL TCM-3500Z-2
0109-001
186
ⓨᓮㇱ PNEUMATIC SECTION
Fig.10-3 ࠛࠕ㈩▤ Air Piping
21
22
22
23
23
25
26
29
29
28
28
27
27
41
42
42
22
24
25
1
2
3
4
11
11
12
12
1-8 1-7 1-6
1-3
1-3
1-2
1-2
1-5
1-4