P-0197-001 - 第68页
MODEL TCM-3500Z-2 0109-001 66 ࡋ࠶࠼㚟േㇱ HEAD DRIVING SECTION Fig. 3-17 ࠹ࡊㅍࠅㇱ 2 Tape Feed Section-2 8 7 See Fig.3-10 See Fig.3-10 Key No.33 Key No.33 88 88 8 9 90 90 92 92 93 93 9 6 95 95 9 4 91 91 100 100 100 101 155 1 5 4…

MEMO

MODEL TCM-3500Z-2
0109-001
66
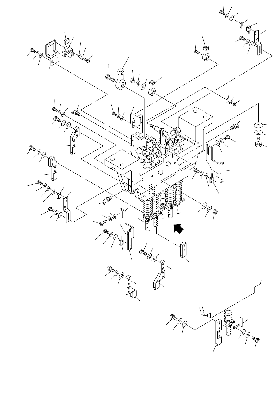
ࡋ࠶࠼㚟േㇱ HEAD DRIVING SECTION
Fig. 3-17 ࠹ࡊㅍࠅㇱ 2 Tape Feed Section-2
87
See Fig.3-10
See Fig.3-10
Key No.33
Key No.33
88
88
89
90
90
92
92
93
93
96
95
95
94
91
91
100
100
100
101
155
154
153
153
152-1
158
157
156
152
151-2
74
73
72
72
72
72
67
71-4
71-3
71-3
71-1
71-2
71-2
102
103
97
98
99
84
84
82
82
81
81
80
62
62
61
61
60
60
79
79
85
86
86
83
See Fig.3-10
See Fig.3-10
Key No.44
See Fig.3-10
Key No.38
75
75
77
77
76
78
78
74
74
73
73
72
74
73
72
73
68
64
63
65
66
66
70
70
69
69
151-4
153
153
152
154
155
158
156
157
153
152
154
155
153
152-1
154
155
156
156
157
157
158
158
151-3
151-3
152
152
151-1
151-1
DETAIL "A"
A

MODEL TCM-3500Z-2
0109-001
67
Key No. PART No. PART NAME Q’ty REMARKS
NOTE
3-17
60 411 141 4305 WASHER V 6X12.5X1.6 1 FW6
61 411 141 3001 WASHER SPR 6 1 SW6
62 411 141 0703 NUT HEX 6 1 M6
63 630 049 8530 PLATE 1 678KB-02B-138
64 411 141 4107 WASHER V 5X10X1 2 FW5
65 411 141 6705 WASHER SPR 5 2 SW5
66 630 000 7732 BOLT,HEX-SCT 2 M5X8
67 630 048 3079 BLOCK 1 678KB-02B-108
68 411 141 4008 WASHER V 4X9X0.8 2 FW4
69 411 141 2905 WASHER SPR 4 2 SW4
70 630 000 7633 BOLT,HEX-SCT 2 M4X12
71 -1 630 048 3086 BLOCK 1 678KB-02B-109
71 -2 630 048 3062 BLOCK 1 678KB-02B-107
71 -3 630 048 3093 BLOCK 1 678KB-02B-110
71 -4 630 048 3055 BLOCK 1 678KB-02B-106
72 411 141 4008 WASHER V 4X9X0.8 8 FW4
73 411 141 2905 WASHER SPR 4 8 SW4
74 630 000 7633 BOLT,HEX-SCT 8 M4X12
75 630 048 3109 BLOCK 1 678KB-02B-111
76 411 141 4008 WASHER V 4X9X0.8 2 FW4
77 411 141 2905 WASHER SPR 4 2 SW4
78 630 000 7640 BOLT,HEX-SCT 2 M4X14
79 630 049 0008 PLATE 1 678KB-02B-130
80 411 141 3902 WASHER V 3X7X0.5 2 FW3
81 411 141 2806 WASHER SPR 3 2 SW3
82 630 000 7503 BOLT,HEX-SCT 2 M3X6
83 630 008 2395 BOLT,HEX 1 678KB-02H-105
84 411 141 4305 WASHER V 6X12.5X1.6 1 FW6
85 411 141 3001 WASHER SPR 6 1 SW6
86 411 141 0703 NUT HEX 6 1 M6
87 630 008 2401 BOLT,HEX 1 678KB-02H-106
88 411 141 4503 WASHER V 8X17X1.6 1 FW8
89 411 141 3100 WASHER SPR 8 1 SW8
90 411 141 0901 NUT HEX 8 1 M8
91 630 051 6586 BRACKET 1 678KB-02B-129
92 630 000 0252 SENSOR,PHOTO 1 PHS37 678KB-02H-010
93 630 000 0269 SENSOR,PHOTO(CONNECTOR) 1 678KB-02H-012
94 411 088 9005 WASHER F 3X6X0.5 2 FWS3 F
95 411 086 4408 WASHER SPR 3 2 SW3 F
96 411 040 6202 SCR PAN 3X10 2 M3X10 PAN
97 411 141 3902 WASHER V 3X7X0.5 2 FW3
98 411 141 2806 WASHER SPR 3 2 SW3
99 630 000 7510 BOLT,HEX-SCT 2 M3X8
100 630 003 4271 GREASE NIPPLE 3 678KB-02H-022
101 630 001 0244 WASHER 4 678KB-02H-018
102 411 141 3100 WASHER SPR 8 4 SW8
103 630 000 8043 BOLT,HEX-SCT 4 M8X35
151 -1 630 057 4050 BRACKET 1 678KB-02B-128
151 -2 630 057 4043 BRACKET 1 678KB-02B-127
151 -3 630 051 6708 BRACKET 1 678KB-02B-132