EUKYX-199-5100_G5S2_Instruction_Vol5_E - 第137页
EUKYX 4-22 199-5100 2.7 Safety Relay Circuit 2.7 Safety Rel ay Circuit K1 K2 K4 K3 b a b a Control Circuit Timer OFF Delay K4 K3 K2 K1 54 44 34 24 14 A B T22 T21 PE T 11 T12 T31 T32 13 23 33 43 53 A2 A1 U 62 61 T32 Y1 A1…

EUKYX
4-21199-5100
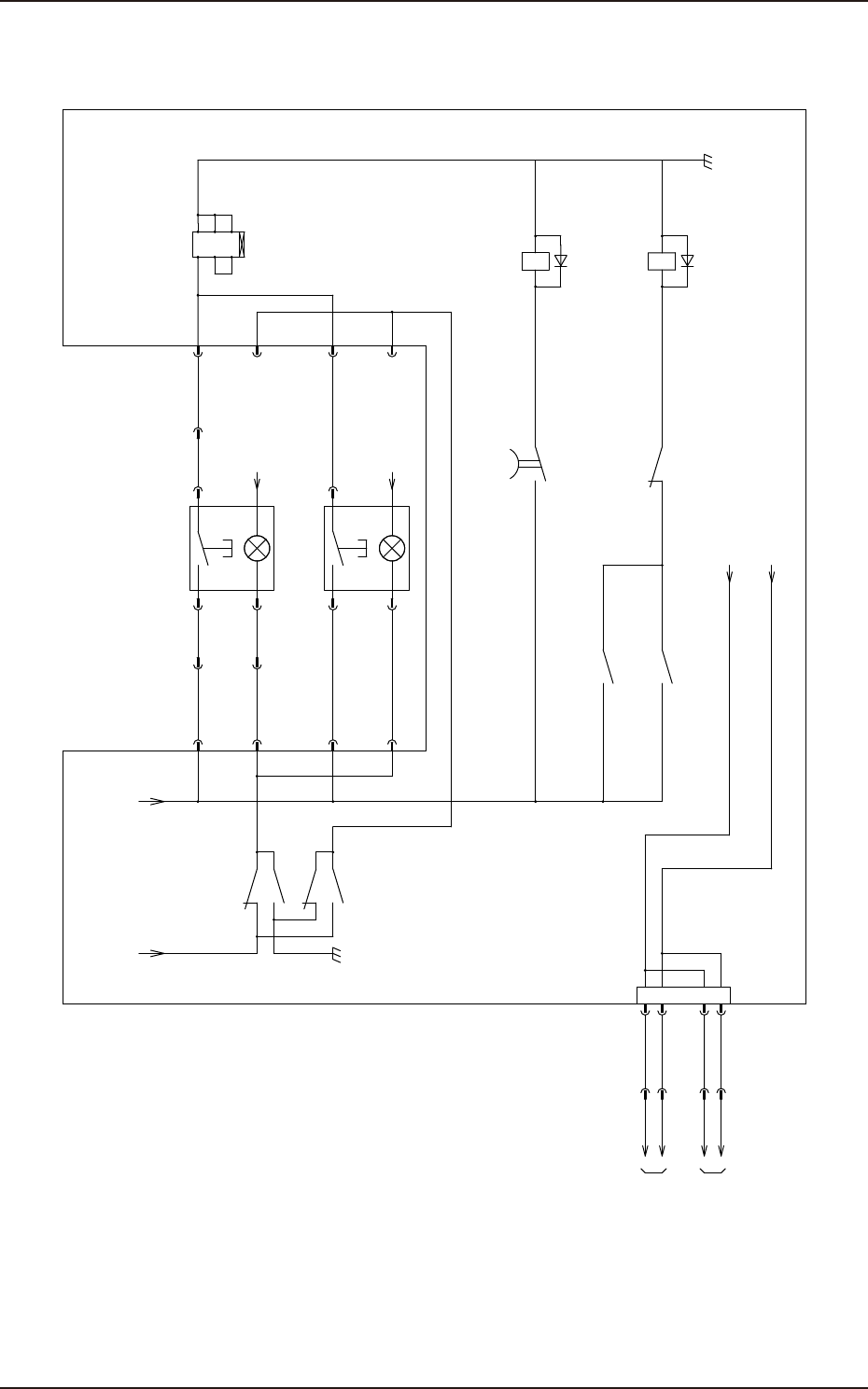
2.6 POWER ON Circuit
2.6 POWER ON Circuit
5 4
6 5 4 3
16 13
POWER ON(Front)
S101F
K2B
K1A
K43
K2A
K2B
12 1
K1A
8 1
K2A
(1Sec)
24
22
21
1
2
3
24A0
POWER
ON(Rear)
S101B
+ -
+ -
24A2
3 4
K31
5
2
X153
[B-/06/5B]
to X30D1-B
[B-/05/5B]
445
X27153
U27
1
[D-/02/2D]
500
XOPNL-F
:8
XOPNL-F
:9
XOPNL-F
:10
X102704
:2
X202704
:3
X2704
:11
X2704
:12
X2704
:13
X2705
:11
X2705
:13
XOPNL-B
:9
XOPNL-B
:10
XOPNL-B
:8
X2705
:12
X2704
:14
X2705
:14
[D-/03/7E]
From XOPNL-F
From XOPNL-B
10
10
[D-/03/7E]
10 9
8
[B-/07/5B]
to X30D1-F
X202704
:1
from CN150:10
from K3:44
X1027153
:1
:2
X2027153
:1
:2
3
4
KYX-000-CC-005

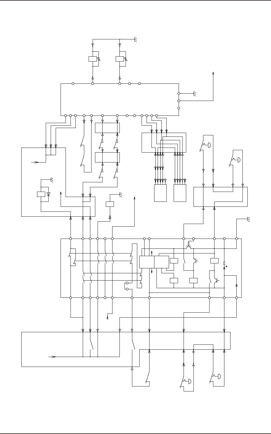
EUKYX
4-22199-5100
2.7 Safety Relay Circuit
2.7 Safety Relay Circuit
K1 K2
K4K3
b
a
b
a
Control
CircuitTimer
OFF Delay
K4
K3
K2
K1
54
44
34
24
14
A
B
T22
T21
PET11
T12
T31
T32
13
23
33
43
53
A2A1
U
62
61
T32
Y1
A1
T33
T31
T22
T12
T42
T41
S14
S24
D1
D2
D3
D4
A2X1X2
S44
S54
L1
U
Emergency Stop Switch
(Front)
X2709
:5
:6
:7
:8
X2704
:9
:8
:10
:7
X:S151F
:3
:2
:4
:1
:5
X2705
:9
:8
:10
:7
X:S151B
:3
:2
:4
:1
:5
21 22
6 8
6 9
21 22 22 21
K10
S105F
S105B
Emergency Stop Switch
(Rear)
K2B
K22
Emergency Stop Switch
(Front)
S105F
K33A K33B
S131
S131
S132
S132
31 32
11 12
31 32
11 12
K31
K33A
K33B
11 12
11 12
22 21
1 12
A1 A2
A1 A2
K10
A1 A2
K3 K4
24A2
24A2
W
BK
BR
BL
Y
S151B
W
BK
BR
BL
Y
S151F
Feeder cover
Detection(Front)
XY Beam Main Power On
XY Beam Main Power On
[D-/02/1F]
to U27-CN9:9
[D-/02/1C]
to U27-CN150:10
U27 U27
U27
U27
U27 U27
[B-/04/5E]
24A2
24A2
331
10
420
24A2
405B
405A
401
24A2
336
441
445
334
500
408
412
10
416415
429
430
446
D2
D3
D4
D1
440
443
420A
414
S105B
Emergency Stop Switch
(Rear)
22 21
X202704
:9
:8
:10
:7
10
[D-/02/1C]
from U27-CN150:9
Safety Relay Safety Relay
:11
:12
:14
:8
:7
:4
:3
:1
X27150
X27150
X27150
X27150
X27150
X27150
:2
X2704
:1
X2704
:2
X2705
:1
X2705
:2
:1
X202704
X202704
:2
X2723
:1
X2723
:3
X2705
:4
X2705
:3
X2704
:4
X2704
:3
X202704
:4
X202704
:6
X27150
:5
X27150
:13
:15
:16
X27150
:5
X2731
:1
:2
X20520
:1
X2709
:11
:10
X2732:6
X2732:2 X2709:3
X2709:4
X2731:6
X2731:2 X2732:1
X2732:5
X10520:3
X10520:6
X10520:2
X10520:5
X10520:1
X10520:4
Safety Switch (Rear) Safety Switch (Front)
JP
3 4
to U27-CN1153:2,4
(OUT)
(IN)
(24V)
(0V)
0.5sec
K1
K2
Feeder cover
Detection(Rear)
KYX-000-CC-006

EUKYX
4-23199-5100
2.8 X30B Connector Connection Circuit
2.8 X30B Connector Connection Circuit
Air Pressure
For Feeder
Tray Interlock (B1)
Tray Power On (B1)from U27-CN153
[D-/04/1E]
:5
:1
:2
:3
X30A2-B
445
Connector X30B
[B-/02/7E]
from U27-CN111
10
10
10
24G1A
24G1B
24G1B
[B-/01/4E]
from Q201
:1
:2
:1
:2
X30A1-B
L120
L220
:4
:A1
:3
SG
Connection Check1 (B1)
Connection Check2 (B1)
[D-/08/2D]
to U01-CN30,48
:1
:2
:3
:1
:2
:3
X30D1-B
10
648
540
:7
:8
:9
Multi Tray<ACV> (OP)
To ID Controller
:A1
:A2
:B1
X30D2-B
:4
from A63B-CN2
[DC/01/7C]
:12
:2
:3
COM B
GND
SV-NET (1CH)
:10
COM A
:1
X30D3-B
:11
E
:4
512
For Tray
10
10
24A2
24G1A
:3
:B1
:4
:A2
:5
:B2
:6
:A3
:7
:B3
:8
:A4
:9
:B4
:10
:A5
:11
:B5
:12
High-Speed IO(HSIO)
[N-/05/7C]
from U08-CN2
:1
:2
:3
:4
:5
:1
X30C1-B
DN:RX+
DN:RX-
DN:TX+
DN:TX-
SG
:2
:3
:6
:4
:5
:7
:8
:9
RS232C
[F-/01/7B]
from U81-SERIAL1
:7
:8
:9
:6
:10
:2
:3
:4
:5
:6
:7
:8
TxD
DTR
GND
RxD
DSR
RTS
CTS
:1
X30C2-B
EMI Case
FG
:9
A Module
B Module
C Module
Emergency Stop Signal (Main Unit)
:6
500
:6
:5
:B2
D Module
DC24V Power
DC24V Power
For Tray
AC200V Power
-CN112
from U27-CN121
[B-/02/7D]
KYX-000-CC-007