EUKYX-199-5100_G5S2_Instruction_Vol5_E - 第133页
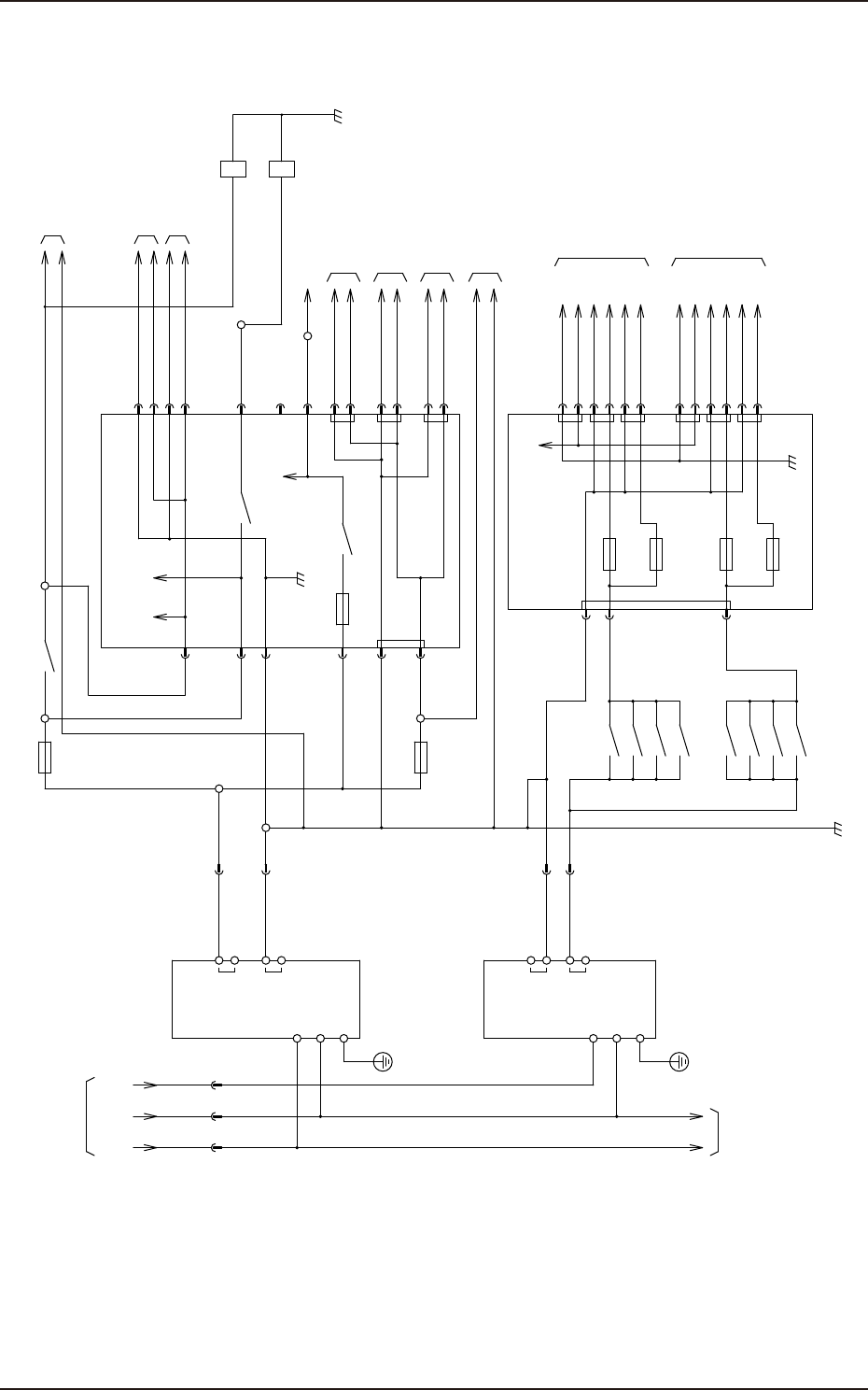
EUKYX 4-18 199-5100 2.3 AC200V Circuit 2.3 AC 200V Circuit L3 L2 L1 Z2 K29 3 M M66 3 5 4 6 1 2 L131 L231 L331 3 5 4 6 1 2 3 5 4 6 1 2 L330 L230 L130 Q205 Z1 PE 3 5 4 6 1 2 3 5 4 6 1 2 L31 L21 L 11 L1 10 L210 L310 L 111 L…

EUKYX
4-17199-5100
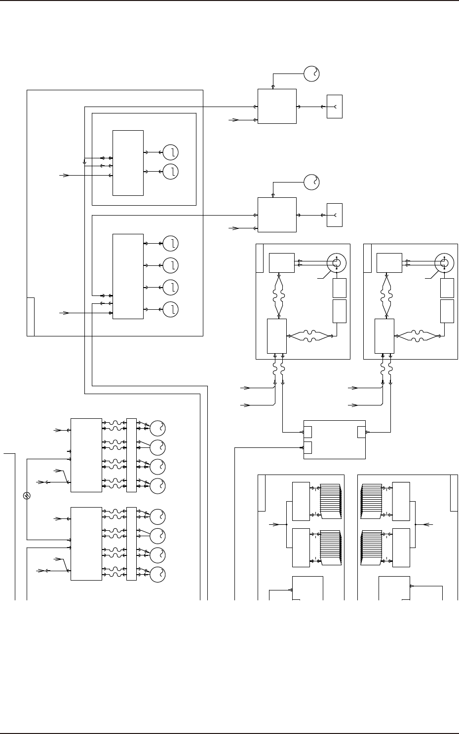
2.2 Integrated Block Diagram [Type D]
2.2.4 Detail Diagram of Section D [Type D]
L1Z2Z1
Servo Motor AMP
A31B
CNP1 CN1A
L2
CN3
NLNSDD
A31F
L3
24A224A6 24A2
48D3A 48D3B
Servo Motor AMP
24A6
CN1B
SSCNET3
CNP1 CN1A CN3CN1B
24A6
U07
CN2
Camera
Slip
Rings
U37
U06
IO PCB
U69
IO PCB
U69
U67 U68
FEEDER
FEEDER
1-15Lane
U67 U68
FEEDER
FEEDER
Feeder Cart1
HEAD1
J1
P2A 2A P2B 2B P2C 2C
P2D
2D P2A 2A P2B 2B P2C 2C P2D 2D
HSIO
UP
UP
3
M
3
M
3
M
3
M
3
M
3
M
3
M
3
M
AE LINK(CH1)
A11
PWR
N2N1
48D3
A10
PWR
48D3
AE LINK(CH2)
Stepping Motor Driver
M MM
M46 M47M42
N2N1
X30F
X30B
CN2
CN12
A63B
M
M41
M
M45
M
M44
Feeder Cart2
16-30Lane
Connector Connector
24G1A,B
24G2A,B
Side View
U03 U04
CN8
CN1
24A6
IO PCB
U02
UP T
T
HSIO
HSIO
CN5F
CN5BCN1
CN10
U07
CN2
Camera
Slip
Rings
U37
U06
HEAD2
J1
Side View
Light
Emitting
Light
Emitting
U03 U04
CN8
CN1
CN10
1-15Lane 16-30Lane
U07D U07D
M63
3
M
(B1)
Servo Motor
AMP
CN2
A63F
M63
3
M
(B2)
Servo Motor
AMP
CN12
Stepping Motor Driver
Option
Back UP Base
48D3C 48D3D
CONVEYOR
DC6V
DC6V
(H1)(H1)(H1) (H1) (H2)(H2)(H2) (H1)
KYX-000-CC-001-1D

EUKYX
4-18199-5100
2.3 AC200V Circuit
2.3 AC200V Circuit
L3L2L1
Z2
K29
3
M
M66
3 5
4 6
1
2
L131
L231
L331
3 5
4 6
1
2
3 5
4 6
1
2
L330
L230
L130
Q205
Z1
PE
3 5
4 6
1
2
3 5
4 6
1
2
L31
L21
L11
L110
L210
L310
L111
L211
L311
L232L132 L332
L220L120 L320
L221L121 L240L140 L340
[B-/03/2B]
to G2
[R-/01/3A]
to G21 Inlet
to X30B,X30F
[C-/01/1A]
to A21B,A22B,A23B
A21F,A22F,A23F Main Power
[C-/01/1D]
[C-/01/5B] [C-/02/1A]
[C-/02/1D] [C-/02/5B]
[B-/06/1B]
to G1,G3 main
[B-/02/1A]
:1 :2 :3
X:M66
[C-/01/1A]
to A21B,A22B,A23B
A21F,A22F,A23F Contol Power
[C-/01/1D]
[C-/01/5C] [C-/02/1A]
[C-/02/1D] [C-/02/5C]
L300
L200
L100
F200
[B-/07/1B]
E
[R-/01/8A]
to AC-DC Adaoper Inlet
Noise Filter
3 2 1
6 5 4
L30
L20
L10
:4
U
V
W
E
1
2
3
XF200:1
:2
:3
:4
Noise Filter
Main Breaker
Lightning Surge Protecter
Vacuum Pump
Circuit
Protecter
Relay
4A
Q221
Circuit
Protecter
30A
Q206
30A
Q200
50A
K33B
Relay
K33A
Relay
K28
Relay
K10
Relay
3 2 1
6 5 4
Circuit
Protecter
KYX-000-CC-002

EUKYX
4-19199-5100
2.4 DC24 (24A and 24G) Circuit
2.4 DC24 (24A and 24G) Circuit
L120
K77
K75
K1A
K1B
G3
F5
G1
13 14
23 24
33 34
43 44
13 14
23 24
33 34
43 44
[B-/06/1C]
to X30B
[B-/01/5E]
L220
L320
from Q206
24A
24A0
U27
XG0
:A1 :A2 :A3
XG1:2
XG1:1
XG1:4
XG1:3
X2712:4
X2713:4
[B-/03/1B]
to A31B-CNP1
[B-/04/5B]
to A31F-CNP1
X2701:7
X2701:4
X2701:3
X2701:6
X2721:2,4
K25
[D-/01/2B]
to U01-X2
5
1
K1B
K28
A2
A1
F21
F23
F25
X27111:2,4
X27111:1,3
X27112:2,4
X27112:1,3
X27113:2,4
X27113:1,3
X27114:2,4
X27114:1,3
24G1A
10
24G1B
10
24G2A
10
24G2B
10
X2715:3
X2715:4
[B-/07/1C]
to X30F
U27
24G1
24G2
[B-/03/5E]
X2701:1,2
X2701:8
N.C
X2701:5
24A2
F7
24A1
24A6
[B-/03/5E] [F-/03/7A]
[D-/01/7B]
6.3A
6.3A
F27
6.3A
6.3A
6.3A
6.3A
24A2
24A6
24A3
24A3
6.3A
24A
10
24G
10
X27121:2
X27121:1
24A2
10
X27122:2
X27122:1
24A2
10
24A2
X2712:3
X2713:3
X2721:1,3
X2715:1,2 X15
X21 X12
X13
X121
X122
X111
X112
X113
X114
24A0
Switching Power
Supply
(L)
(N)
FG
+(24V)
-(GND)
(L)
(N)
FG
+(24V)
-(GND)
Switching Power
Supply
10
[C-/02/3C]
X27121:2
X27121:1
24A1
X27122:2
X27122:1
24A2
10
to U01-X2
[B-/06/1B]
to X30A2-B
[B-/07/1B]
to X30A2-F
[C-/03/5C] [C-/04/5C]
[D-/01/1B]
[D-/11/1A]
to G9
Output voltage
24.75±0.10
Output voltage
24.75±0.10
X2724:2
[F-/03/6A]
to U85-24V IN
X2724:1
X24
KYX-000-CC-003