EUKYX-199-5100_G5S2_Instruction_Vol5_E - 第171页
EUKYX 4-56 199-5100 2.41 A10 Motor Driver Connection Circuit 1 2.4 1 A 1 0 Motor Driv er Connec tion Circu it 1 1 2 3 CN6 4 2 4 3 N1 2 4 3 N2 ALM- STP- ALM+ STP+ 1 2 3 4 CN1 :B1 X1006 GND(SG) COM B +V COM A COM B +V COM …

EUKYX
4-55199-5100
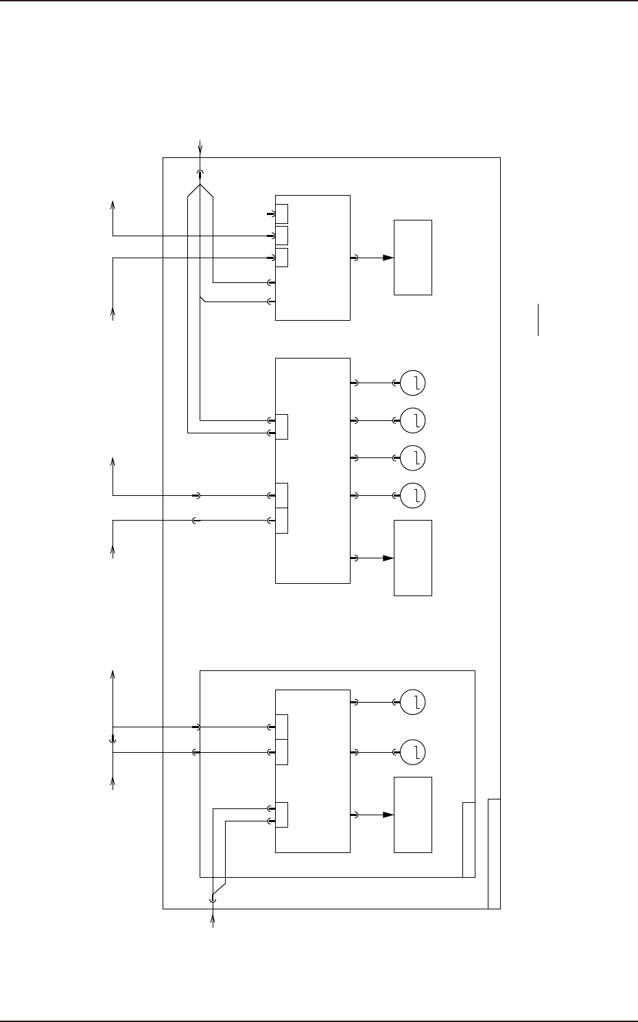
2.40 Single Transfer Block Diagram
2.40 Single Transfer Block Diagram
A11
Stepping Motor Driver
M45 M46
NA_BL NA_BR
MM
Connection when installing Backup base OP
XAE2CH XAE_CT
CN1 CN5
U85-2CH
N1 N2
AE-LINK
24A6
48D
Conveyor Unit
Load / sensor
Servo Motor AMP
A63F
XAE2CH XAE_CT
Backup base OP
Note 1:
Single Conveyor Unit
POWER
CN10
XCV-R
DC24,48V
A10
Stepping Motor Driver
M41 M42 M43 M44
NL_L NA_L NR_L NA_W
MMMM
X1X2
Conveyor Unit
Load / sensor
U08
IO PCB
Bundle Connector
XAE1CH XAE_CT
CN7 CN8 CN9 CN10
CN1
UP
CN2
DN
CN3
T
U85-T(X85T) X30C1-BU85-1CH
Servo Motor AMP
A63B
N1 N2
AE-LINK
Conveyor Unit
Load / sensor
24A6
48D
24A3
XCV-L
DC24,48V
POWER
CN6
HSIO
KYX-000-CC-037

EUKYX
4-56199-5100
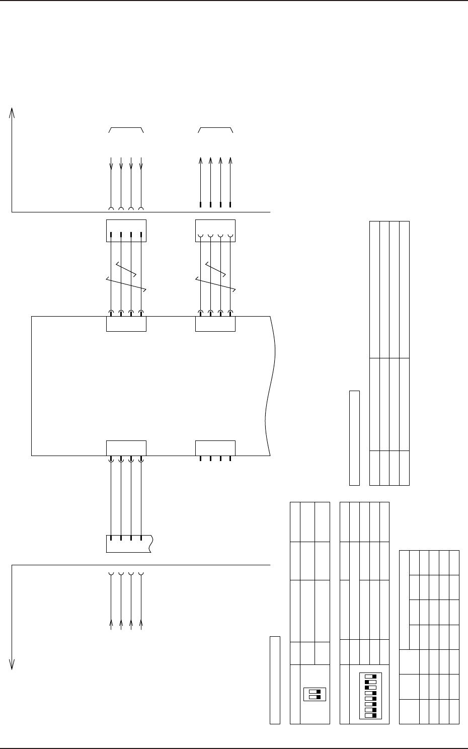
2.41 A10 Motor Driver Connection Circuit 1
2.41 A10 Motor Driver Connection Circuit 1
1
2
3
CN6
4
2
4
3
N1
2
4
3
N2
ALM-
STP-
ALM+
STP+
1
2
3
4
CN1
:B1
X1006
GND(SG)
COM B
+V
COM A
COM B
+V
COM A
XN1
CV+
:A1
GND(B)
MV+
GND(D)
:B5
:A5
1
1
GND(SG)
XN2
Stepping Motor Driver
A10
XCV-L
24A6
10
48D
10
from U85-1CH
[F-/03/7B]
COM A
COM B
10
24A6
to A63B-CN12
[DC/01/2B]
COM A
COM B
10
24A6
G5S PlatformG5S Platform
XCV-L
:2
:3
:1
:4
XAE1CH
XAE-CT
XAE
:2
:3
:1
:4
XAE-CT
Axis.1
0
4
8
12
Address
1
5
9
13
2
6
10
14
3
7
11
15
OFF
Axis.2 Axis.3 Axis.4
OFF
SW2-1
OFF
SW2-2 SW2-3
OFFOFFON
OFFOFF
OFF
ON
ON ON
1
ON
2
1
ON
2 3 4
5 6 7 8
6
7
STP(Emergency stop)
1~3
Please refer to the table below
OFF
ON
NO.
Setting contents Configuration Remarks
Invalid
SW2
OFF
AE-LINK Termination
NO.
Setting contents Configuration Remarks
SW1
1
OFF
AE-LINK Termination
2
4,5,8
unused
Communication speed setting
ON
307.2Kbps Servo OFF
MV+
Motor power indication
Control power indication
Alarm indication
Remarks
CV+
ALM
LED Name
Lit on 48D supply
Lit on 26A6 supply
Normal lighting / abnormal lights off
A10 LED Description
A10 Configuration
KYX-000-CC-038

EUKYX
4-57199-5100
2.42 A10 Motor Driver Connection Circuit 2
2.42 A10 Motor Driver Connection Circuit 2
X1007
M
4
3
6
1
2
4
3
1
/B
/A
N.C.
B
5A
X1008
M
2
4
3
1
5
NL_L motor
5
6
4
2
1
SEN+
SEN3
COM
3 SEN2
SEN4
:4
:2
:1
:3
B1005
X1009
M
2
4
3
1
5
X1010
M
2
4
3
1
5
/B
/A
N.C.
B
A
/B
/A
N.C.
B
A
/B
/A
N.C.
B
A
Movable chute origin
SEN1
5
6
4
2
1 SEN+
SEN3
COM
3 SEN2
SEN4
SEN1
:3
:2
:1:4
B11003
:3
:2
:1:4
B21003
:3
:2
:1:4
B31003
4
3
6
1
4
3
6
1
4
3
6
1
M41
:1
:2
:3
CN2
X1002
B11002
:3
:2
:1
B11002
5
6
4
2
1 SEN+
SEN3
COM
3 SEN2
SEN4
SEN1
:3
:2
:1
B21002
:3
:2
:1
B11004
5
6
4
2
1 SEN+
SEN3
COM
3 SEN2
SEN4
SEN1
:3
:2
:1
B21004
OUT
+
0V
B11003
B21003
B31003
Stepping Motor Driver
A10
B21002
OUT
+
0V
B11003
OUT
+
0VIN
B21003
OUT
+
0VIN
B31003
OUT
+
0VIN
B11004
OUT
+
0V
B21004
OUT
+
0V
B1005
L.ON
+
D.ON
0V
NA_L motor
M42
NR_L motor
M43
NA_W motor
M44
CN3
CN4
CN5
X1003
X1004
X1005
CN7
CN8
CN9
CN10
X1007
X1008
X1009
X1010
from U08-CN27
[N-/06/6F]
24A6
10
24A6
24A6
24A6
10
10
10
(Axis.1)
(Axis.2)
(Axis.3)
(Axis.4)
(Axis.1)
(Axis.2)
(Axis.3)
(Axis.4)
(When L R flow)
(When R L flow)
Left board
detection sensor
Left middle board
detection sensor
Left board
Fiber sensor
Right board
Fiber sensor
A long board
Fiber sensor(OP)
Right board
detection sensor
Right middle board
detection sensor
KYX-000-CC-039