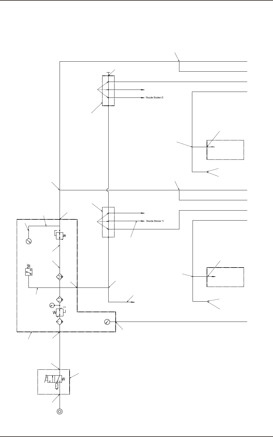
EUKYX-199-5100_G5S2_Instruction_Vol5_E - 第52页
EUKYX 1-3 199-5100 1.3 Main Body 2 1 .3 Ma in Body 2 Y0939 Y0938 KQ2U06-00A Ø6 50mm KQ2U06-00A Ø6 50mm Y0638 Y0639 KQ2H06-00A KQ2H06-00A KQ2H08-01AS KQ2H06-02AS KQ2H06-02AS A R P KQ2H06-M5A KQ2U06-00A KQ2H08-10A Head (1)…

EUKYX
1-2199-5100
1.2 Main Body 1
1.2 Main Body 1
KQ2H06-00A
KQU06-00
(Drop Prevention Applied Side)
KQ2P-06
Cart Bundled Connector
Feeder Base (1)
Ø6
600mm
KQU06-00
Ø6
600mm
KQ2H06-00A
KQ2P-06
KQ2H08-00A
KQ2P-08
KQ2H10-02AS
KQ2H06-M5A
KQ2L06-02AS
0.45MPa
0.35MPa
0.05MPa
KQ2H06-M5A
KQ2L06-01AS
KQ2L08-02AS
KQ2L10-02AS
KQ2H08-02AS
KQ2L08-02AS
KQ2L10-02AS
(Ø6)
200mm
(Ø8)
160mm
(Ø6)
140mm
KQ2U08-00A
KQ2L08-99
KQ2T10-08A
KQ2H06-08A
KQ2L08-99A
KQ2P-10
KQ2U06-08A
KQ2U06-08A
Ø10
120mm
Ø8
350mm
Ø8
2200mm
Ø8
2500mm
Ø8
150mm
Positioning (1)
Ø10
150mm
Transfer
(PCB Z Clamp,PCB Stopper)
Ø8
2300mm
Ø10
400mm
Ø10
1700mm
Ø8
1000mm
Ø8
2200mm
Ø8
1800mm
Ø6
300mm
Ø8
2500mm
Ø6
300mm
Ø8
200mm
Ø6
300mm
Ø6
300mm
Ø6
700mm
Ø6
700mm
KQ2H06-00A
KQ2H06-00A
3
30
4
33
35
9
32
39
10
36
40
36
31
38
31
38
31
40
31
Hose Nipple
Setup
Setup
Setup
(Wiring it inside the Product)
Positioning (2)
Cart Bundled Connector
Feeder Base (2)
(Drop Prevention Applied Side)

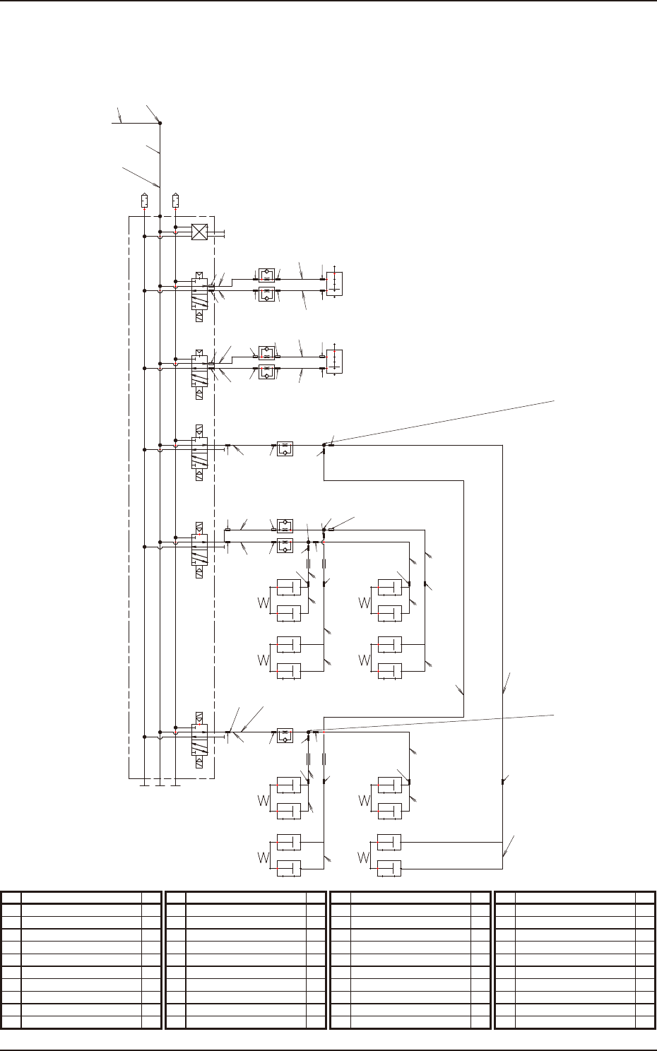
EUKYX
1-3199-5100
1.3 Main Body 2
1.3 Main Body 2
Y0939
Y0938
KQ2U06-00A
Ø6
50mm
KQ2U06-00A
Ø6
50mm
Y0638
Y0639
KQ2H06-00A
KQ2H06-00A
KQ2H08-01AS
KQ2H06-02AS
KQ2H06-02AS
A
R
P
KQ2H06-M5A
KQ2U06-00A
KQ2H08-10A
Head (1)
MPG14
KQ2R06-10A
MHQ1410
MBA1403
M
KQ2L10-03AS
KQ2H08-10A
KQ2H08-01AS
KQ2H08-02AS
KQ2H06-02AS
A
R
P
KQ2H06-M5A
KQ2H08-00
KQ2U06-00A
KQ2U06-00A
KQ2U06-00A
KQ2H08-01AS
KQ2H08-02AS
KQ2H06-02AS
A
R
P
KQ2H06-M5A
KQ2H08-00A
KQ2H08-01AS
KQ2H06-02AS
KQ2H06-02AS
A
R
P
KQ2H06-M5A
Ø6
50mm
Ø6
300mm
Ø6
50mm
Ø6
300mm
Ø6
50mm
Ø6
1600mm
Ø8
100mm
I10 (Blue)
Ø8
1100mm
Ø6
50mm
Ø6
50mm
Ø6
1100mm
Ø6
50mm
Ø6
1100mm
Ø8
100mm
Ø8
1100mm
31
34
31
5
34
32
37
34
6
34
32
34
34
37
Head (2)
Head (1)
Head (2)
High-Speed/Multi-Functional
Mode Change Valve
High-Speed/Multi-Functional
Mode Change Valve
Air/Vacuum Mode Change Valve
Air/Vacuum Mode Change Valve
I10 (Blue)
I10 (Blue)
Exhaust
No. Name Q’ty No. Name Q’ty No. Name Q’ty No. Name Q’ty
3 Air Supply Unit 1 34 PIPE FITTING Union Y 5
4 Air Supply Unit 1 35 PIPE FITTING Union Y 1
5 Solenoid Valve Unit 1 36 PIPE FITTING Union Y 3
6 Solenoid Valve Unit 1 37
PIPE FITTING Different Straight
2
9 Manifold Unit 1 39 PIPE FITTING 1
10 Manifold Unit 1
30 PIPE FITTING Straight 1
31 PIPE FITTING 4
32 PIPE FITTING Straight 3
33
PIPE FITTING Different Cheese
1

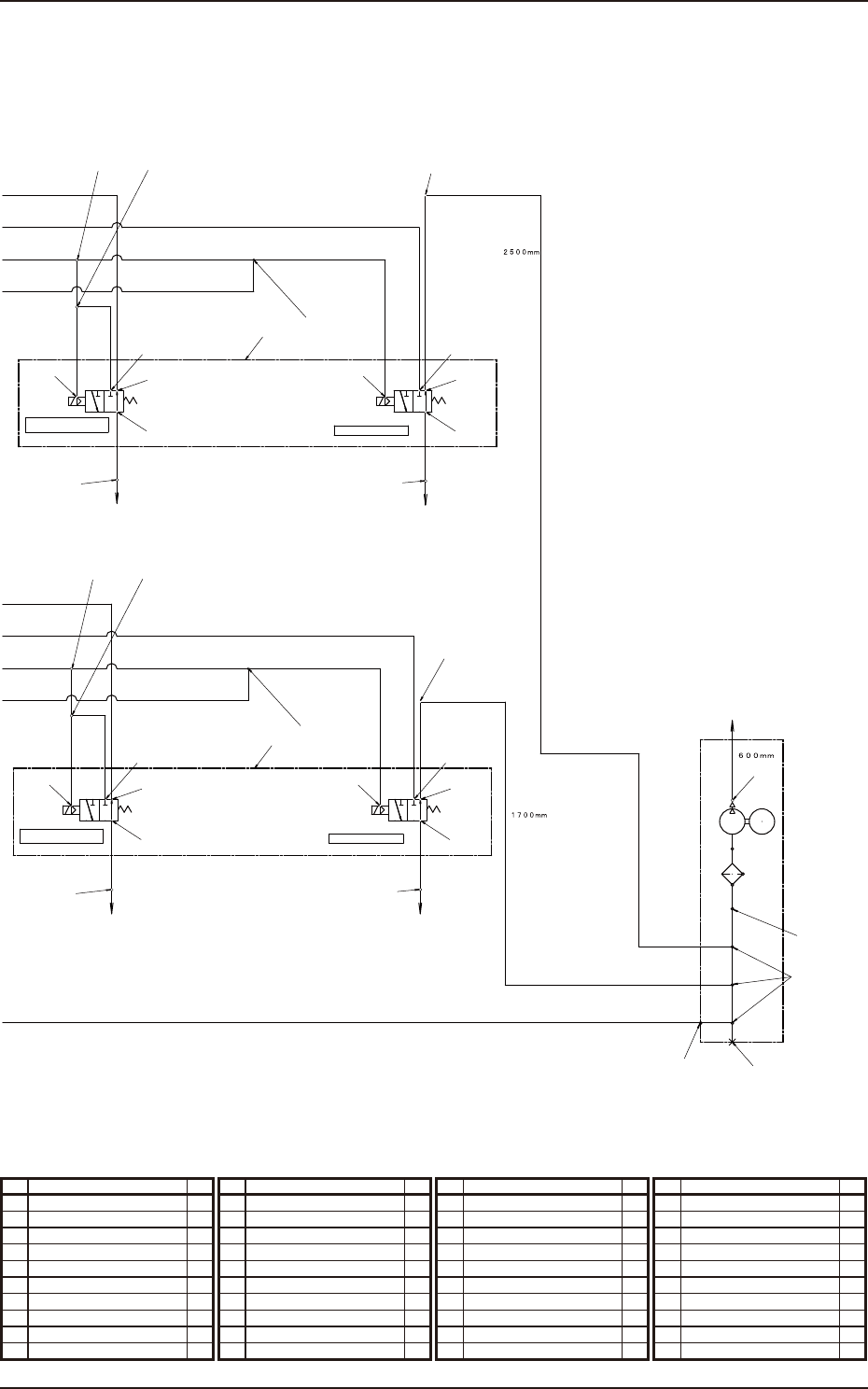
EUKYX
1-4199-5100
1.4 Conveyor
1.4 Conveyor
No. Name Q’ty No. Name Q’ty No. Name Q’ty No. Name Q’ty
1 Tube D3.2 1
2 Tube D6 1
3 PIPE FITTING 1
4 Flat Tube D4.1 1
6 PIPE FITTINGS 2
6
6
Ø3.2L950
Ø3.2L950
Ø3.2L122 Ø3.2L70
Ø3.2L46
Ø3.2L46
Ø3.2L1070Ø3.2L122
B3MZ
BKMZ
Ø3.2L950
Ø3.2L950
PIPE FITTINGS(KQ2U23-9A)
Movable Side Z-Clamp RMovable Side Z-Clamp L
Fixed Side Z-Clamp R
Fixed Side Z-Clamp L
VBMZ
B3MZ
BKMZ
VBMMZ
B3MMZ
BKMMZ
B3MMZ
BKMMZ
VBMMZ
VBMZ
B3HZ
A
B
VBHZ
BKHZ
Ø3.2L970
BKHHZ
Ø3.2L122
Ø3.2L122
B3HHZ
B3HHZ
BKHHZ
VBHHZ
Ø3.2L820
VBHHZ
Ø3.2L970
PIPE FITTINGS(KQ2U23-9A)
A
B
A
B
A
B
A
B
Pipe Ø6L440
Pipe Ø6L1000
3
VBHSO
VBHSI
BHSI
BHSI
BHSO
BHSO
Ø3.2L500
Ø3.2L450
VBHSO
VBHSI
Ø3.2L850
Ø3.2L850
VBMSO
VBMSI
BMSI
BMSO
BMSI
BMSO
Ø3.2L460
Ø3.2L400
VBMSI
VBMSO
Ø3.2L950
Ø3.2L950
Ø3.2L820
1
Ø3.2L46
Ø3.2L46
4
VBHZ
B3HZ
BKHZ
Ø3.2L850
Ø3.2L850
2
From Main Body
PCB Stopper RPCB Stopper L