EUKYX-199-5100_G5S2_Instruction_Vol5_E - 第60页
EUKYX 1-1 1 199-5100 1.10 Nozzle Stocker for Multi-Functional Nozzle 1 . 1 0 Nozzle Stock er for Multi-F unctional Nozzle No. Name Q’ty No. Name Q’ty No. Name Q’ty No. Name Q’ty 1 T ube ∅ 4 1 2 Solenoid V alve 1 3 Speed …

EUKYX
1-10199-5100
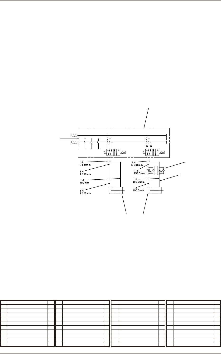
1.9 Multi-Functional Head Unit
1.9 Multi-Functional Head Unit
No. Name Q’ty No. Name Q’ty No. Name Q’ty No. Name Q’ty
1 Tube
∅
6 1 11 Union Y 1
2 Tube
∅
6 1 12 Manifold Unit 1
3 Tube
∅
6 1 13 Solenoid Valve Unit 3
4 Tube
∅
6 1 14 Vacuum Filter 3
5 Tube
∅
6 3 15 Robot Cable 3
6 Tube
∅
6 3
7 Tube
∅
6 3
8 Tube
∅
8 1
9 Tube
∅
4 3
10 Regulator 1
Nozzle 3
5
6
7
14
9
13
15
SETUP
0.025MPa
2
3
1
Air IN
Vacuum
11
Nozzle 1
5
6
7
10
8
12
14
9
13
15
Nozzle 2
5
6
7
14
9
13
15

EUKYX
1-11199-5100
1.10 Nozzle Stocker for Multi-Functional Nozzle
1.10 Nozzle Stocker for Multi-Functional Nozzle
No. Name Q’ty No. Name Q’ty No. Name Q’ty No. Name Q’ty
1 Tube
∅
4 1
2 Solenoid Valve 1
3 Speed Controller 2
4 Cylinder 1
5 Cylinder 1
4
From the Inside of Whole Base
Stocker 1 U/D Shutter 1 Open/Close
5
2
3
1

EUKYX
1-12199-5100
2. Mounting Diagrams
1-41-1
1-3
1-2
2-8
2-6
2-5
2-9
2-6
2-1
2-10
2-2
2-9
3-4
3-3
3-2
3-1
3-1
3-6
3-5
3
1
2
2-4
2-7
2-3
2-11
2-11
2. Mounting Diagrams
2.1 Main Body 1
No. Name Q’ty No. Name Q’ty No. Name Q’ty No. Name Q’ty
1 Air Supply Unit 1 2-5 Regulator 1 3-3 Universal Quick 3
1-1 Combination Unit 1 2-6 Regulator 2 3-4 Plug 1
1-2 PIPE FITTING Casting Elbow 1 2-7 Half Union 2 3-5 Elbow Union 1
1-3 Air Coupler 1 2-8 Half Union 1 3-6 Reducer 1
1-4 Half Union 1 2-9 Elbow Union 2
2 Air Supply Unit 1
2-10
Elbow Union 1
2-1 Vacuum Gauge 1
2-11
Elbow Union 2
2-2 Combination Unit 1 3 Vacuum Pump Unit 1
2-3 Pressure Switch 1 3-1 Vacuum Pump 1
2-4 Pressure Gauge 1 3-2 Bush 1