EUKYX-199-5100_G5S2_Instruction_Vol5_E - 第89页
EUKYX 2-17 199-5100 1.17 Component Recognition Camera Layout 1 .17 Component Re cognition Came ra L ayout E191 E193 E192 B61 Symbol Name Symbol Name B61 Component Recognition Camera E191 Component Recognition Ring Lighti…

EUKYX
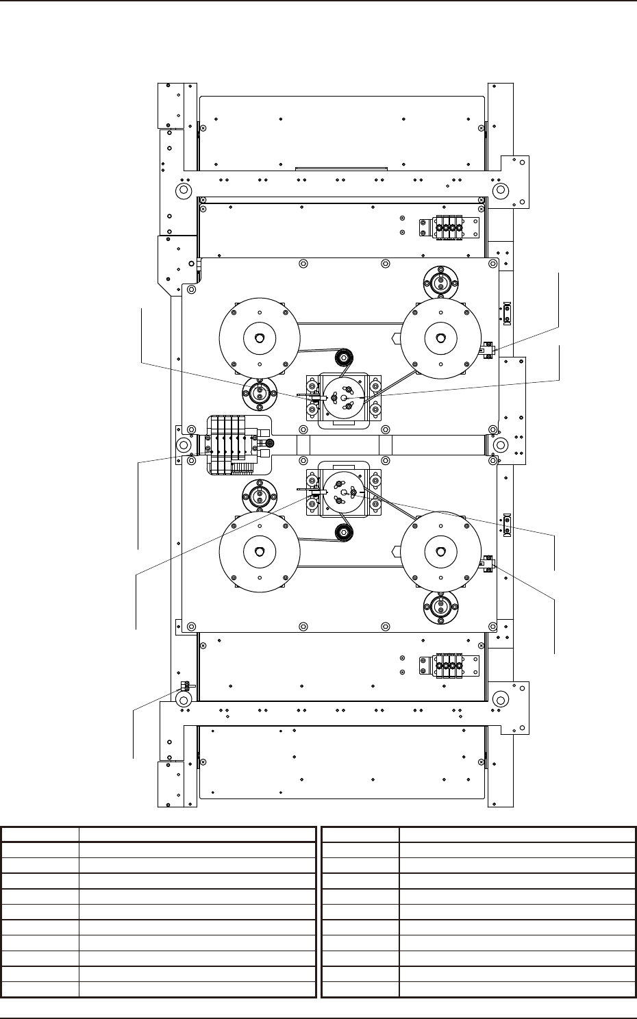
2-16199-5100
1.16 Conveyor Section Layout (Inside)
1.16 Conveyor Section Layout (Inside)
Symbol Name Symbol Name
Y1001
Z-Clamp Left 2 Cylinder Valve Descent
Y0810
Z-Clamp Left Cylinder Valve Descent
Y1002
Z-Clamp Left 2 Cylinder Valve Ascent
Y0811
Z-Clamp Left Cylinder Valve Ascent
B11104
Backup Left Origin Sensor
Y0812
Z-Clamp Right Cylinder Valve Descent
B21104
Backup Left Out-of-Control Detecting
Y0813
Z-Clamp Right Cylinder Valve Ascent
B11108
Backup Right Origin Sensor
Y0814 Left PCB Stopper Lifting Valve
B21108
Backup Right Out-of-Control Detecting
Y0815 Right PCB Stopper Lifting Valve
M45 Backup Left Motor
M46 Backup Right Motor
B11104
B11108
B1005
Y0811 Y0810
Y0813 Y0812
Y1002 Y1001
Y0814
Y0815
M45
M46
B21104
B21108

EUKYX
2-17199-5100
1.17 Component Recognition Camera Layout
1.17 Component Recognition Camera Layout
E191
E193
E192
B61
Symbol Name Symbol Name
B61 Component Recognition Camera
E191 Component Recognition Ring Lighting
E192 Component Recognition Coaxial Lighting
E193 Standard Mark Lighting A

EUKYX
2-18199-5100
1.18 Locating Section Layout
1.18 Locating Section Layout
B0521
B0520
B0515
B0514
Y0632,Y0932
Y0933,Y0933
B0614,B0615
B0914,B0915
B0611
B0911
B0515,0521 Amp
B0514,0520 Amp
Y0642
Y0942
B0610
B0910
B0521
B0520
B0515
B0514
Upper Stage: Front View
Lower Stage: Rear View
Symbol Name Symbol Name
Y0632 Feeder Base 2 Ascending Y0932 Feeder Base 1 Ascending
Y0633 Feeder Base 2 Descending Y0933 Feeder Base 1 Descending
Y0642
PCB Positioning Unit Drop Prevention Stopper 2
Y0942
PCB Positioning Unit Drop Prevention Stopper 1
B0515 Pick-up Error Detection (Front) B0514 Pick-up Error Detection (Rear)
B0521 Feeder Disengaged Latch Detection (Front) B0520 Feeder Disengaged Latch Detection (Rear)
B0515,0521Amp
Amplier
B0514,0520Amp
Amplier
B0610
Feeder Base 2 Y Direction Positioning Check 1
B0910
Feeder Base 1 Y Direction Positioning Check 1
B0611
Feeder Base 2 Y Direction Positioning Check 2
B0911
Feeder Base 1 Y Direction Positioning Check 2
B0614 Cylinder Upper Limit Detection (Front) B0914 Cylinder Upper Limit Detection (Rear)
B0615 Cylinder Lower Limit Detection (Front) B0915 Cylinder Lower Limit Detection (Rear)