wire-bonder.pdf - 第113页
WEST•BOND MODEL 454647E SERIES INSTRUCTION MANUAL 107 RADIANT HEATER CHARTS Dial Settings for 0.750” Tools This machine has been eq uipped with a Radiant Heater, which prov ides radiant heat around the bonding tool. The …

WEST•BOND MODEL 454647E SERIES INSTRUCTION MANUAL
106
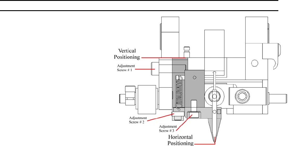
CLAMP ADJUSTMENT
Tools required to setup the 45° Clamp Blades:
1. Small Mirror
(single surface mirror preferred)
2. 0.028” Allen wrench
3. 5/64” Allen wrench
4. 3/32” Allen wrench
5. Bond Tool
(0.750” Length)
6. Bonding wire
7. Work holder.
The following procedure is for setting the 45-
degree clamp blades. When adjusted properly
the clamps will feed the wire through the bond
tool straight, leaving the wire tail directly under
the bond foot for all subsequent bonds.
Vertical Positioning
1. Using the 3/32” Allen wrench, loosen Adjustment Screw #1.
2. Position the Clamp Assembly so that the top of the assembly and the top of the tooling body are
flush. Run finger over to feel for elevation differences.
3. Tighten Adjustment Screw #1.
4. Install Bonding tool and wire.
Horizontal Positioning
5. Using the 5/64” Allen wrench, loosen Adjustment Screw #3, and lightly tighten
6. Using the 0.028” Allen wrench, back Adjustment Screw #2 out. D
O NOT REMOVE!
7. Using the index finger of your right hand, push the lower clamp assembly to the left while holding
the entire head assembly with your left have.
8. Place the mirror on the workholder, under the clamp assembly. Focus the microscope so the back
of tool and clamps are visible in the mirror.
9. Using Adjustment Screw #2, Push the lower clamp assembly to the right until the wire from clamps
to bond tool is straight.
10. Tighten Adjustment Screw #3.
Testing
11. Keeping the work holder and mirror under the clamp assembly. Exit the EDIT Menu (ESC).
12. Looking through the microscope. Open and Close the clamps several times. Note any alignment
issues. (Repeat: Horizontal Positioning procedure if there is a problem).
13. Again, looking through the microscope, attempt several feed cycles, noting any alignment
problems.

WEST•BOND MODEL 454647E SERIES INSTRUCTION MANUAL
107
RADIANT HEATER CHARTS
Dial Settings for 0.750” Tools
This machine has been equipped with a Radiant Heater, which provides radiant heat around the bonding tool.
The heater temperature is adjusted by the multi-dial labeled T
OOL HEAT, located on the front panel.
Model 4546E
2½ Turn Heater at 0.750” Tool Length
12º
45º
87º
118º
150º
158º
188º
200º
220º
245º
70º
0
25
50
75
100
125
150
175
200
225
250
275
012345678910
DIAL SETTING
TEMPERATURE (DEGEES CENTIGRADE)

WEST•BOND MODEL 454647E SERIES INSTRUCTION MANUAL
108
RADIANT HEATER CHARTS
Dial Settings for 0.625” Tools
This machine has been equipped with a Radiant Heater, which provides radiant heat around the bonding tool.
The heater temperature is adjusted by the multi-dial labeled T
OOL HEAT, located on the front panel.
Model 4700E
2½ Turn Heater at 0.625” Tool Length
13º
65º
100º
125º
135º
150º
168º
183º
192º
205º
82º
0
25
50
75
100
125
150
175
200
225
012345678910
DIAL SETTING
TEMPERATURE (DEGEES CENTIGRADE)