6-Segm. Collect - 第6页
6-Segm. Collect & Place head DLM2 Page 6 / 23 24.11.2021

6-Segm. Collect & Place head DLM2
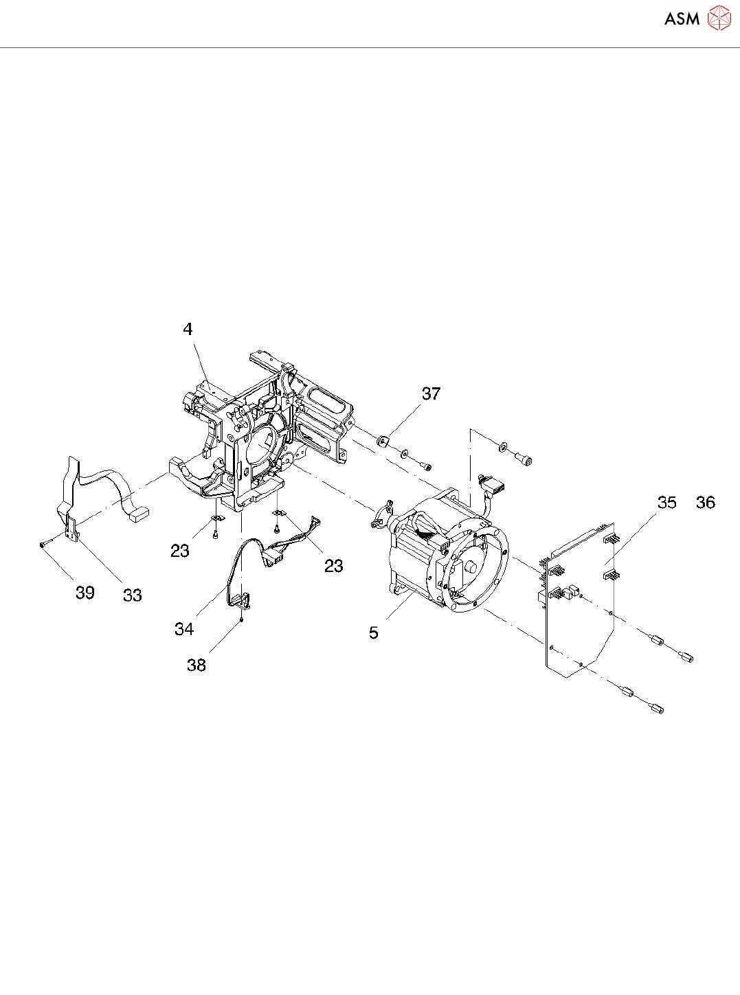
Page 5 / 23 24.11.2021

6-Segm. Collect & Place head DLM2
Page 6 / 23 24.11.2021

6-Segm. Collect & Place head DLM2
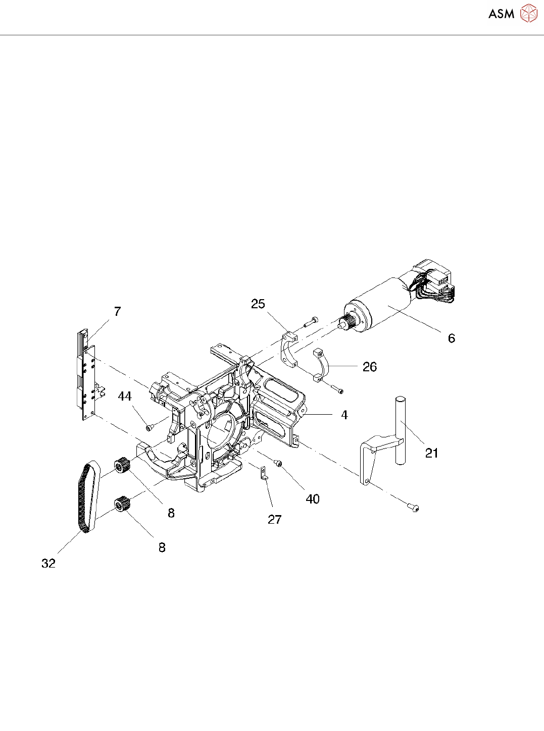
Page 7 / 23 24.11.2021