00198172-03_Technical_Training_FSE_TX-Series_ZH - 第105页
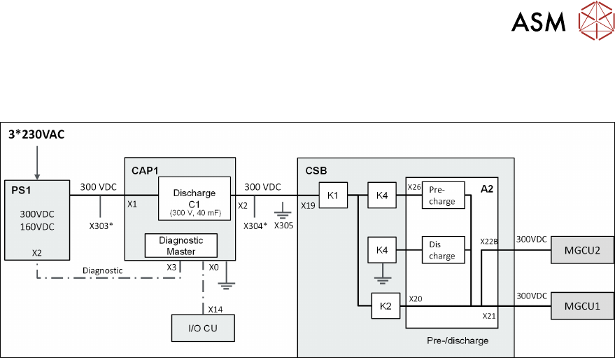
7 电源 7.3 电压概览方框图 技术培训 FSE SIPLACE TX系列 08/2018 105 7.3.2 主轴的 300 V 中间电路电压 下图显示了为贴片头轴生成 300V 中间电路电流。 * X303/X304 维修测试点(DC 300V 输入/输出) ● 主轴的 300VDC 中间电路电压由 PS1 电源组生成,直接通过 CAP1 和 CSB 单元传输到 MGCU。 ● 电容储能电池 CAP1 使用该 300VDC 充电。…

5 元件供应
5.11 练习:元件供应
74 技术培训 FSE SIPLACE TX系列 08/2018
5.11 练习:元件供应
1. 关于 TX 元件供应,下列哪项表述是正确的?
A SX4 或 XS 贴片机可以使用元件料台。
B 二级卷盘支撑装置必须进行额外改装。
C 料带废料箱是标准工业用箱。
D 料区 1 和 2 均可使用 JTF-ML。
2. 料区 1、料槽 13-1、2X8mm 供料器、片式元件均无法拾取,请列举可能的原因。
………………………………………………………………………………………………………
………………………………………………………………………………………………………
………………………………………………………………………………………………………
………………………………………………………………………………………………………
2. TX V2 贴片机中有多少块 FCU 控制器板?
A 1
B 2
C 取决于单传送导轨/双传送导轨的配置。
D 取决于悬臂的数量。
3. TX1/2 2 版和 TX2i 2 版的吸嘴装载盘数量相同。
正确 …………………………………………………………………………………………………
错误 …………………………………………………………………………………………………

7 电源
7.3 电压概览方框图
技术培训 FSE SIPLACE TX系列 08/2018 105
7.3.2 主轴的 300 V 中间电路电压
下图显示了为贴片头轴生成 300V 中间电路电流。
* X303/X304 维修测试点(DC 300V 输入/输出)
●
主轴的 300VDC 中间电路电压由 PS1 电源组生成,直接通过 CAP1 和 CSB 单元传输到
MGCU。
●
电容储能电池 CAP1 使用该 300VDC 充电。
●
主轴的预充电/放电控制以及储能电池的能源管理由安全断路器(CSB)中的预充/放电板-A2完
成。

6 传送导轨系统
6.2 规格
技术培训 FSE SIPLACE TX系列 08/2018 79
6.2 规格
TX 传送导轨规格摘录
双传送导轨标准(长 X 宽) 50 x 45mm 至 375mm x 260mm
双传送导轨单轨道模式(长 X 宽) 50 x 45mm 至 375mm x 460mm
标准 PCB 厚度 0.3 mm 至 4.5mm
PCB 最大重量 2 kg
PCB 下方间隙 25 mm*
PCB 最大曲度 2 mm
有关完整规格详情,请查看机器随附的《用户手册》。
*TX V2 PCB 下方间隙为 33 mm。
TX micron 传送导轨规格摘录
灵活的双传送导轨 20µm /25µm(长 X 宽) 50 mm x 55 mm 至 375mm x 260mm
灵活的双传送导轨 15µm(长 X 宽) 50 mm x 55 mm 至 250mm x 100mm
双传送导轨单轨道模式 20µm /25µm(长 X 宽) 50 mm x 55 mm 至 375mm x 460mm
标准 PCB 厚度 0.3 mm 至 4.5mm
PCB 最大重量 2 kg
PCB 下方间隙 25 mm
PCB 最大曲度 2.5 mm
6.3 TX V2 传送系统
1. TX2iV2 的传送位置越高,Z 轴的行程范围
越小。因此,C&P20P2 的元件高度最小为
2mm,CPP 最小为 4mm。
2. 为了确保相机的焦距正确无误,TX1/2V2
和 TX2iV2 贴片机使用的是不同的 PCB 相
机支架。