00198172-03_Technical_Training_FSE_TX-Series_ZH - 第108页
7 电源 7.3 电压概览方框图 108 技术培训 FSE SIPLACE TX系列 08/2018 7.3.5 24 VDC 受控和非受控 保险丝 1-3 和 5-10 电压 类型 保险丝 使用 24 VDC 非受控 F1 MGCU1 供电 24 VDC 非受控 F2 MGCU2 供电 24 VDC 非受控 F3 外部服务/风机供电(预留 I/O 和选配) 24 VDC 非受控 F5 控制计算机(PC)供电 24 VDC 非受控 F6…

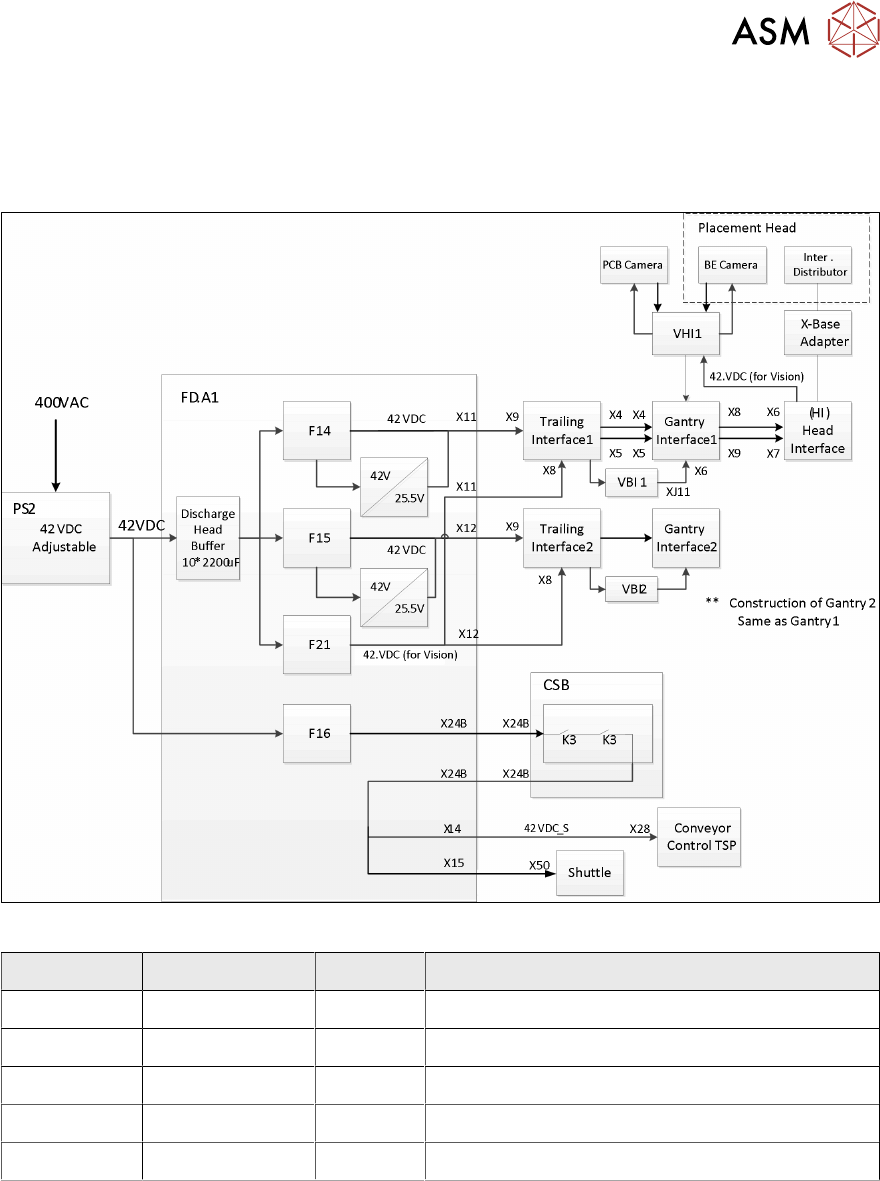
7 电源
7.3 电压概览方框图
技术培训 FSE SIPLACE TX系列 08/2018 107
7.3.4 42 VDC 受控和非受控
下图显示了生成 42V 中间电路。
电压 类型 保险丝 使用
42 VDC 非受控 F14 Z 电机 CP20 悬臂 1
42 VDC 非受控 F15 Z 电机 CP20 悬臂 2
42 VDC 非受控 F21 相机照明(元件和 PCB)悬臂 1 和 2
42 VDC 非受控 F21 固定式相机的照明
42 VDC 受控 F16 传送导轨驱动电机

7 电源
7.3 电压概览方框图
108 技术培训 FSE SIPLACE TX系列 08/2018
7.3.5 24 VDC 受控和非受控
保险丝 1-3 和 5-10
电压 类型 保险丝 使用
24 VDC 非受控 F1 MGCU1 供电
24 VDC 非受控 F2 MGCU2 供电
24 VDC 非受控 F3 外部服务/风机供电(预留 I/O 和选配)
24 VDC 非受控 F5 控制计算机(PC)供电
24 VDC 非受控 F6 显示器/CIN(Can 接口)/PC(选配)供电
24 VDC 非受控 F7 传输导轨控制供电(TSP-420M 内部带微保险丝)
24 VDC 非受控 F8 未使用
24 VDC 非受控 F9 未使用
24 VDC 非受控 F10 用于电源单元内部诊断

7 电源
7.3 电压概览方框图
技术培训 FSE SIPLACE TX系列 08/2018 109
保险丝 4
电压 类型 保险丝 使用
24 VDC 非受控 F4 安全回路供电(急停、安全开关、Start/Stop(启
动/停止)按钮….)回路
24 VDC 非受控 F4 气压单元供电(比例阀/主压力阀)
24 VDC 非受控 F4 急停 (Emergency Stop) 按钮 R/L 供电
24 VDC 非受控 F4 料台1/2 安全开关供电
24 VDC 非受控 F4 影像系统(IC 相机)供电