00198172-03_Technical_Training_FSE_TX-Series_ZH - 第68页
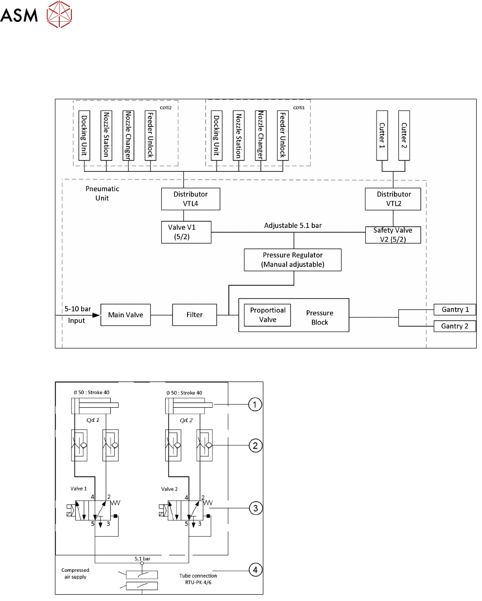
5 元件供应 5.8 元件供应的气压及电气系统 68 技术培训 FSE SIPLACE TX系列 08/2018 5.8 元件供应的气压及电气系统 5.8.1 气压系统概览 料带割刀气压系统 1. 割刀刀片的驱动气缸(40 mm 移动冲程) 2. 气缸上的可调节流阀。可在贴片机软件中检 查节流时间。如需详情,请参阅《维修手 册》。 3. 5/2向电磁阀 4. 5.1 巴压缩空气供给 控制系统打开时,仅切割器启用。

5 元件供应
5.7 TX 抛料板
技术培训 FSE SIPLACE TX系列 08/2018 67
5.7 TX 抛料板
抛料板是 TX1 和 TX2 贴片机料区 1 的选装件。可将有影像问题的元件放到抛料板上(不要将其抛入
抛料盒中)。
抛料板上的被抛元件将会显示以下信息:
●
抛料板上元件的位置
●
拾取元件的位置(如果从料盘上拾取元件,则仅显示级别和吸嘴装载盘的数量,并不会显示吸
嘴装载盘中的拾取位置!)
●
相关影像转储
●
元件名称
●
元件形状
如已安装抛料板,则需在贴片机软件中进行配置。
需在各元件/元件形状的 SIPLACE Pro 中启用该选项。
可以通过“移除抛料板上的元件”按钮确认将元件从抛料板上移除。各元件均需确认。

5 元件供应
5.8 元件供应的气压及电气系统
68 技术培训 FSE SIPLACE TX系列 08/2018
5.8 元件供应的气压及电气系统
5.8.1 气压系统概览
料带割刀气压系统
1. 割刀刀片的驱动气缸(40 mm 移动冲程)
2. 气缸上的可调节流阀。可在贴片机软件中检
查节流时间。如需详情,请参阅《维修手
册》。
3. 5/2向电磁阀
4. 5.1 巴压缩空气供给
控制系统打开时,仅切割器启用。

5 元件供应
5.8 元件供应的气压及电气系统
技术培训 FSE SIPLACE TX系列 08/2018 69
装卸单元气压系统
1. 用于移动凸轮盘的气缸
2. 用于调整气压速度的节流阀(载入和卸除约
2-3 秒时间)
3. 气缸,用于在卸除过程中推出 COT
4. 控制气缸的 5/2 向阀
5. 预防电气故障情况的安全控制阀
5.8.2 电气系统概览
FD.A1 保险/连接板TX VNS 吸嘴站电磁阀
FDC 保险和分配接头板 SRB 抛料盒传感器
FCU 供料器控制单元 TC 料带割刀
COTi COT单元 NC 吸嘴交换器
FUD 供料器解锁装置 VCOTi COT 单元电磁阀