TT2Parts List__N7202A058B.pdf - 第376页
55-E 汎用型転写ユニット(メカ):NPM MULTIFUNCT IONAL TRANSFER UNIT:NPM パーツレイアウト Kit No. キット 品番 Kit Name キット名称 N610095857AB セクションNo. PARTS LAYOUT Section No. - - O193 ( KN610095857AB-06-5 )

Ref
No.
Remarks R
1
Q'ty
55-D
汎用型転写ユニット(メカ):NPM
MULTIFUNCTIONAL TRANSFER UNIT:NPM
イラスト
No.
Part No.
品 名品 番 数量
R
2
パーツリスト
Kit No.
キット品番
Kit Name
キット名称
N610095857AB
Part Name
備 考
セクションNo.
PARTS LIST
Section No.
R
3
BAR
1
1 N210124741AA
PLATE
1
2 N210196180AC
PLATE
1
3 N210128050AB
SCRAPER
1
4 N210175463AA
A
PLATE
1
5 N210197686AB
BAR
1
6 N210124745AA
PLATE
2
7 N210075312AA
BRACKET
1
9 N210075313AA
BRACKET
1
10 N210075314AA
COVER
1
11 N210066075AB
COVER
1
12 N210066076AB
PLATE
2
16 N210124747AB
COLLAR
2
17 N210066917AA
KNOB
2
18 N210124748AA
PIPE
1
21 N210124749AB
BAND
1
22 N210172664AA
SPACER
1
23 N510029470AA ASF-315E
COLLAR
4
24 N210159704AA
SPRING
2
25 N510033772AA 5531
FIBER
1
26 N510064527AA FT-Z30EW
SCREW
4
31 XSN2+6VW
Cross recessed Pan head machine screw M2X6-A2-70
BLOCK
1
37 N210082798AA
BLOCK
1
38 N210082806AA
SCREW
4
40 N510018253AA
Cross recessed Truss head machine screw M3X6-4.8 A2J (Trivalent)
SCRAPER-KIT
1
41 N610102730AF
PLATE
2
43 N210172686AB
PIN
2
46 N510020588AA MMS3-6
BOLT
2
47 N510017330AA
Hexagon socket head cap screw M3X4-10.9 A2J (Trivalent)
PIN
2
48 N510020588AA MMS3-6
SCREW
4
49 XSS3+5VW
Cross recessed Countersunk head machine screw M3X5-A2-70
O192
--
( KN610095857AB-06-4 )

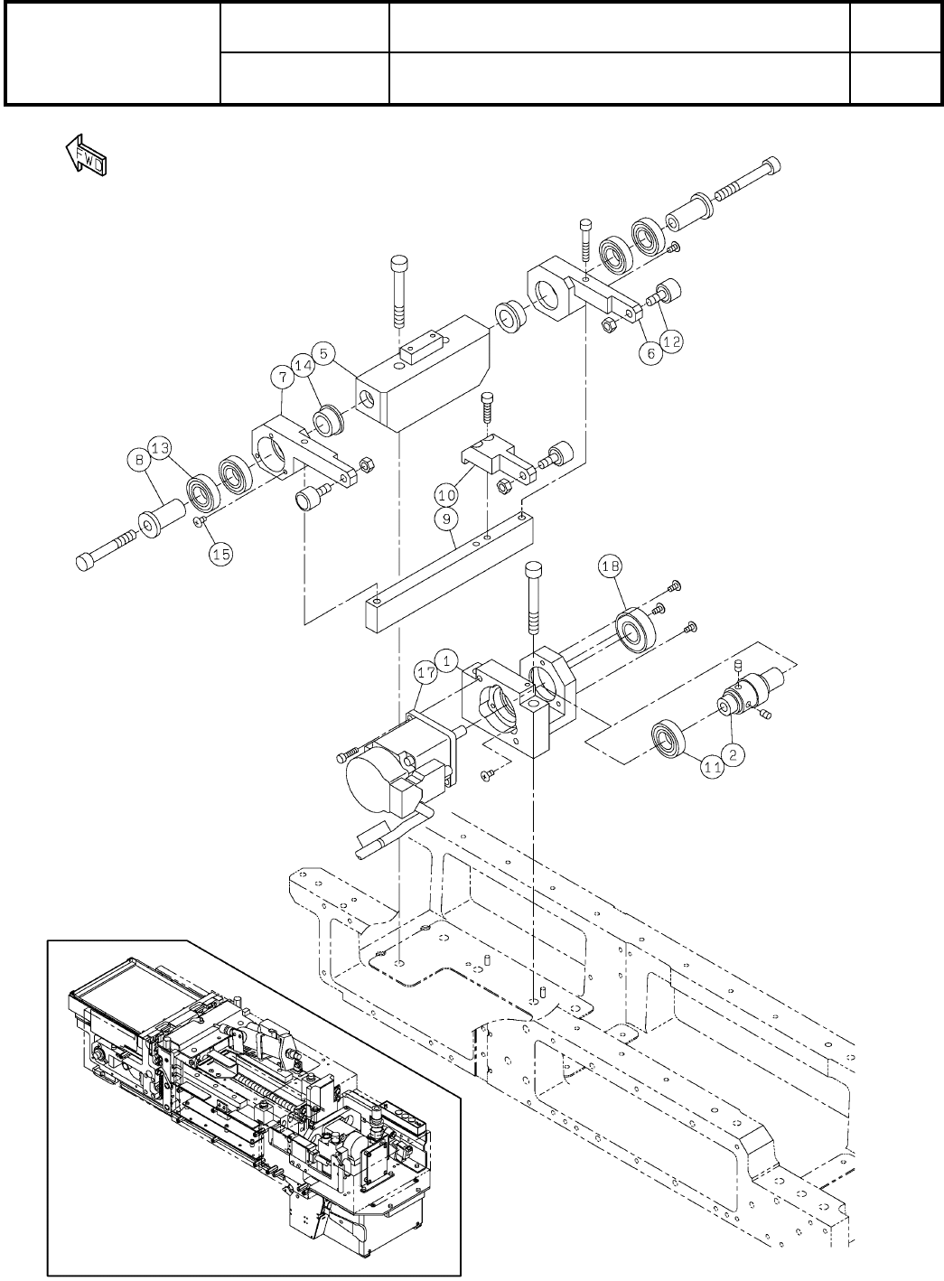
55-E
汎用型転写ユニット(メカ):NPM
MULTIFUNCTIONAL TRANSFER UNIT:NPM
パーツレイアウト
Kit No.
キット品番
Kit Name
キット名称
N610095857AB
セクションNo.
PARTS LAYOUT
Section No.
--
O193
( KN610095857AB-06-5 )

Ref
No.
Remarks R
1
Q'ty
55-E
汎用型転写ユニット(メカ):NPM
MULTIFUNCTIONAL TRANSFER UNIT:NPM
イラスト
No.
Part No.
品 名品 番 数量
R
2
パーツリスト
Kit No.
キット品番
Kit Name
キット名称
N610095857AB
Part Name
備 考
セクションNo.
PARTS LIST
Section No.
R
3
BRACKET
1
1 N210125558AB
CAM
1
2 N210088591AC
BLOCK
1
5 N210117423AB
ARM
1
6 N210117424AB
ARM
1
7 N210117425AB
COLLAR
2
8 N210063162AC
BAR
1
9 N210063085AC
ARM
1
10 N210063086AD
BEARING
1
11 KXF00MLAA00 6901ZZ2CM
CAM-FOLLOWER
3
12 N510026046AA CF5FBUUR
BEARING
4
13 N510010068AA 6901ZZC2
WASHER
2
14 N210159703AB
SCREW
12
15 XST3+6VW
Cross recessed Truss head machine screw M3X6-A2-70
MOTOR
1
17 N610069410AB
S
BEARING
1
18 KXF00K0AA00 6001ZZCM
O194
--
( KN610095857AB-06-5 )