YG12_kjv_e - 第8页
Confidential & Proprietary P A G E CN2 CN1 FID.LIGHT BRD. AS SY CN2 CN1 FID.LIGHT BRD. AS SY FIDUCIAL CAMERA 2(OPTION) FIDUCIAL CAMERA 1 FCAM1 FCAM2 FID2 FID1 J0504 J0300 J0505 J0301 E03 SC+24V Y1-AXIS OVER TRA VEL N…

Confidential & Proprietary
PAGE
P025
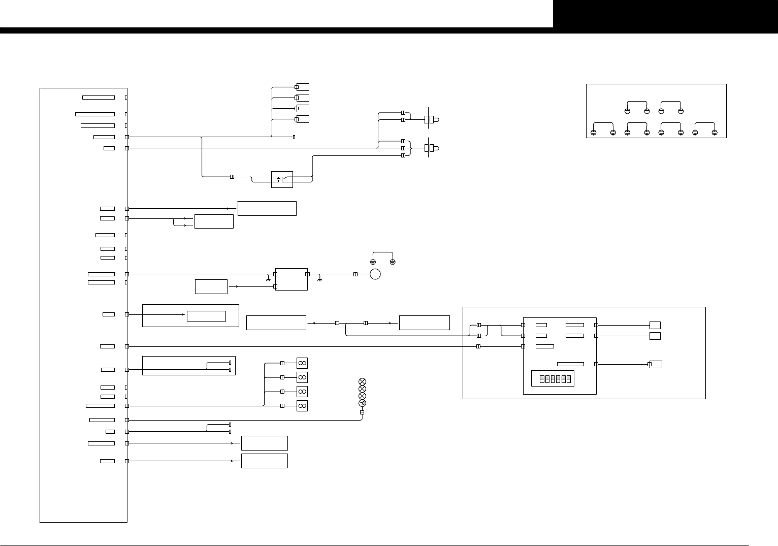
I/O CONVEYOR BOARD ASSY
CN29SS FEEDER
CN27+24VF5
J0028CN27
CN28
J0049
CAMERA UNIT SEL.
See Page 7
MULTI CAMERA POWER
+24VS2
CN28
See Page 2
SERVO BREAKE +24V
CONTROL BOX
EXT.PWR
+24VD4
+24VD3
CN31
CN30
CN2 CN3
CONVEYOR MOTOR 1 30W
CV1
CV1 CN3CV1 CN2
CN1
DCN1
J0064
□60 MAX 300rpm
P011
CONVEYOR DRIVER 1
J0047
CN32MCH C/V MOTOR
J0062
CN33YTF C/V MOTOR
POWER CIRCUIT
KM11A
CN32
CN43+24VF3,+24VC1
J0042CN43
I/O HEAD
I/O HEAD POWER
See Page 6
CN40SIGNAL TOWER
CN39FAN LOCK ALARM
+24VD2
+24VD1
CN38
CN37
CN41AMF
J0048
J0221
J0225
T0100034
T0100035
AMF1
AMF2
CN39
CN40
CN41
FAN1
FAN2
FAN3
FAN4
CN36+24VF7
CN41
+24V
+24VJ0885
STACK STICK FEEDER(OPTION)
CN1 COM1
CN2 COM2
DI00/ANC
DI01/ANC
DC24V INCN10
SQ061
SQ062
N0101070
N0101071
NOZZLE STATION OPEN
NOZZLE STATION CLOSE
ANC CN1
ANC CN2
I/O A
I/O A
ANC+24V
ANC CN10
J0112
J0056
CN35+24VF6
J0051CN35
CN11
CN11A
DO00,DO01/ANC
J0196 ANC OPEN
YV022
T0100800
NOZZLE STATION OPEN
ANC CTRL BOARD ASSY
ANC STATION(OPTION)
BUZZER
RUN(GREEN)
HL11
T01000D2
T01000D0
T01000D1
T01000D6
ALARM(RED/WHITE)
ERROR(YELLOW/BLUE)
I/O A I/O A
J0102
See Page 2
CONTROL BOX
INTERFACE BOARD
J0101
IF1 I/OCN14
I/O CONVEYOR BOARD
See Page 3
J0103
HL11
21
OFF
ON
3 5 64
DIP SW(S2)
M19
ION I/F BOARD ASSY
IONIZER ASSY(OPTION)
CN34+24E
CN34
J0871
CN44+24VS1
J0711CN44
See Page 9
I/O TF BOARD POWER
CN2
REAR BOTTOM COVER
FAN2
FAN1
FAN3
FAN4
SIDE PANEL
SIDE PANEL
TRNS ROOM
N01008B4
N01008B5
N01008B6
N01008B7
CN6
CN6A
CN7A
CN7
See Page 13
See Page 11
REAR RIGHT(R1)REAR LEFT(R2)
J0086J0085
FRONT CENTER
REAR CENTER
J0083
COVER EARTH
FRONT RIGHT(F2)
J0087
J0084
J0099
USB
CONVEYOR
J0081
CN21CART UP/DOWN VLV
CN25GATE
CN23
CN24
MULTI CAM.UP/DOWN
VLV(CONV.)
J0222
CN22CART PW.ON/OF SIGNAL
CN24
YV006
YV005
EXIT ST
SUB ST SUB STOPPER UP
EXIT STOPPER UP
T0100024
T0100025
YV003
CLAMP 1
T0100022
MAIN ST1
YV001
T0100020
PCB CLAMP
MAIN STOPPER UP
STAGE-1
STAGE-1
EX
J0187
J0186
PREV C
NEXT B
NEXT A
PREV B
PREV A
J0199
J0198
INTERFACE PANEL
INTERFACE PANEL
J0224
J0223
PREVIOUS INTERFACE
BA IN/UR IN
BUSY OUT/LR OUT
NEXT INTERFACE
BUSY IN/LR IN
BA OUT/UR OUT
COUNT RESET
3 OUT
4 COM
5
1 4
3
KA01
5 DO
1 0V
PREV
J0185CN25
P018
CC.V3
5
I/O CONVEYOR -3-
YG12

Confidential & Proprietary
PAGE
CN2
CN1
FID.LIGHT BRD. ASSY
CN2
CN1
FID.LIGHT BRD. ASSY
FIDUCIAL CAMERA 2(OPTION)
FIDUCIAL CAMERA 1
FCAM1
FCAM2
FID2
FID1
J0504
J0300
J0505
J0301
E03
SC+24V
Y1-AXIS OVER TRAVEL
N0100981
N0100980
Y1-AXIS ORG
M07
M06
M09
M08
M11
M10
M13
M12
M15
M14
M17
M16
R2-AXIS 15W
J0305
J0301
J0321
CAM1
CAM2
P082
LIGHT1CN7
CAM1CN4
CAM2CN6
LIGHT1
CAM3
Z10-AXIS 10W
Z9-AXIS 10W
Z8-AXIS 10W
Z7-AXIS 10W
Z6-AXIS 10W
Z5-AXIS 10W
Z4-AXIS 10W
Z3-AXIS 10W
Z2-AXIS 10W
MAX 1m/s
MAX 1m/s
MAX 1m/s
MAX 1m/s
MAX 1m/s
MAX 1m/s
MAX 1m/s
MAX 1m/s
MAX 1m/s
Z1-AXIS 10W
MAX 1m/s
□42 MAX 2000rpm
□42 MAX 2000rpm
R1-AXIS 15W
IF10
IF9
IF8
IF7
IF6
IF5
IF4
IF3
IF2
IF1
J0318
J0317
J0316
J0314
J0313
J0312
J0311
J0315
SCP
IF SCP
CN19
CN18
CN21
HEAD EMG
CAMOUT
FAN6
FAN5
CN3
CN2
CN1
Z10M
Z9M
Z8M
Z7M
Z6M
Z5M
Z4M
Z3M
Z2M
Z1M
J0320
YV311
HEAD 10(VACUUM/BLOW)
HEAD 9(VACUUM/BLOW)
HEAD 8(VACUUM/BLOW)
HEAD 7(VACUUM/BLOW)
HEAD 6(VACUUM/BLOW)
HEAD 10
HEAD 9
HEAD 8
HEAD 7
HEAD 6
SH BLOW
T002C000/T002C002
T002C001/T002C003
T002C400/T002C402
T002C401/T002C403
T003C400
SHAFT BLOW
YV310
YV309
YV307
YV308
T002C800/T002C802
YV306
HEAD 5(VACUUM/BLOW)
HEAD 4(VACUUM/BLOW)
HEAD 3(VACUUM/BLOW)
HEAD 2(VACUUM/BLOW)
HEAD 5
HEAD 4
HEAD 3
HEAD 2
HEAD 1(VACUUM/BLOW)HEAD 1
T002C801/T002C803
T002CC00/T002CC02
T002CC01/T002CC03
T003C000/T003C002
T003C001/T003C003
YV301
YV302
YV303
YV304
YV305
IF SCP
HEAD SERVO UNIT ASSY
CN15DI1
CN14DI0
CN17
CN16
N002D005
N002D006
SQ302
X1-AXIS
OVER TRAVEL
SQ301
X1-AXIS
ORIGIN
ORG
XORG
OT
XOT
CN19
CN18
DO1
DO0
AD0
CN21
VAC.SENSOR BOARD ASSY
VACJ0304
CN5FAN2
FAN1 CN4
FAN2
FAN1
J0302
J0123
+24VOUT CN2
CN3TXD/RXD
LINEAR IF BOARD ASSY P048
HEAD SERVO1 P042
HEAD SERVO2 P043
HEAD SERVO3 P044
HEAD SERVO4 P045
HEAD SERVO5 P046
HEAD SERVO6 P047
CN1
R2
MO2 CN3
R1
MO1 CN2
J0319 SENS10
SENS9
J0310
SENS8
SENS7
SENS6
SENS5
SENS4
SENS3
SENS2
SENS1 CN2
CN1SENS0
SENS1 CN2
CN1SENS0
SENS1 CN2
CN1SENS0
SENS1 CN2
CN1SENS0
SENS1
SENS1
MO2
CN2
CN1SENS0
MO2
MO1
MO2
MO1
MO2
MO1
MO2
MO1
MO1
CN3
CN2
CN3
CN2
CN3
CN2
CN3
CN2
CN3
CN2
Y1OT
Y1ORG
Y1OT
Y1ORG
SCM
I/O HEAD BOARD ASSY P041
BOARD ASSY
I/O TERMINAL
CN43
POW/EMG
SQ005
SQ001
KM12,XT31
DC48V,0V48
I/O CONV BOARD
See Page 5
See Page 3
I/O CONV BOARD
CN12
H+24V
J0190
J0162
J0042
DUCT Y
FLEXIBLE
J0043 J0055H+48V
DUCT X
FLEXIBLE
POW/EMG
J0044
J0134
CAM2
J0133
J0502J0503
CAMERA SELECTOR
J0121J0122
J0141
SRVB
CONTROL BOX
See Page 2
INTERFACE BOARD
CONTROL BOX
See Page 2
VISION BOARD
CAM2
MO1
PI1
CONTROL BOX
See Page 2
SERVO BOARD 1
J0145
SCP
SCM
SRVB2
SRVB1
SCM
SCP
SRVB2
SRVB1
J0146
LIGHT3CN10
CAM3CN8
LIGHT2CN9
CN11 DC24V CAMOUT CN5
C+24V
LIGHT2
J0124
D.CAM1
D.CAM2
CN1SENS0
CN4ENC DIFF
See Page 13
J0307
CAM3
SC+24V
CN1
CN3
SCAN J0514
POCL
+24V
CN4LIGHT CN1 LIGHT I/F
SCAN CAM.SUB ASSY OF.LIGHT BRD.ASSY.
OF.SV.LIGHT BRD ASSY
SCAN CAM. ASSY
P083
P085
P084
SCAN UNIT ASSY
SCM
M18
MAX 1.5m/s
SC-AXIS 85W
CN2
CN1
SCAN AXIS ASSY
SENSOR BOARD ASSY
P088SC-AXIS
J0306
P086
P087
P049
J0072J0073
CC.V3
6
HEAD SERVO UNIT
YG12

Confidential & Proprietary
PAGE
SIDE
CN3
CN4
COAX
CN5 DVRI/F
M.LIGHT COAX. ASSY
CN1MAIN
MAIN J0510
J0509
SUB CX
MAIN
SUB CXMAIN
P070
MAIN
MAIN
P069
MAIN
MAIN
P068
MAIN
MAIN
P067
MAIN
MAIN
P066
M I/F
MAIN
P065 P063
SUB CX
SUB CX
P064
M.LIGHT MAIN ASSY M.LIGHT SUB CX. ASSY
J0508CAM1
CN8 POCL
+24V
L+24V
CN6LIGHT
M.CAM
J0501
J0048
I/O CONVEYOR BOARD
See Page 5
CONTROL BOX
See Page 2
CAM1
VISION BOARD
CN28
MULTI CAMERA POWER
CONTROL BOX
See Page 2
CAM3
VISION BOARD
SIDE
CN3
CN4
COAX
CN5 DVRI/F
M.LIGHT COAX. ASSY
CN1MAIN
MAIN
SUB CX
MAIN
SUB CXMAIN
MAIN
MAIN
MAIN
MAIN
MAIN
MAIN
MAIN
MAIN
M I/F
MAIN
SUB CX
SUB CX
M.LIGHT MAIN ASSY M.LIGHT SUB CX. ASSY
CN8 POCL
+24V
L+24V
CN6LIGHT
M.CAM
CAM3 J0511
J0512
J0513
P073 P074P075 P076 P077 P078 P079 P080
P071 P072
P062P061
SUB CX
SUB CX
SUB COAX
SUB COAX
CN4
J0507
CN4
MULTI CAM. SUB ASSY
MULTI CAM. SUB ASSY
DIGITAL MULTI CAMERA 1 ASSY(FRONT)
DIGITAL MULTI CAMERA 2 ASSY(REAR)
CC.V3
7
MULTI CAMERA UNIT SEL.(OPTION)
YG12