HT121 (Mechanical20111025) - 第14页
在线预览 HT121 (Mechanical20111025) PDF 文档。

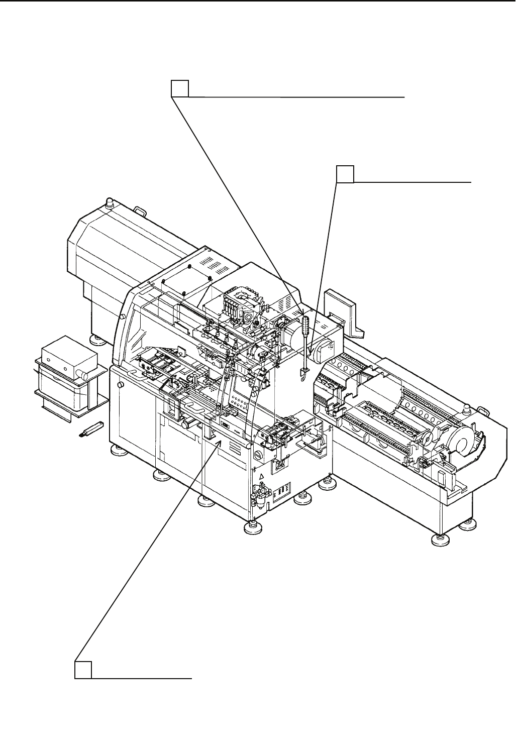
HT121 (NM-HE20)
全体図
UNIT LAYOUT
[◆選択仕様 OPTIONAL EQUIPMENT]
FZN7203A383B00-3
14
シグナルタワー部
(
赤
/
黄
/
緑
)
SIGNAL TOWER SECT. (RED/YELLOW/GREEN)
15
フリッカーブザー部
BUZZER SECT.
16
プリンター部
PRINTER SECT.

目 次 CONTENTS
摘要:
M 機械部品 MECHANICAL PARTS
標準仕様
STANDARD EQUIPMENT
本体部
(メインフレーム部)
MAIN BODY SECT
.(MAIN FRAME SECT.)・・・・・・・・・・・・・・・・・・
1
M1
本体部(アッパーフレーム部) MAIN BODY SECT.(UPPER FRAME SECT.)・・・・・・・・・・・・・・・・・
1
M3
本体部(
Z軸フレーム部<150連>)
MAIN BODY SECT
.(Z-AXIS FRAME SECT.<150 FEEDERS>)・・・
1
M5
カバー部(1) COVER SECT.(1)・・・・・・・・・・・・・・・・・・・・・・・・・・・・・・・・・・・・・
2
M7
カバー部(2) COVER SECT.(2)・・・・・・・・・・・・・・・・・・・・・・・・・・・・・・・・・・・・・
2
M9
カバー部(3) COVER SECT.(3)・・・・・・・・・・・・・・・・・・・・・・・・・・・・・・・・・・・・・
2
M11
カバー部(4) COVER SECT.(4)・・・・・・・・・・・・・・・・・・・・・・・・・・・・・・・・・・・・・
2
M13
カバ
ー部(5)
COVER SECT.(5
)・・・・・・・・・・・・・・・・・・・・・・・・・・・・・・・・・・・・・
2
M15
カバー部(6) COVER SECT.(6)・・・・・・・・・・・・・・・・・・・・・・・・・・・・・・・・・・・・・
2
M17
カバー
部(M専用部1)
COVER SECT.(M EXCLUSIVE SECT
.-1)・・・・・・・・・・・・・・・・・・・
2
M19
カバー部(M専用部2) COVER SECT.(M EXCLUSIVE SECT.-2)・・・・・・・・・・・・・・・・・・・
2
M21
カバー
部(M専用部3)
COVER SECT.(M EXCLUSIVE SECT
.-3)・・・・・・・・・・・・・・・・・・・
2
M23
カバー部(Z軸安全BOX1) COVER SECT.(Z-AXIS SAFETY BOX-1)・・・・・・・・・・・・・・・・・・・
2
M25
カバー部(Z軸安全
BOX2)
COVER SECT.(Z-AXIS SAFETY BOX
-2)・・・・・・・・・・・・・・・・・・・
2
M27
カバー部(Z軸安全BOX3) COVER SECT.(Z-AXIS SAFETY BOX-3)・・・・・・・・・・・・・・・・・・・
2
M29
カバー部(Z軸安全
BOX4)
COVER SECT.(Z-AXIS SAFETY BOX
-4)・・・・・・・・・・・・・・・・・・・
2
M31
カバー部(Z軸安全BOX5) COVER SECT.(Z-AXIS SAFETY BOX-5)・・・・・・・・・・・・・・・・・・・
2
M33
カバー部(Z軸安全BOX6) COVER SECT.(Z-AXIS SAFETY BOX-6)・・・・・・・・・・・・・・・・・・・
2
M35
カバー部(Z軸安全BOX7) COVER SECT.(Z-AXIS SAFETY BOX-7)・・・・・・・・・・・・・・・・・・・
2
M37
カバー部(Z軸安全BOX8) COVER SECT.(Z-AXIS SAFETY BOX-8)・・・・・・・・・・・・・・・・・・・
2
M39
X-Yテーフ
゙ル部(基板搬送部1)
X-Y TABLE SECT
.(P.C.B.TRANSFER SECT.-1)・・・・・・・・・・・・
3
M41
X-Yテーブル部(基板搬送部2) X-Y TABLE SECT.(P.C.B.TRANSFER SECT.-2)・・・・・・・・・・・・
3
M43
X-Yテーブ
ル部(基板サポートプレート部)
X-Y TABLE SECT
.(P.C.B.SUPPORT PLATE SECT.)・・・・・・・・・
3
M45
X-Yテーブル部(基板サポート駆動部1) X-Y TABLE SECT.(P.C.B. SUPPORT DRIVING SECT.-1)・・・・
3
M47
FMN7203A383B00-1