HT121 (Mechanical20111025) - 第189页
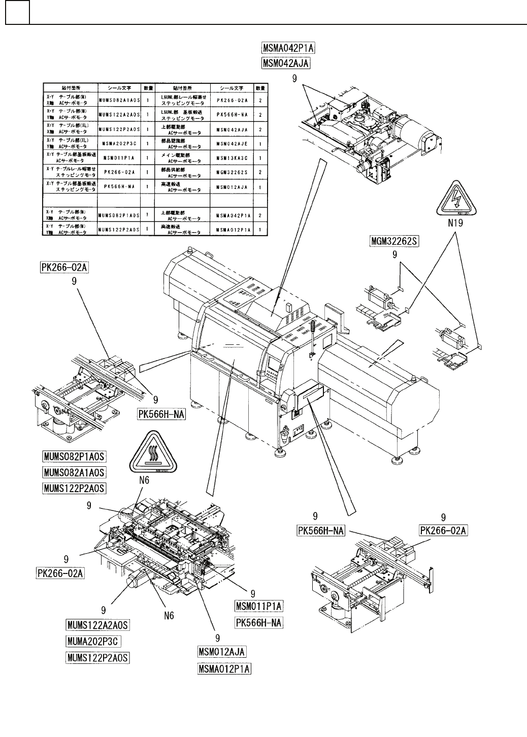
PART No. イラスト No. REF No. PART NAME REMARKS Q'TY 12 表示ラベ ル部(2) INDICATION LABEL SECT.(2) 部 品 名 品 番 個数 備 考 R 1 R 2 1 9 108116800902 LABEL ラヘ ゙ル PC010301 S 2 N 6 N986PC010301 LABEL ラベル PC000601 2 N19 N986PC000601 LA…

表示ラベル部(2)
INDICATION LABEL SECT.(2)
12
F10811-68-000-AK_A-2
M167

PART No.
イラスト
No.
REF
No.
PART NAME
REMARKS
Q'TY
12
表示ラベル部(2)
INDICATION LABEL SECT.(2)
部 品 名 品 番 個数
備 考
R
1
R
2
19 108116800902
LABEL ラヘ
゙ル
PC010301 S
2
N 6 N986PC010301
LABEL ラベル
PC000601
2
N19 N986PC000601
LABEL ラベル
M168
F10811-68-000-AK_A-2

表示ラベル部(3)
INDICATION LABEL SECT.(3)
12
F10811-68-000-AK_A-3
M169