00195398-0103-AI-01005Paket_DE_EN - 第7页
Mont ag ea nl ei tun g 01 00 5- Pak et Au sg ab e 12 /2 00 7 7 1 Mont ageanle it ung 010 05 -Pak et SI PLA CE D1 /D2/ D4 HINWEIS: In dieser Anleitung ist die Rede von sogena nnten 01005 Bauteilen. 01005 ist die im Amerik…
Montageanleitung/Assembly Instructions
Ausgabe 12/2007 Issue
6
4 Appendix . . . . . . . . . . . . . . . . . . . . . . . . . . . . . . . . . . . . . . . . . . . . . . . . . . . . . . . . . 69
4.1 Guideline for a Successful 1005-Placement . . . . . . . . . . . . . . . . . . . . . . . . . . . . . . . . . . . . . . . . . 69
4.1.1 Summary of the most important Settings. . . . . . . . . . . . . . . . . . . . . . . . . . . . . . . . . . 69
4.1.1.1 on the SIPLACE Machine. . . . . . . . . . . . . . . . . . . . . . . . . . . . . . . . . . . . . . . . . . . . 69
4.1.1.2 SIPLACE Pro . . . . . . . . . . . . . . . . . . . . . . . . . . . . . . . . . . . . . . . . . . . . . . . . . . . . . 69
4.1.1.3 Handling of Nozzles . . . . . . . . . . . . . . . . . . . . . . . . . . . . . . . . . . . . . . . . . . . . . . . . 70
4.1.1.4 PCB upport. . . . . . . . . . . . . . . . . . . . . . . . . . . . . . . . . . . . . . . . . . . . . . . . . . . . . . . 70
4.1.1.5 Testing First Placement Run . . . . . . . . . . . . . . . . . . . . . . . . . . . . . . . . . . . . . . . . . 70
4.1.2 (Error Detection (Fine tuning) . . . . . . . . . . . . . . . . . . . . . . . . . . . . . . . . . . . . . . . . . . 71
4.1.2.1 Error: Bad Error Rate . . . . . . . . . . . . . . . . . . . . . . . . . . . . . . . . . . . . . . . . . . . . . . . 72
4.1.2.2 Error: Face-Down Error, GF Out of Tolerance (Vision Error) . . . . . . . . . . . . . . . . . 73
4.1.2.3 Error: During Placement. . . . . . . . . . . . . . . . . . . . . . . . . . . . . . . . . . . . . . . . . . . . . 74

Montageanleitung 01005-Paket
Ausgabe 12/2007
7
1 Montageanleitung 01005-Paket
SIPLACE D1/D2/D4
HINWEIS:
In dieser Anleitung ist die Rede von sogenannten 01005 Bauteilen. 01005 ist die im Amerikani-
schen Sprachraum übliche Bezeichnung für ein Bauteil mit den Maßen 0,4 x 0,2 mm. Da im Asia-
tischen Raum Bauteile immer mit den metrischen Längen- und Breitenangaben identifiziert
werden wird dort dieses Bauteil als "0402"(metrisch) bezeichnet. 1

Montageanleitung 01005-Paket
Ausgabe 12/2007
8
1.1 Funktionsbeschreibung
Um 01005 Bauelemente an einer SIPLACE D1/D2/D4 Maschine bestücken zu können ist die
nachfolgend beschriebene Nachrüstung erforderlich. Zusätzlich müssen bestimmte Bedingungen
erfüllt werden. 1
Der 12 Segment C&P 12 DLM 3 Bestückkopf muss mit der hochauflösenden Kamera (Typ 38)
ausgerüstet sein. Die Bestückung erfolgt mit einer speziellen Pinole und der Pipette 905, die am
Bestückkopf vorhanden sein muss. Ein spezieller Förderer sorgt dafür, dass die Bauelemente op-
timal zugeführt werden können. 1
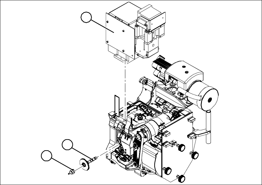
Abb. 1 12- Segment Collect & Place-Kopf mit Bauelemente-Kamera, Pinole und Pipette
(1) Bauelemente-Kamera C&P, Typ 38, 16x16 digital
(2) Pinole 01005 (12er Pinole/270° Teilung)
(3) Pipette, Typ 905
1
3
2