SI-H1000_PL_2nd - 第134页
B-2 B1 主電源・タッチパネ ル配線図 Ma in power supply wiring diagram イラスト 番号 Ref.No. 部品コード Parts Code 部品名 Parts Name Serial No. 個数 Q'ty 備考 Remarks 同期 Repl. 1 1 - 969 - 124 - 12 ハ - ネス (PCXGA- TPXG A) HARNESS (PCXGA - TP XGA) 1 2…

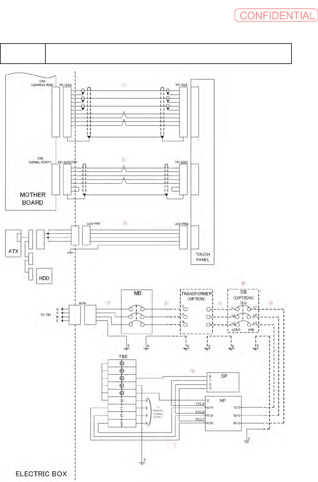
B-1
B1
主電源・タッチパネル配線図
Main power supply wiring diagram

B-2
B1
主電源・タッチパネル配線図
Main power supply wiring diagram
イラスト番号
Ref.No.
部品コード
Parts Code
部品名
Parts Name
Serial
No.
個数
Q'ty
備考
Remarks
同期
Repl.
1 1-969-124-12
ハ
-
ネス
(PCXGA-TPXGA)
HARNESS (PCXGA-TPXGA)
1
2 1-969-125-11
ハ
-
ネス
(PC232C-TP232C)
HARNESS (PC232C-TP232C)
1
3 1-969-123-11
ハ
-
ネス
(LCDPW1-LCDPW2)
HARNESS (LCDPW1-LCDPW2)
1
4
1-969-357-12
ハ
-
ネス
(MAIN POWER1)
HARNESS (MAIN POWER1)
1 200V
1-969-361-11
ハ
-
ネス
(MAIN POWER UL/CE TB-NF)
HARNESS(MAINPOWER UL/CE TB-
NF)
1 208-430V
5 1-966-605-12
サ
-
ジ
プロテクタ
ハ
-
ネス
HARNESS, SURGE PROTECTOR
1
6
1-969-358-13
ハ
-
ネス
(MAIN POWER2)
HARNESS (MAIN POWER2)
1 200V
1-969-364-11
ハ
-
ネス
(MAIN POWER UL/CE T-MB)
HARNESS(MAIN POWER UL/CE T-
MB)
1 208-430V
7 1-969-359-12
ハ
-
ネス
(MAIN POWER3)
HARNESS (MAIN POWER3)
1
8 1-969-363-11
ハ
-
ネス
(MAIN POWER UL/CE CB-T)
HARNESS(MAIN POWER UL/CE CB-
T)
1 208-430V ONLY
9 1-969-362-11
ハ
-
ネス
(MAIN POWER UL/CE NF-CB)
HARNESS(MAINPOWER UL/CE NF-
CB)
1 208-430V ONLY
10
1-523-276-11
ノ
-
フユ
-
ズ
シヤダンキ
(NF100-SRU 15A)
BREAKER, NO FUSE
1
1-523-276-21
ノ
-
フユ
-
ズ
シヤダンキ
(NF100-SRU 20A)
BREAKER, NO FUSE
1

B-3
B2
電装
BOX
配線
-1
Electrical box wiring diagram - 1