SI-H1000_PL_2nd - 第137页
B-5 B2 電装 BOX 配線 -1 Electrical box wiring diagram - 1 イラスト 番号 Ref.No. 部品コード Parts Code 部品名 Parts Name Serial No. 個数 Q'ty 備考 Remarks 同期 Repl. 31 1- 969 - 798 - 21 HARNESS (CR3 2 - 4) HARNESS (CR3 2 - 4) 1 32 1 - 969 …

B-4
B2
電装
BOX
配線
-1
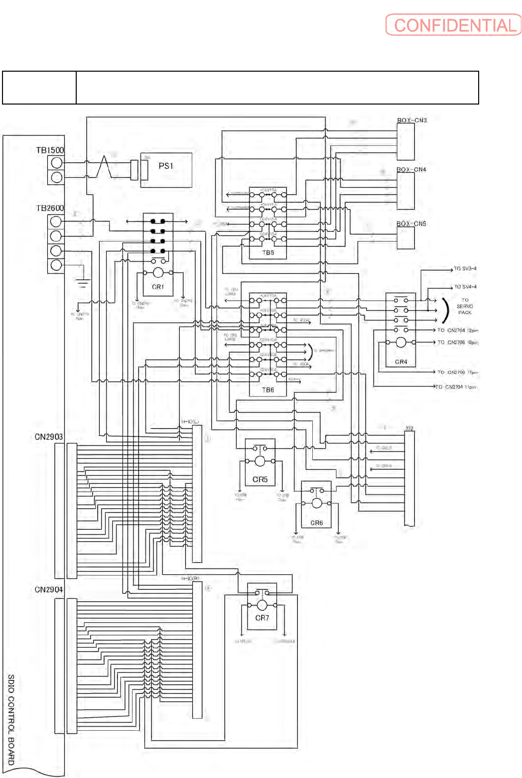
Electrical box wiring diagram - 1
イラスト番号
Ref.No.
部品コード
Parts Code
部品名
Parts Name
Serial
No.
個数
Q'ty
備考
Remarks
同期
Repl.
1 1-969-065-12
ハ
-
ネス
(ACIN-TB1)
HARNESS
1
2 1-969-066-12
ハ
-
ネス
(TB1-MC1)
HARNESS
1
3 1-969-067-12
ハ
-
ネス
(TB1-PS1)
HARNESS
1
4 1-969-068-13
ハ
-
ネス
(TB1-CP1)
HARNESS
1
5 1-969-069-12
ハ
-
ネス
(CP1-ATX)
HARNESS
1
6 1-969-070-13
ハ
-
ネス
(TB1-CP2)
HARNESS
1
7 1-969-071-13
ハ
-
ネス
(CP2-TB3)
HARNESS
1
8 1-969-072-12
ハ
-
ネス
(TB3-FAN1)
HARNESS
1
9 1-969-072-22
ハ
-
ネス
(TB3-FAN2)
HARNESS
1
10 1-969-072-32
ハ
-
ネス
(TB3-FAN3)
HARNESS
1
11 1-969-072-42
ハ
-
ネス
(TB3-FAN4)
HARNESS
1
12 1-969-073-12
ハ
-
ネス
(MC1-MC2, TB2)
HARNESS
1
13 1-969-074-11
ハ
-
ネス
(MC2-MC3)
HARNESS
1
14 1-969-691-11
HARNESS (MC3-PS2, CP5)
HARNESS (MC3-PS2, CP5)
1
15 1-969-063-12
ハ
-
ネス
(TB2-PS4)
HARNESS
1
16 1-969-689-11
HARNESS (TB2-PS3)
HARNESS (TB2-PS3)
1
17 1-969-064-12
ハ
-
ネス
(TB2-CP4)
HARNESS
1
18 1-969-077-12
ハ
-
ネス
(TB2-SV1)
HARNESS
1
19 1-969-077-22
ハ
-
ネス
(TB2-SV2)
HARNESS
1
20 1-969-078-12
ハ
-
ネス
(CP5-SV1, SV2)
HARNESS
1
21 1-969-079-12
ハ
-
ネス
(CP4-SV1, SV2)
HARNESS
1
22 1-969-080-13
ハ
-
ネス
(TB2-MR1)
HARNESS
1
23 1-969-081-13
ハ
-
ネス
(MR1-CP3)
HARNESS
1
24 1-969-092-12
ハ
-
ネス
(CP3-VAC)
HARNESS
1
25 1-969-690-11
HARNESS (PS2-CP9)
HARNESS (PS2-CP9)
1
26 1-969-094-13
ハ
-
ネス
(CP9-SV3, 4, 5)
HARNESS
1
27 1-969-777-11
HARNESS (PS3, 4-CP6, CR3)
HARNESS (PS3, 4-CP6, CR3)
1
28 1-969-778-11
HARNESS (PS4-CP6,7,8,CR2,TB5)
HARNESS (PS4-CP6,7,8,CR2,TB5)
1
29 1-969-711-11
HARNESS (CP7, 8-TB5, 6)
HARNESS (CP7, 8-TB5, 6)
1
30 1-969-798-11
HARNESS (CR2 2-4)
HARNESS (CR2 2-4)
1

B-5
B2
電装
BOX
配線
-1
Electrical box wiring diagram - 1
イラスト番号
Ref.No.
部品コード
Parts Code
部品名
Parts Name
Serial
No.
個数
Q'ty
備考
Remarks
同期
Repl.
31 1-969-798-21
HARNESS (CR3 2-4)
HARNESS (CR3 2-4)
1
32 1-969-520-11
ハ
-
ネス
(TB3-EX FAN(F))
HARNESS (TB3-EX FAN(F))
1
33 1-969-521-12
ハ
-
ネス
(BOX FAN (F)-FAN)
HARNESS (BOX FAN (F)-FAN)
1
34 1-969-387-12
ハ
-
ネス
(TB3-EX FAN1)
HARNESS
1
35 1-969-387-22
ハ
-
ネス
(TB3-EX FAN2)
HARNESS
1
36 1-969-994-11
HARNESS (TB3-EX FAN (CF))
HARNESS (TB3-EX FAN (CF))
1
37 1-969-994-21
HARNESS (TB3-EX FAN (CR))
HARNESS (TB3-EX FAN (CR))
1
38 1-969-989-11
HARNESS (BOX FAN (CF)-FAN)
HARNESS (BOX FAN (CF)-FAN)
1
39 1-969-989-21
HARNESS (BOX FAN (CR)-FAN)
HARNESS (BOX FAN (CR)-FAN)
1

B-6
B3
電装
BOX
配線
-2
Electrical box wiring diagram - 2