SI-H1000_PL_2nd - 第144页
B- 12 B6 電装 BOX 配線 -5 Electrical box w iring diagram - 5

B-11
B5
電装
BOX
配線
-4
Electrical box wiring diagram - 4
イラスト番号
Ref.No.
部品コード
Parts Code
部品名
Parts Name
Serial
No.
個数
Q'ty
備考
Remarks
同期
Repl.
1 1-969-091-12
ハ
-
ネス
(SDIO CN2700-SFR)
HARNESS
1
2 1-969-099-12
ハ
-
ネス
(SDIO CN2800-2 ECT-IF)
HARNESS
1
3 1-969-085-12
ハ
-
ネス
(SDIO CN2701-IO1)
HARNESS
1

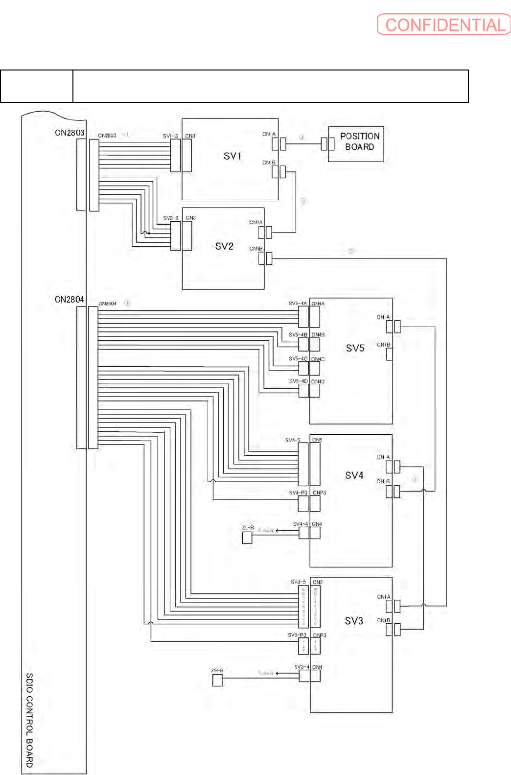
B-12
B6
電装
BOX
配線
-5
Electrical box wiring diagram - 5

B-13
B6
電装
BOX
配線
-5
Electrical box wiring diagram - 5
イラスト番号
Ref.No.
部品コード
Parts Code
部品名
Parts Name
Serial
No.
個数
Q'ty
備考
Remarks
同期
Repl.
1 1-969-086-12
ハ
-
ネス
(SDIO CN2803-YX CN3)
HARNESS
1
2 1-969-087-13
ハ
-
ネス
(SDIO CN2804-MR-MD)
HARNESS
1
3 1-846-545-21
SSCNETIII
ケ
-
ブル
(MR-J3BUS015M)
CABLE, SSCNETIII
2
4 1-846-545-31
SSCNETIII
ケ
-
ブル
(MR-J3BUS1M)
CABLE, SSCNETIII
2
5 1-846-588-21
SSCNET3
ケ
-
ブル
(MR-J3BUS03M)
CABLE, SSCNET3 (MR-J3BUS03M)
1