SI-H1000_PL_2nd - 第147页
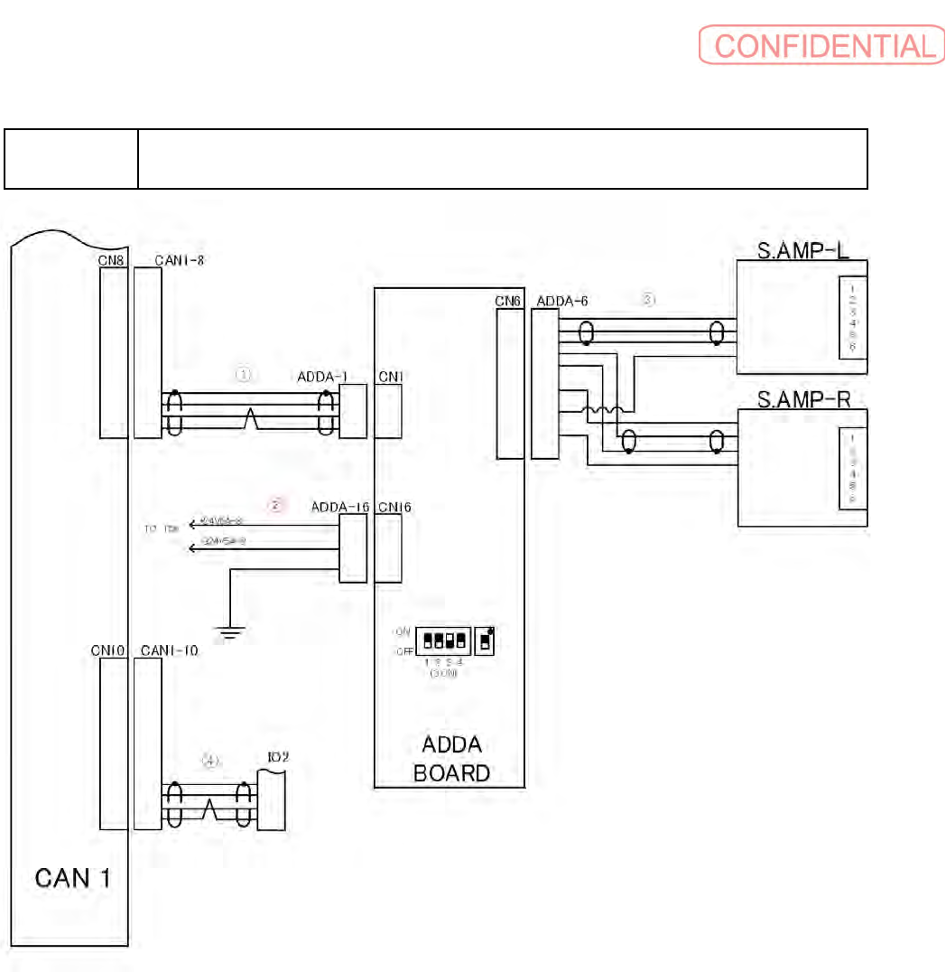
B- 15 B7 電装 BOX 配線 -6 Electrical box wiring diagram - 6 イラスト 番号 Ref.No. 部品コード Parts Code 部品名 Parts Name Serial No. 個数 Q'ty 備考 Remarks 同期 Repl. 1 1- 969 - 11 4 - 11 ハ - ネス (CAN- ADDA) HARNESS 1 2 1- 969 - 11 5 - 12 ハ…

B-14
B7
電装
BOX
配線
-6
Electrical box wiring diagram - 6

B-15
B7
電装
BOX
配線
-6
Electrical box wiring diagram - 6
イラスト番号
Ref.No.
部品コード
Parts Code
部品名
Parts Name
Serial
No.
個数
Q'ty
備考
Remarks
同期
Repl.
1 1-969-114-11
ハ
-
ネス
(CAN-ADDA)
HARNESS
1
2 1-969-115-12
ハ
-
ネス
(TB6-ADDA)
HARNESS
1
3 1-492-162-12
センサ
アンプ
ASSY (ZX2-LDA11)
AMPLIFIER ASSY, SENSOR
1
4 1-969-099-12
ハ
-
ネス
(SDIO CN2800-2 ECT-IF)
HARNESS
1

B-16
B8
PC
配線
PC wiring diagram