SI-H1000_PL_2nd - 第150页
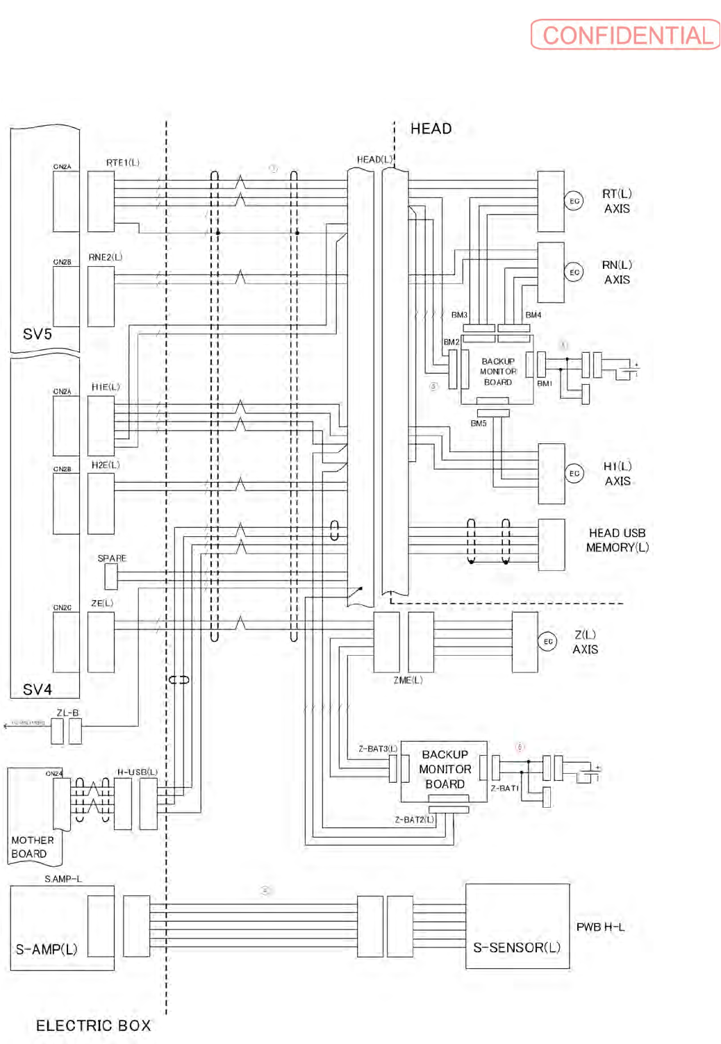
B- 18 B9 サーボモーター配 線 - 左ヘ ッド Wiring diagram serv o motor - Left

B-17
B8
PC
配線
PC wiring diagram
イラスト番号
Ref.No.
部品コード
Parts Code
部品名
Parts Name
Serial
No.
個数
Q'ty
備考
Remarks
同期
Repl.
1 1-969-088-12
ハ
-
ネス
(PC CN1-MB, MC3B, CAN)
HARNESS
1
2 1-969-784-11
HARNESS (SDIO CN100, 101-MC3B)
HARNESS (SDIO CN100, 101-MC3B)
1
3 1-837-828-11
PC
ユニツト
MC3
シリアル
ケ
-
ブル
CABLE, PC UNIT MC3 SERIAL
1
4 1-969-111-11
ハ
-
ネス
(MC3B-MCAN)
HARNESS
1
5 1-969-101-22
ハ
-
ネス
(MB-USB 2)
HARNESS
1
6 1-969-103-11
ハ
-
ネス
(CAN1, 2-CONV)
HARNESS
1
7 1-969-109-12
ハ
-
ネス
(SDIO CN2900-EMI, COG)
HARNESS
1
8 1-969-101-12
ハ
-
ネス
(MB-USB 1)
HARNESS
1
9 1-838-009-11
ATX
デンゲン
ケ
-
ブル
(WH-M2424-500
CABLE, ATX POWER (WH-M2424-
500
1
10 1-833-193-11
ATX
デンゲン
ケ
-
ブル
(WH-V0408-500
CABLE, ATX POWER (WH-V0408-500
1
11 1-838-010-11
ATX
デンゲン
ケ
-
ブル
(WH-PS610-850
CABLE, ATX POWER (WH-PS610-850
1
12 1-837-275-11
SATA
ケ
-
ブル
(SAT-3107BL)
CABLE, SATA (SAT-3107BL)
1
13 1-969-102-11
ハ
-
ネス
(ATX-TP, POW)
HARNESS
1
14 1-969-113-12
ハ
-
ネス
(MB-HDDFAN)
HARNESS
1
15 1-969-110-13
ハ
-
ネス
(SDIO CN2901-PC CN1)
HARNESS
1
16 1-969-112-11
ハ
-
ネス
(MCAN-CAN1, 2)
HARNESS
1
17 1-492-163-11
フアン
ASSY (109P0912H4D01)
FAN ASSY
1
18 1-969-799-11
HARNESS (COG-CR1)
HARNESS (COG-CR1)
1
19 1-969-099-12
ハ
-
ネス
(SDIO CN2800-2 ECT-IF)
HARNESS
1

B-18
B9
サーボモーター配線
-
左ヘッド
Wiring diagram servo motor - Left

B-19