SI-H1000_PL_2nd - 第153页
B- 21 B 10 サーボモーター配 線 - 右ヘ ッド Wiring diagram serv o motor - Ri ght

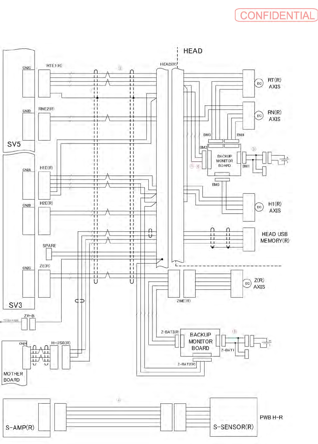
B-20
B9
サーボモーター配線
-
左ヘッド
Wiring diagram servo motor - Left
イラスト番号
Ref.No.
部品コード
Parts Code
部品名
Parts Name
Serial
No.
個数
Q'ty
備考
Remarks
同期
Repl.
1 1-969-129-14
ハ
-
ネス
(HEAD,ETC-H1M,H1E,ETC)(L)
HARNESS (HEAD,ETC-
H1M,H1E,ETC)
1
2 1-969-127-11
ハ
-
ネス
(YM,YE,ETC-YM1,YS,ETC)(L)
HARNESS (YM,YE,ETC-
YM1,YS,ETC)
1
3 1-969-122-12
ハ
-
ネス
(ZM1-ZM2)
HARNESS (ZM1-ZM2)
1
4 1-969-135-12
ハ
-
ネス
(BCSEN-AMP) (L)
HARNESS (BCSEN-AMP)
1
5 1-969-755-11
HARNESS (BAT-BACKUP MONITOR)
HARNESS (BAT-BACKUP MONITOR)
2
6 1-969-505-12
ハ
-
ネス
(
バツクアツプ
モニタ
-)
HARNESS (BACKUP MONITORING)
1

B-21
B10
サーボモーター配線
-
右ヘッド
Wiring diagram servo motor - Right

B-22