SI-H1000_PL_2nd - 第163页
B- 31 B14 部品カメラ配線 - 左ヘッ ド W iring di agram camera LEFT イラスト 番号 Ref.No. 部品コード Parts Code 部品名 Parts Name Serial No. 個数 Q'ty 備考 Remarks 同期 Repl. 1 1 - 829 - 580 - 12 4CH カメラ シンゴ ウ ブンキ ケ - ブル (26P*) CABLE, 4CH CAMERA…

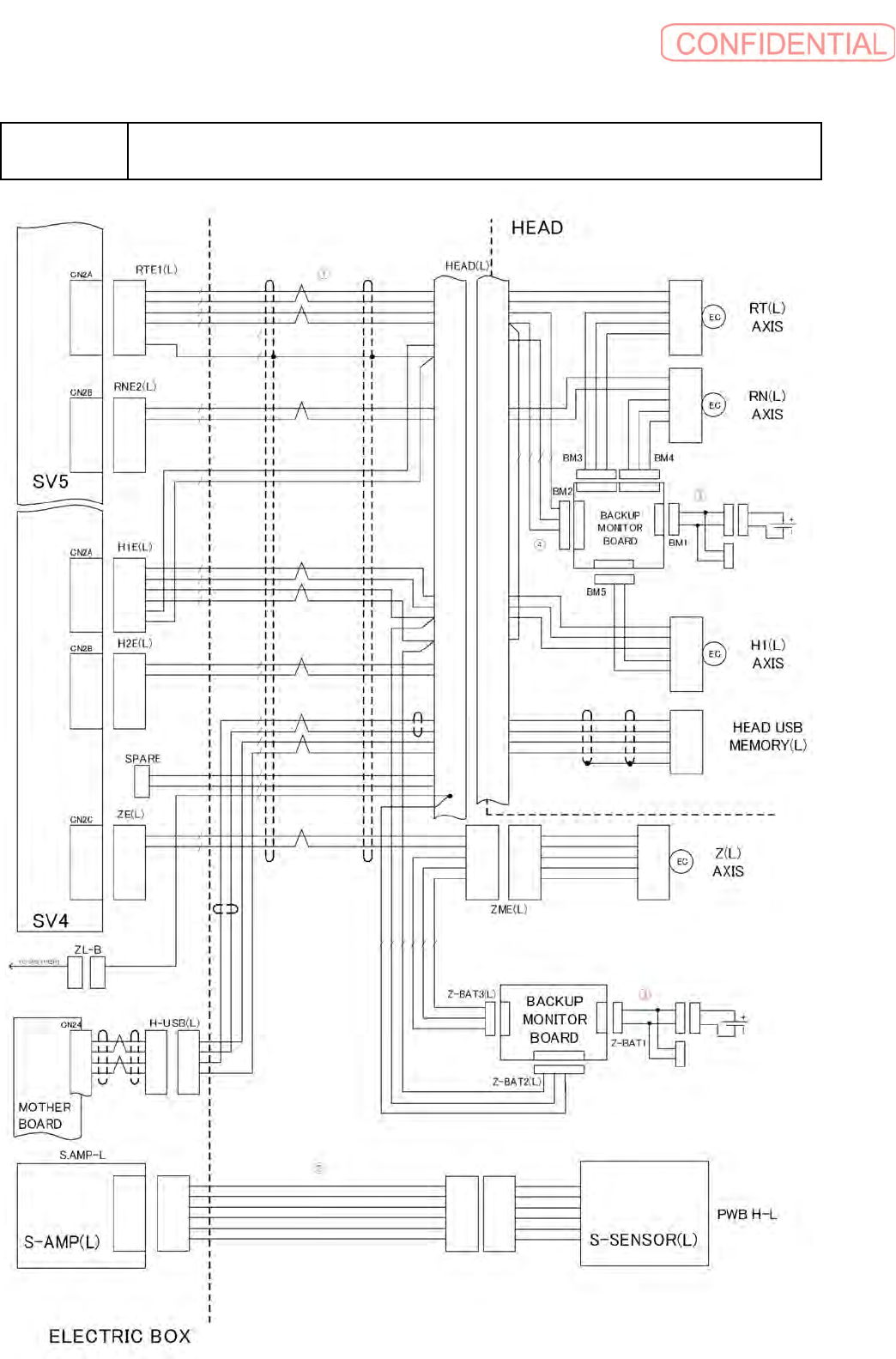
B-30
B14
部品カメラ配線
-
左ヘッド
Wiring diagram camera LEFT

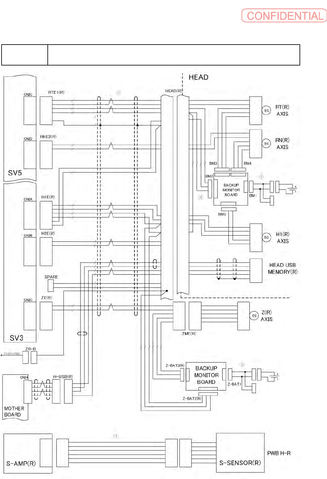
B-31
B14
部品カメラ配線
-
左ヘッド
Wiring diagram camera LEFT
イラスト番号
Ref.No.
部品コード
Parts Code
部品名
Parts Name
Serial
No.
個数
Q'ty
備考
Remarks
同期
Repl.
1 1-829-580-12
4CH
カメラ
シンゴウ
ブンキ
ケ
-
ブル
(26P*)
CABLE, 4CH CAMERA SIGNAL
DIVER
2
2 1-969-129-14
ハ
-
ネス
(HEAD,ETC-H1M,H1E,ETC)(L)
HARNESS (HEAD,ETC-
H1M,H1E,ETC)
1
3 1-969-292-14
ハ
-
ネス
(PART CAMERA)
HARNESS
3
4 1-969-292-24
ハ
-
ネス
(HEIGHT CAMERA)
HARNESS
3
5 1-969-126-12
ハ
-
ネス
(CAM1P-CAM1C) (L)
HARNESS (CAM1P-CAM1C)
1

B-32
B15
部品カメラ配線
-
右ヘッド
Wiring diagram camera RIGHT