SI-H1000_PL_2nd - 第167页
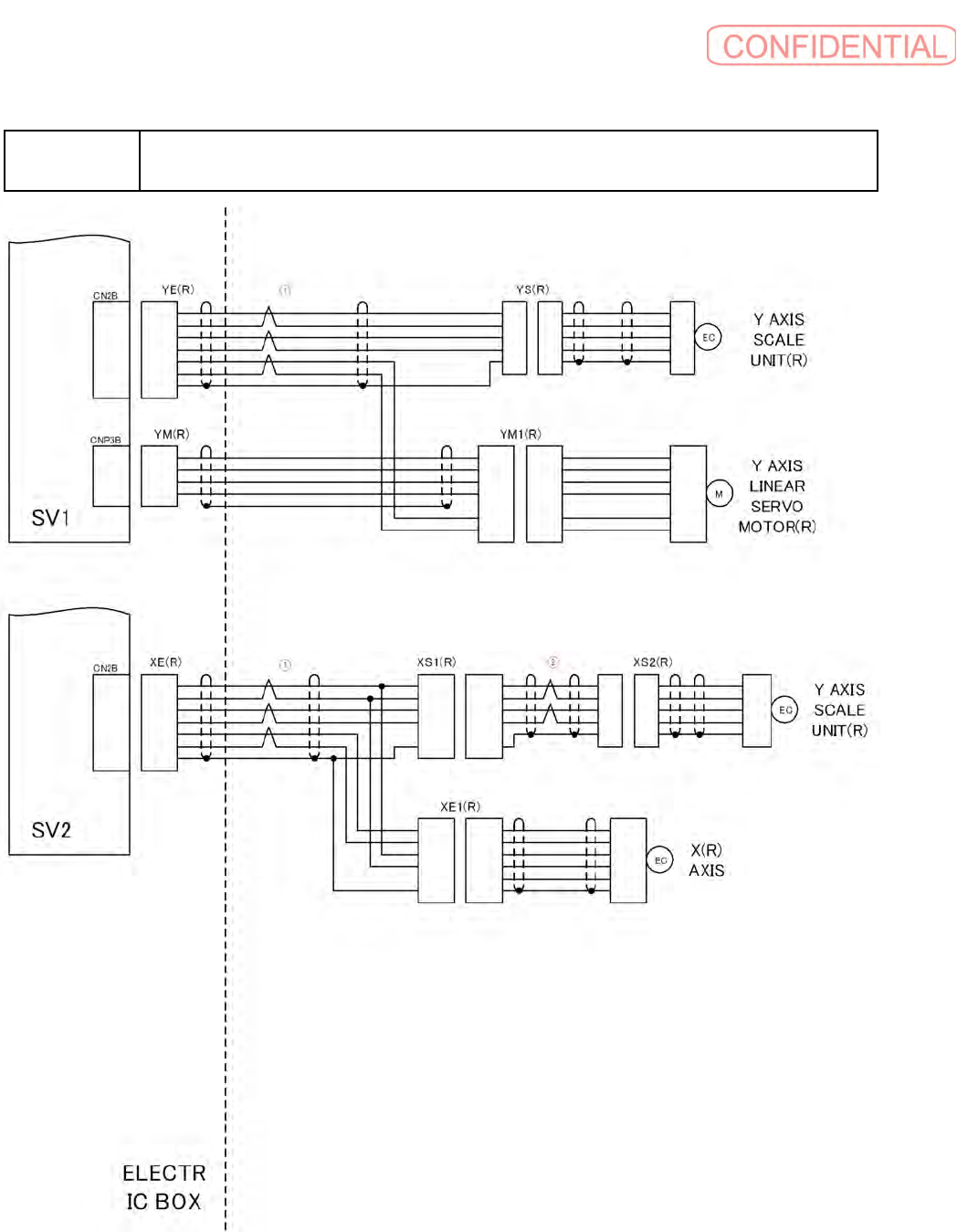
B- 35 B16 XY スケールユニット・ Y リニアモー ター配線 - 左 W iring di agram XY unit LEFT イラスト 番号 Ref.No. 部品コード Parts Code 部品名 Parts Nam e Serial No. 個数 Q'ty 備考 Remarks 同期 Repl. 1 1- 969 - 127 - 11 ハ - ネス (YM,YE,ETC-YM1,YS,ETC)(L) HARN…

B-34
B16
XY
スケールユニット・
Y
リニアモーター配線
-
左
Wiring diagram XY unit LEFT

B-35
B16
XY
スケールユニット・
Y
リニアモーター配線
-
左
Wiring diagram XY unit LEFT
イラスト番号
Ref.No.
部品コード
Parts Code
部品名
Parts Name
Serial
No.
個数
Q'ty
備考
Remarks
同期
Repl.
1 1-969-127-11
ハ
-
ネス
(YM,YE,ETC-YM1,YS,ETC)(L)
HARNESS (YM,YE,ETC-
YM1,YS,ETC)
1
2 1-969-128-12
ハ
-
ネス
(XS1-XS2) (L)
HARNESS (XS1-XS2)
1

B-36
B17
XY
スケールユニット・
Y
リニアモーター配線
-
右
Wiring diagram XY unit RIGHT