SI-H1000_PL_2nd - 第172页
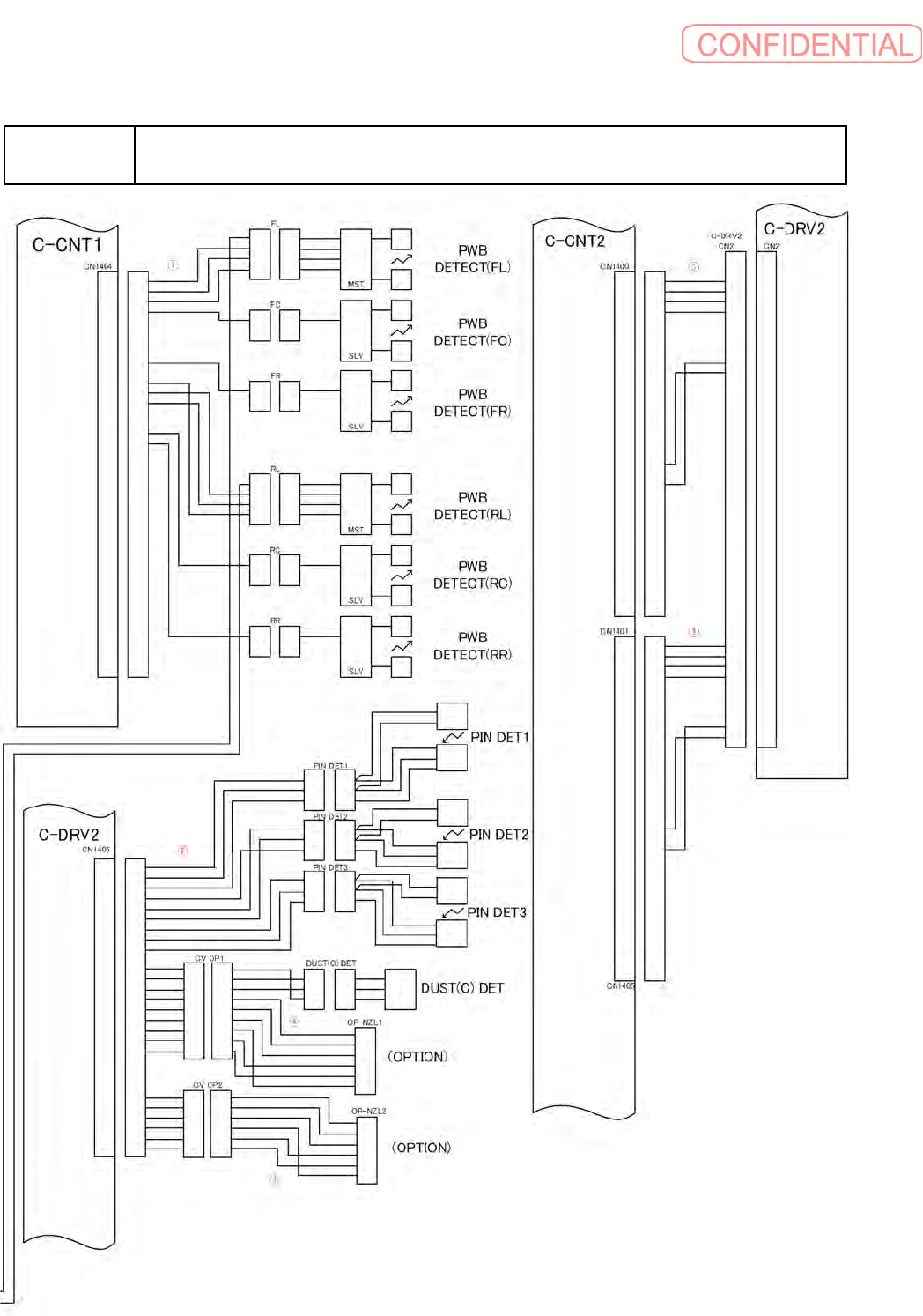
B- 40 B 19 I/O 配線 -1 Wiring diagram I/O - 1

B-39
B18
コンベア・バックアップモーター配線
Wiring diagram mortor unit
イラスト番号
Ref.No.
部品コード
Parts Code
部品名
Parts Name
Serial
No.
個数
Q'ty
備考
Remarks
同期
Repl.
1 1-969-351-13
ハ
-
ネス
(BOX C-POW)
HARNESS (BOX C-POW)
1
2 1-969-337-12
ハ
-
ネス
(C DRV1-CV MOTOR)
HARNESS (C DRV1-CV MOTOR)
4
3 1-969-338-11
ハ
-
ネス
(C DRV2-W MOTOR)
HARNESS (C DRV2-W MOTOR)
2
4 1-969-336-13
ハ
-
ネス
(C DRV3-BU MOTOR)
HARNESS (C DRV3-BU MOTOR)
4
5 1-969-340-13
ハ
-
ネス
(C CAN-C CNT)
HARNESS (C CAN-C CNT)
1
6 1-969-356-12
ハ
-
ネス
(C CNT1-C CNT2 (+) )
HARNESS
1
7 1-969-356-22
ハ
-
ネス
(C CNT1-C CNT2 (G) )
HARNESS
1
8 1-969-356-32
ハ
-
ネス
(C CNT2-C CNT3 (+) )
HARNESS
1
9 1-969-356-42
ハ
-
ネス
(C CNT2-C CNT3 (G) )
HARNESS
1

B-40
B19
I/O
配線
-1
Wiring diagram I/O - 1

B-41
B19
I/O
配線
-1
Wiring diagram I/O - 1
イラスト番号
Ref.No.
部品コード
Parts Code
部品名
Parts Name
Serial
No.
個数
Q'ty
備考
Remarks
同期
Repl.
1 1-969-343-13
ハ
-
ネス
(C DRV1-C CNT1)
HARNESS (C DRV1-C CNT1)
1
2 1-969-373-14
ハ
-
ネス
(BU PIN DET)
HARNESS (BU PIN DET)
1
3 1-969-344-13
ハ
-
ネス
(C DRV2-C CNT2)
HARNESS (C DRV2-C CNT2)
1
4 1-969-781-12
HARNESS (BU PIN DET2)
HARNESS (BU PIN DET2)
2