SI-H1000_PL_2nd - 第175页
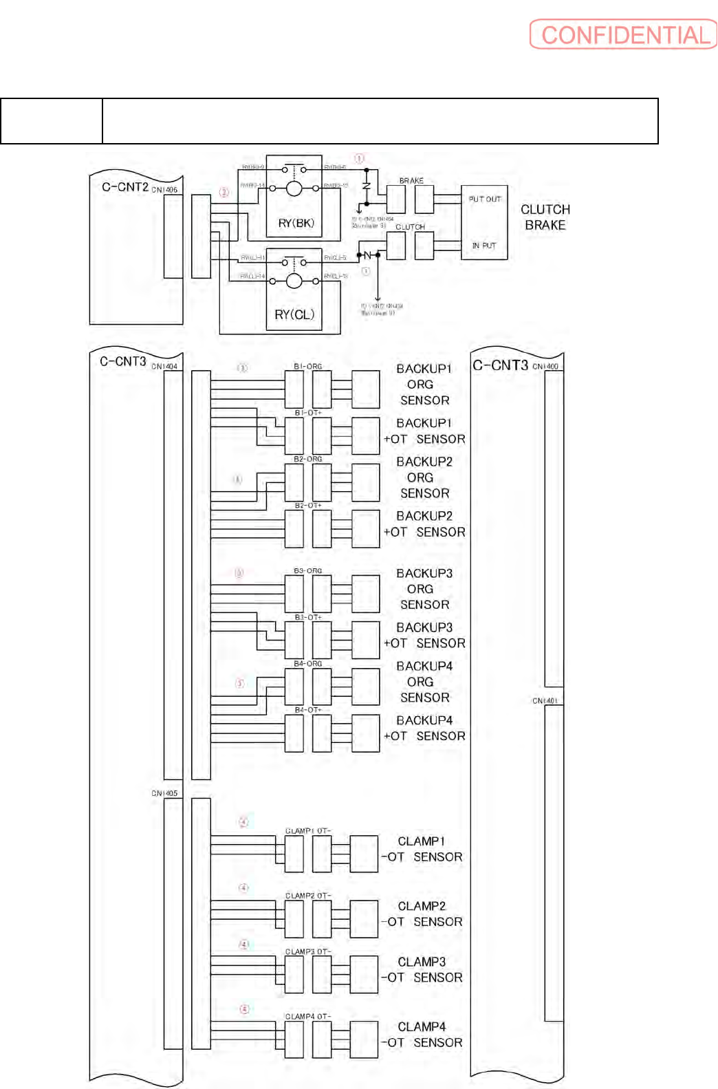
B- 43 B20 I/O 配線 -2 W iring diagram I/O - 2 イラスト 番号 Ref.No. 部品コード Parts Code 部品名 Parts Name Serial No. 個数 Q'ty 備考 Remarks 同期 Repl. 1 1- 969 - 345 - 11 ハ - ネス (C CNT2 - N Z L M V ) HARNESS (C CNT2 - N Z L MV ) 1 2 1 …

B-42
B20
I/O
配線
-2
Wiring diagram I/O - 2

B-43
B20
I/O
配線
-2
Wiring diagram I/O - 2
イラスト番号
Ref.No.
部品コード
Parts Code
部品名
Parts Name
Serial
No.
個数
Q'ty
備考
Remarks
同期
Repl.
1 1-969-345-11
ハ
-
ネス
(C CNT2-NZL MV)
HARNESS (C CNT2-NZL MV)
1
2 1-969-347-13
ハ
-
ネス
(C CNT2-RAIL OT, NZL OT)
HARNESS(C CNT2-RAIL OT,NZL OT)
1
3 1-969-804-11
HARNESS (NO3 OT-NO3 OT)
HARNESS (NO3 OT-NO3 OT)
1

B-44
B21
I/O
配線
-3
Wiring diagram I/O - 3