SI-H1000_PL_2nd - 第182页
B- 50 B 24 I/O 配線 -6 Wiring diagram I/O - 6

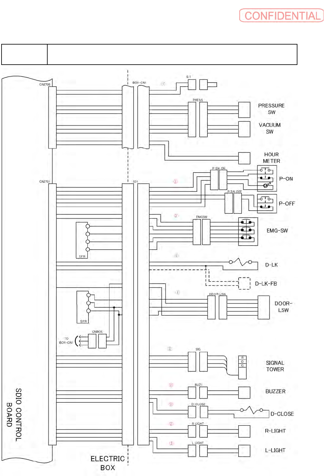
B-49
B23
I/O
配線
-5
Wiring diagram I/O - 5
イラスト番号
Ref.No.
部品コード
Parts Code
部品名
Parts Name
Serial
No.
個数
Q'ty
備考
Remarks
同期
Repl.
1 1-969-295-13
ハ
-
ネス
(BOX-TROLLEY IF)
HARNESS (BOX-TROLLEY IF)
1

B-50
B24
I/O
配線
-6
Wiring diagram I/O - 6

B-51
B24
I/O
配線
-6
Wiring diagram I/O - 6
イラスト番号
Ref.No.
部品コード
Parts Code
部品名
Parts Name
Serial
No.
個数
Q'ty
備考
Remarks
同期
Repl.
1 1-969-295-13
ハ
-
ネス
(BOX-TROLLEY IF)
HARNESS (BOX-TROLLEY IF)
1
2 1-969-132-12
ハ
-
ネス
(IO1-PWSW, EMG, SIG, ETC)
HARNESS (IO1-
PWSW,EMG,SIG,ETC)
1