SI-H1000_PL_2nd - 第188页
在线预览 SI-H1000_PL_2nd PDF 文档。

B-55
B26
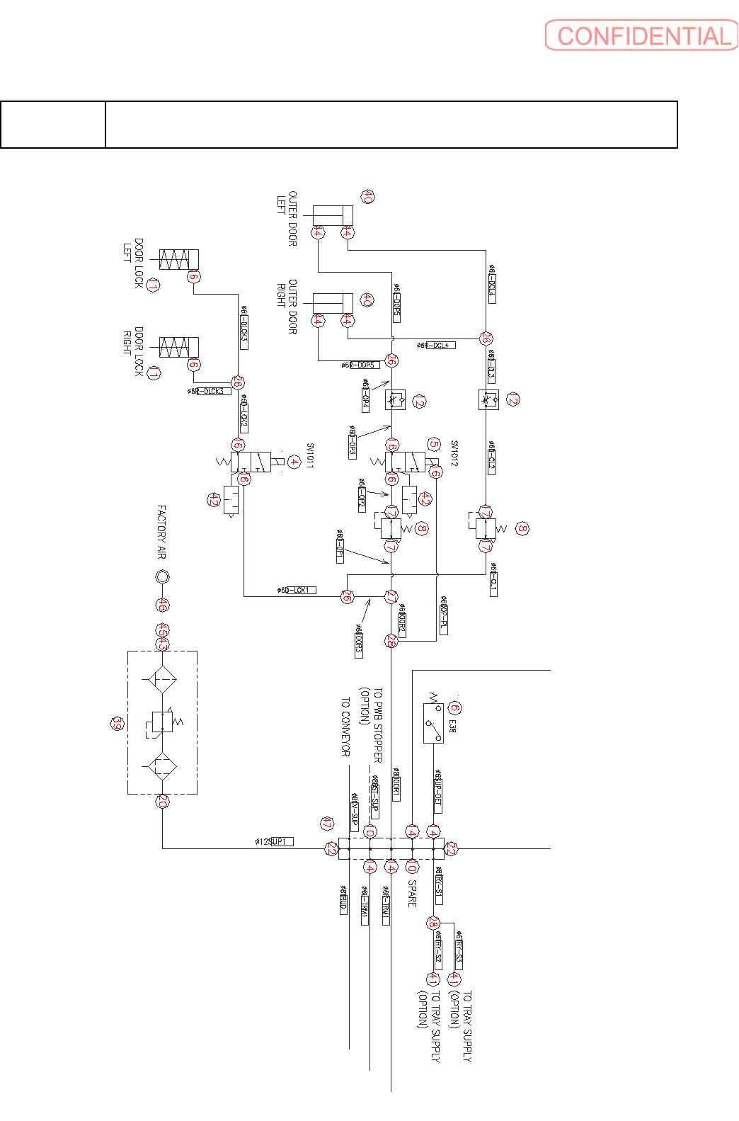
I/O
配線
-8
Wiring diagram I/O - 8
イラスト番号
Ref.No.
部品コード
Parts Code
部品名
Parts Name
Serial
No.
個数
Q'ty
備考
Remarks
同期
Repl.
1 1-969-343-13
ハ
-
ネス
(C DRV1-C CNT1)
HARNESS (C DRV1-C CNT1)
1
2 1-969-527-11
ハ
-
ネス
(C CNT1-STMV)
HARNESS (C CNT1-STMV)
1
3 1-969-526-11
ハ
-
ネス
(PWB ST)
HARNESS (PWB ST)
1


C-1
C1
全体配管図
Pipe diagram