SI-H1000_PL_2nd - 第192页
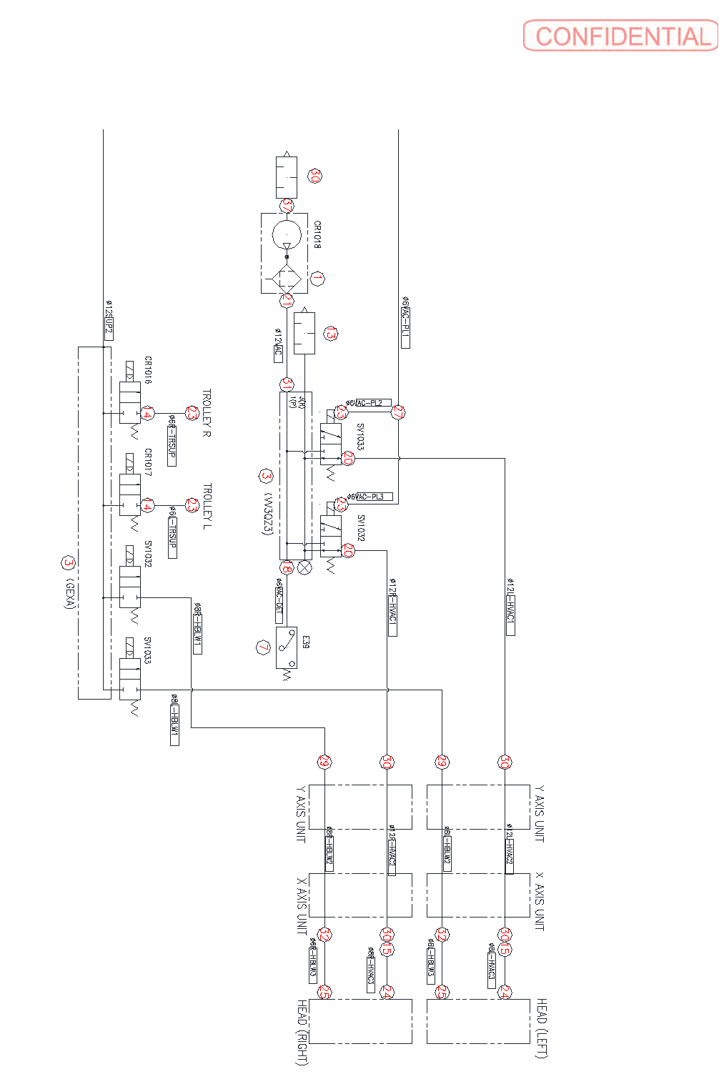
C-4 C1 全体配管図 Pipe diagram イラスト 番号 Ref.No. 部品コード Parts Code 部品名 Parts Name Serial No. 個数 Q'ty 備考 Remarks 同期 Repl. 1 1- 492 - 203 - 11 シンクウ ポン プ ASSY V ACUUM PU MP ASSY 1 2 1 - 492 - 241 - 12 ソレノイト ゙ ASSY ( ダイシ ヤ ロ…

C-3

C-4
C1
全体配管図
Pipe diagram
イラスト番号
Ref.No.
部品コード
Parts Code
部品名
Parts Name
Serial
No.
個数
Q'ty
備考
Remarks
同期
Repl.
1 1-492-203-11
シンクウ
ポンプ
ASSY
VACUUM PUMP ASSY
1
2 1-492-241-12
ソレノイド
ASSY (
ダイシヤ
ロツク
)
SOLENOID ASSY (TROLLEY LOCK)
1
3 1-492-242-13
ソレノイド
ASSY (AIR SUPPLY)
SOLENOID ASSY (AIR SUPPLY)
1
4 1-492-357-11
デンジベン
ASSY (
ドア
ロツク
)
ELECTROMAGNETIC ASSY
1
5 1-492-358-11
デンジベン
ASSY (
ウチ
カバ
-
カイヘイ
)
ELECTROMAGNETIC ASSY
1
6 1-798-472-11
アツリヨク
スイツチ
(ISE30A-C6H)
SWITCH, PRESSURE (ISE30A-C6H)
1
7 1-798-473-11
アツリヨク
スイツチ
(ZSE30A-C6H)
SWITCH, PRESSURE (ZSE30A-C6H)
1
8 2-023-682-31
セイミツ
レギユレ
-
タ
(IR1010-01-BG)
REGULATOR, PRECISION (IR1010-*
2
9 2-108-828-01
マニホ
-
ルド
(VVQ2000-FPG-02-X9)
MANIFOLD (VVQ2000-FPG-02-X9)
1
10 2-672-089-31
ブランキング
プラグ
(KQ2P-08)
PLUG (KQ2P-08), BLANKING
2
11 4-271-381-01
エア
シリンダ
(SSD-X-20-10)
CYLINDER (SSD-X-20-10), AIR
2
12 4-294-534-01
スピ
-
ド
コントロ
-
ラ
(AS2002F-06)
CONTROLLER (AS2002F-06), SPEED
6
13 4-436-830-11
サイレンサ
(AN15-02)
SILENCER (AN15-02)
3
14 4-446-715-21
レジユ
-
サ
(KQ2R06-08A)
REJUICER (KQ2R06-08A)
6
15 4-446-715-51
レジユ
-
サ
(KQ2R08-12A)
REJUICER (KQ2R08-12A)
2
16 4-447-053-11
ハ
-
フ
ユニオン
(KQ2H06-M5N)
UNION (KQ2H06-M5N), HALF
7
17 4-447-063-21
エルボ
ユニオン
(KQ2L06-01AS)
UNION (KQ2L06-01AS), ELBOW
8
18 4-447-063-31
エルボ
ユニオン
(KQ2L06-02AS)
UNION (KQ2L06-02AS), ELBOW
1
19 4-447-063-51
エルボ
ユニオン
(KQ2L08-02AS)
UNION (KQ2L08-02AS), ELBOW
1
20 4-447-063-71
エルボ
ユニオン
(KQ2L12-02AS)
UNION (KQ2L12-02AS), ELBOW
3
21 4-447-063-91
エルボ
ユニオン
(KQ2L12-04AS)
UNION (KQ2L12-04AS), ELBOW
1
22 4-447-107-21
ストリ
-
ト
エルボ
(KQ2L12-99A)
ELBOW (KQ2L12-99A), STREET
2
23 4-447-109-11
エルボ
ユニオン
(KQ2L06-M5A)
UNION (KQ2L06-M5A), ELBOW
4
24 4-447-063-41
エルボ
ユニオン
(KQ2L08-01AS)
UNION (KQ2L08-01AS), ELBOW
2
25 1-482-181-11
FERRITE CLAMP (GRFC-13)
FERRITE CLAMP (GRFC-13)
2
26 4-447-182-11
チ
-
ズ
(KQ2T06-00A)
JOINT (KQ2T06-00A), TEE
4
27 4-447-186-11
ユニオン
ワイ
(KQ2U06-00A)
WYE (KQ2U06-00A), UNION
2
28 4-447-213-21
イケイ
ユニオン
ワイ
(KQ2U06-08A)
WYE (KQ2U06-08A), UNION
6
29 4-447-247-21
ストレ
-
ト
(KQ2H08-00A)
STRAIGHT (KQ2H08-00A)
2
30 4-447-247-41
ストレ
-
ト
(KQ2H12-00A)
STRAIGHT (KQ2H12-00A)
2

C-5
C1
全体配管図
Pipe diagram
イラスト番号
Ref.No.
部品コード
Parts Code
部品名
Parts Name
Serial
No.
個数
Q'ty
備考
Remarks
同期
Repl.
31 4-447-248-61
ハ
-
フ
ユニオン
(KQ2H12-02AS)
UNION (KQ2H12-02AS), HALF
1
32 4-447-250-11
イケイ
ストレ
-
ト
(KQ2H06-08A)
STRAIGHT (KQ2H06-08A)
6
33 4-453-569-01
プラグ
(CYP025-08B29449)
PLUG (CYP025-08B29449)
4
34 4-454-729-01
デユアル
ロツド
シリンダ
(CXSM32-100)
CYLINDER(CXSM32-100), DUAL
ROD
4
35 4-454-742-01
サイレンサ
(ANA1-03)
SILENCER (ANA1-03)
1
36 4-454-743-01
スピ
-
ド
コントロ
-
ラ
(AS2201F-01-06SA
CONTROLLER (AS2201F-01-06SA)
4
37 4-455-483-01
ストリ
-
ト
エルボ
(3/8)
ELBOW (3/8), STREET
1
38 4-457-358-01
メカニカル
バルブ
(MVP63-J)
VALVE (MVP63-J), MECHANICAL
2
39 4-458-430-01
エア
コンビネ
-
シヨン
(AC30D-02DG-R-A)
AIRCOMBINATION(AC30D-02DG-R-
A)
1
40 4-460-696-01
シリンダ
(CJ2D16-150A)
CYLINDER (CJ2D16-150A)
2
41 4-462-965-01
マイクロ
カプラ
(MC-04SHB)
COUPLER (MC-04SHB), MICRO
2
42 4-463-167-01
サイレンサ
(AN05-M5)
SILENCER (AN05-M5)
2
43 4-701-316-01
ストリ
-
ト
エルボ
ELBOW, STREET
1
44 4-702-324-11
ホ
-
ス
エルボ
(M-5HL-6)
ELBO (M-5HL-6), HOSE
4
45 4-703-607-02
ハイ
カプラ
- (20PM)
COUPLER, HIGH (20PM)
1
46 4-703-619-01
ハイ
カプラ
- (20SH)
SOCKET
1
47 4-705-238-11
マニホ
-
ルド
(KM11-08-12-10)
MANIFOLD (KM11-08-12-10)
1
48 4-707-030-21
ハイカンヨウ
テ
-
パ
-
スクリユ
-
プラグ
(MSWT2)
PLUG, TAPER SCREW (MSWT2)
2
49 4-719-971-01
ツギテ
ニツプル
(KQ2N06-99)
NIPPLE, JOINT (KQ2N06-99)
4