文档中心
/
SI-H1000_PL_2nd
SI-H1000_PL_2nd - 第197页
C-9
目录
100%
显示:宽度
宽度
1 / 204
回到旧版
旧版
?
C-8
C3
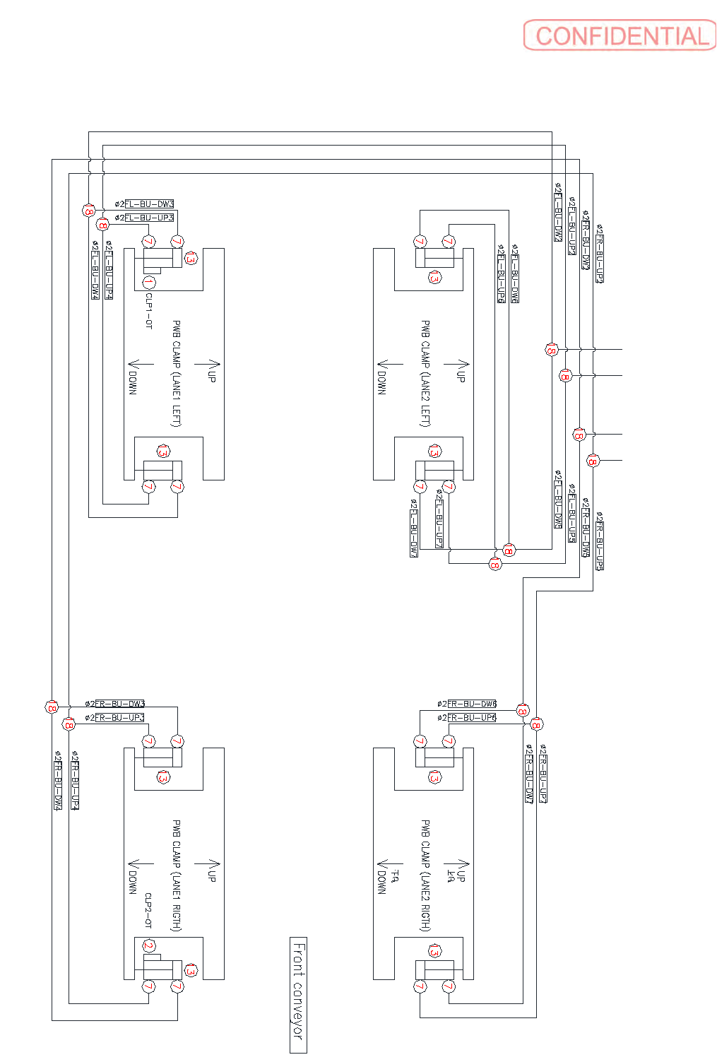
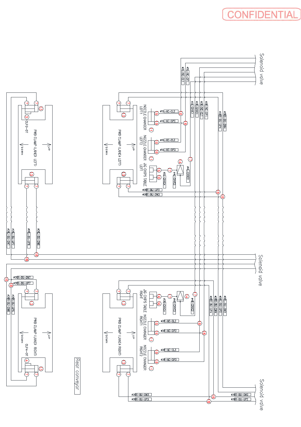
搬送部周辺配管
図
C
onvey
or pipe diagram
C-9
C-
10
该页面需要启用 JavaScript 才能进行交互式预览。